电脑桌面
添加小米粒文库到电脑桌面
安装后可以在桌面快捷访问

北京市海淀区2014-2015届高三上学期期中考试物理试题VIP免费

北京市海淀区2014-2015届高三上学期期中考试物理试题_第1页
1/9
北京市海淀区2014-2015届高三上学期期中考试物理试题_第2页
2/9
北京市海淀区2014-2015届高三上学期期中考试物理试题_第3页
3/9
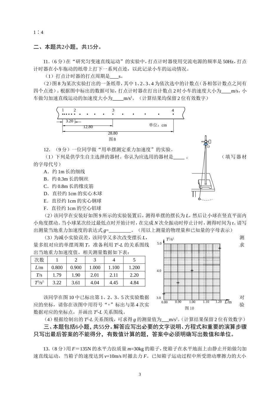
2014-2015北京市海淀区高三年级第一学期期中考试物理试题2014.11一、本题共10小题,每小题3分,共30分。在每小题给出的四个选项中,有的小题只有一个选项是正确的,有的小题有多个选项是正确的。全部选对的得3分,选不全的得2分,有选错或不答的得0分。把你认为正确的答案填涂在答题纸上。1.如图1所示,用轻绳OA把球挂在光滑的竖直墙壁上,O点为绳的固定点,B点为球与墙壁的接触点。现保持固定点O不动,将轻绳OA加长,使绳与墙壁的夹角θ变小,则球静止后与绳OA加长之前相比A.绳对球的拉力变大B.球对墙壁的压力变小C.球对墙壁的压力不变D.球所受的合力变大2.从同一高度水平抛出的物体,在空中运动一段时间,落到同一水平地面上。在不计空气阻力的条件下,由平抛运动规律可知A.水平初速度越大,物体在空中运动的时间越长B.质量越大,物体在空中运动的时间越短C.水平初速度越大,物体的水平位移越大D.水平初速度越大,物体落地时的速度越大3.在游乐园中,游客乘坐升降机可以体验超重与失重的感觉。关于游客在随升降机一起运动的过程中所处的状态,下列说法中正确的是A.当升降机加速上升时,游客处在失重状态B.当升降机减速下降时,游客处在超重状态C.当升降机减速上升时,游客处在失重状态D.当升降机加速下降时,游客处在超重状态4.在不计空气阻力作用的条件下,下列说法中正确的是A.自由下落的小球,其所受合外力的方向与其速度方向相同B.做平抛运动的小球,其所受合外力的方向不断改变C.做匀速圆周运动的小球,其所受合外力的方向一定指向圆心D.做简谐运动的单摆小球,其所受合外力的方向总与速度方向相同5.一列波速为2.0m/s,沿x轴正向传播的简谐机械横波某时刻的波形图如图2所示,P为介质中的一个质点。关于这列机械波,下列说法中正确的是A.该机械波的振幅为0.2mB.该机械波的波长为10mC.从此时刻起再经过10s,质点P通过的路程为0.8mD.此时刻质点P的加速度方向与速度方向相同6.如图3所示,甲、乙两个高度相同的固定斜面,倾角分别为α1和α2,且α1<α2。质量为m的物体(可视为质点)分别从这两个斜面的顶端由静止沿斜面滑到底端,物体与这两个斜面的动摩擦因数均为μ。关于物体1OAB图1θ图3α1hμm甲α2hμm乙图2P510152025y/m00.2-0.2x/mv两次下滑的全过程,下列说法中正确的是A.重力所做的功相同B.重力的平均功率相同C.动能的变化量相同D.机械能的变化量相同7.一物体静止在光滑的水平桌面上,现对其施加水平力,使它沿水平桌面做直线运动,该物体的速度-时间图像如图4所示。根据图像判断下列说法中正确的是A.0s~6s时间内物体所受水平力的方向始终没有改变B.2s~3s时间内物体做减速运动C.1s末物体距离出发点最远D.1.5s末和2.5s末两个时刻物体的加速度相同8.某载人飞船运行的轨道示意图如图5所示,飞船先沿椭圆轨道1运行,近地点为Q,远地点为P。当飞船经过点P时点火加速,使飞船由椭圆轨道1转移到圆轨道2上运行,在圆轨道2上飞船运行周期约为90min。关于飞船的运行过程,下列说法中正确的是A.飞船在轨道1和轨道2上运动时的机械能相等B.飞船在轨道1上运行经过P点的速度小于经过Q点的速度C.轨道2的半径小于地球同步卫星的轨道半径D.飞船在轨道1上运行经过P点的加速度等于在轨道2上运行经过P点的加速度9.如图6所示,甲同学用手拿着一把长50cm的直尺,并使其处于竖直状态;乙同学把手放在直尺0刻度线位置做抓尺的准备。某时刻甲同学松开直尺,直尺保持竖直状态下落,乙同学看到后立即用手抓直尺,手抓住直尺位置的刻度值为20cm;重复以上实验,乙同学第二次手抓住直尺位置的刻度值为10cm。直尺下落过程中始终保持竖直状态。若从乙同学看到甲同学松开直尺,到他抓住直尺所用时间叫“反应时间”,取重力加速度g=10m/s2。则下列说法中正确的是A.乙同学第一次的“反应时间”比第二次长B.乙同学第一次抓住直尺之前的瞬间,直尺的速度约为4m/sC.若某同学的“反应时间”大于0.4s,则用该直尺将无法用上述方法测量他的“反应时间”D.若将尺子上原来的长度值改为对应的“反应时间”值,则可用上述方法直接测出“反应时间”10.如图7所示,一根...

1、当您付费下载文档后,您只拥有了使用权限,并不意味着购买了版权,文档只能用于自身使用,不得用于其他商业用途(如 [转卖]进行直接盈利或[编辑后售卖]进行间接盈利)。
2、本站所有内容均由合作方或网友上传,本站不对文档的完整性、权威性及其观点立场正确性做任何保证或承诺!文档内容仅供研究参考,付费前请自行鉴别。
3、如文档内容存在违规,或者侵犯商业秘密、侵犯著作权等,请点击“违规举报”。

碎片内容

北京市海淀区2014-2015届高三上学期期中考试物理试题

确认删除?
VIP
微信客服
  • 扫码咨询
会员Q群
  • 会员专属群点击这里加入QQ群
客服邮箱
回到顶部