电脑桌面
添加小米粒文库到电脑桌面
安装后可以在桌面快捷访问

某市红荔路运河大桥施工组织设计方案(DOC29页)VIP专享VIP免费

某市红荔路运河大桥施工组织设计方案(DOC29页)_第1页
1/21
某市红荔路运河大桥施工组织设计方案(DOC29页)_第2页
2/21
某市红荔路运河大桥施工组织设计方案(DOC29页)_第3页
3/21
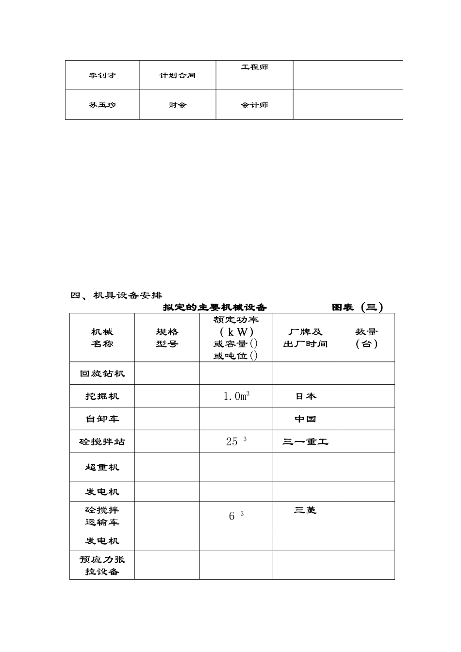
施工组织设计一、工程概况运河桥为()三孔预应力砼斜腿刚构箱梁,位于东莞市红荔路,为直线段,路线前进方向与运河斜交角为度;单向纵坡为;设的双向横坡。主桥上部构造半幅为单箱三室箱梁。桥总宽为 30m ,中间设2cm 缝。桥面布置为*(行车道)*(非机动车道)。桥台采用墙式桥台,下设 2m 厚承台,每半幅桥桥台下设置根120cm 桩,分两排设置。桥台于桥梁外侧设翼墙挡土,台后设 5m长搭板。引道工程有路面工程、挡土墙工程、排水工程等。路面为22cm 厚砼,基层为 30cm 掺水泥石粉。护岸挡墙为钢筋砼挡墙,挡墙基础部份为沉井基础,部份为砼基础。承台施工为水下作业。二、计划工期根据业主要求总工期为天,从 2002-3-15 开工至 2003-1-14 完工。根据我公司的实力,并对该工程详细分析,我公司完全能保证在合同工期内完成,并力求提前完工。三、人员安排公司组织由项目经理、总工组成项目部领导班子,配备足够的施工技术和其它方面管理人员、机械设备、施工队伍,确保工程按期保质完成。拟定的组织机构及人员安排 图表(二)广州市番禺区桥梁开发建设集团公司运河大桥项目部拟为本合同排的主要人员 图表(二)姓名职位职称备注罗韶鸿项目经理工程师唐建国总工工程师宋伏春质检工程师工程师李成健桥梁结构工程师工程师刘军桥梁结构工程师工程师刘健康路面工程师工程师林雪梅试验工程师工程师陈勇机械工程师工程师行政部财务部总工室施工组测量组木工队桩基队钢筋队材料组材料机械组砼施工队杂工组试验组李钊才计划合同工程师苏玉珍财会会计师四、机具设备安排拟定的主要机械设备 图表(三)机械名称规格型号额定功率 (kW)或容量()或吨位()厂牌及出厂时间数量(台)回旋钻机挖掘机1.0m3日本自卸车中国砼搅拌站25 3三一重工超重机发电机砼搅拌运输车6 3三菱发电机预应力张拉设备砼输送泵30 3三一重工钢筋切割机400A. 压路机振动中国装载机3.2m3徐工推土机材料试验、测量、质检仪器设备表联单 图表(四)序号仪器设备名称规格型号单位数量备注砼坍落度筒、尺无锡套良好砼试模×× 无锡个良好全站仪索佳台良好水准仪台良好计量天秤928A台良好沸煮箱型台良好百分表个良好比重计台良好泥浆比重计台良好五、施工方案(一)砼施工.砼拌和采用集中拌和,砼运输车运输,输送泵灌筑。拌和场的拌和能力要考虑到能满足箱梁砼的灌注。不能满足时,考虑向外购买商品砼。拌制砼时,各种衡器应准确,应经常检测骨料的含水量,用于调整用...

1、当您付费下载文档后,您只拥有了使用权限,并不意味着购买了版权,文档只能用于自身使用,不得用于其他商业用途(如 [转卖]进行直接盈利或[编辑后售卖]进行间接盈利)。
2、本站所有内容均由合作方或网友上传,本站不对文档的完整性、权威性及其观点立场正确性做任何保证或承诺!文档内容仅供研究参考,付费前请自行鉴别。
3、如文档内容存在违规,或者侵犯商业秘密、侵犯著作权等,请点击“违规举报”。

碎片内容

某市红荔路运河大桥施工组织设计方案(DOC29页)

确认删除?
VIP
微信客服
  • 扫码咨询
会员Q群
  • 会员专属群点击这里加入QQ群
客服邮箱
回到顶部