电脑桌面
添加小米粒文库到电脑桌面
安装后可以在桌面快捷访问

首钢矿业360烧结机技术协议-YYVIP免费

首钢矿业360烧结机技术协议-YY_第1页
1/9
首钢矿业360烧结机技术协议-YY_第2页
2/9
首钢矿业360烧结机技术协议-YY_第3页
3/9
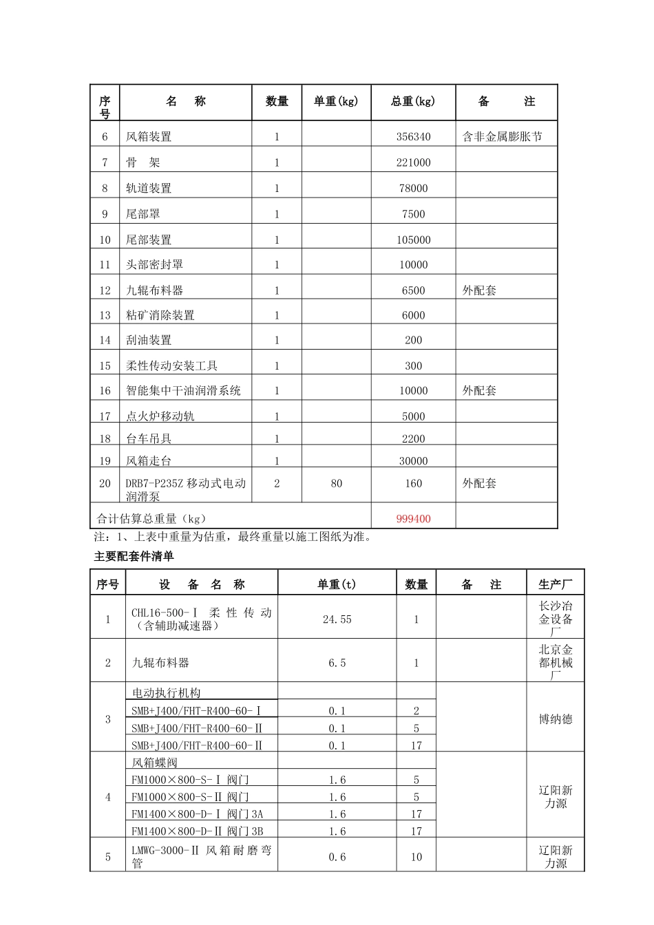
首 钢 矿 业 公 司 烧结技术改造及环境治理项目360m2烧结机 技 术 协 议 书甲方:首钢矿业公司烧结厂 乙方:沈阳重型机器有限责任公司 2007 年 5 月技 术 协 议甲方:首钢矿业公司烧结厂乙方:沈阳重型机器有限责任公司甲乙双方就首钢矿业公司烧结技术改造及环境治理项目 360m2烧结机的设计、制造、质量保证及售后服务达成如下技术协议。总则:1、本技术协议提出的是最低限度的技术要求,并未对一切技术细节做出规定,也未充分引述有关标准和规范的条文,乙方承诺提供功能完善、性能优良,并符合本协议的有关工业标准的优质产品。2、本技术协议所用标准如遇与乙方所执行的标准发生矛盾时,按较高标准执行。3、乙方承诺产品符合国家及行业安全生产及劳动保护要求。一、技术性能参数(1)有效烧结面积: 360 m2(2)台车尺寸: 1.5 m*4.5 m*0.7 m(3)台车运行速度: 1.33-4 m/min(4)烧结机有效烧结长度: 83 m(5)烧结最大料层厚度 680mm (含铺底料) (6)台车数量: 142 台 (7)头尾星轮节圆直径: Ф4136 mm(8)头尾轮中心距: 98.625 m(9)热烧结矿温度: 750~850℃ (10)传动电机功率: 45kW(13)圆辊给料机规格: Ф1350*4620mm (14)曲线九辊布料器: 单辊驱动 (15)驱动方式: 半悬挂柔性传动,电动机变频调速(16)工作场所: 室内(17)工作制度: 连续工作制,作业率 90% 以上技术性能参数如有变更,以双方书面认可的变更参数为准。二、供货范围 序号名 称数量单重(kg)总重(kg)备 注1给料装置1 465002传动装置1 82000 含柔性传动3一号灰斗1 45004二号灰斗1 82005风箱头尾部密封120000外配套序号名 称数量单重(kg)总重(kg)备 注6风箱装置1 356340含非金属膨胀节7骨 架1 2210008轨道装置1 780009尾部罩1750010尾部装置1 10500011头部密封罩1 1000012九辊布料器1 6500外配套13粘矿消除装置1600014刮油装置1 20015柔性传动安装工具1 30016智能集中干油润滑系统110000外配套17点火炉移动轨15000 18台车吊具1220019风箱走台13000020DRB7-P235Z 移动式电动润滑泵280160外配套合计估算总重量(kg)999400注:1、上表中重量为估重,最终重量以施工图纸为准。主要配套件清单序号设 备 名 称单重(t)数量备 注生产厂1CHL16-500-Ⅰ 柔 性 传 动(含辅助减速器)24.551长沙冶金设备厂2九辊布料器6.51北京金都机械厂3电动执行机构 博纳德SMB+J400/FHT-R400-...

1、当您付费下载文档后,您只拥有了使用权限,并不意味着购买了版权,文档只能用于自身使用,不得用于其他商业用途(如 [转卖]进行直接盈利或[编辑后售卖]进行间接盈利)。
2、本站所有内容均由合作方或网友上传,本站不对文档的完整性、权威性及其观点立场正确性做任何保证或承诺!文档内容仅供研究参考,付费前请自行鉴别。
3、如文档内容存在违规,或者侵犯商业秘密、侵犯著作权等,请点击“违规举报”。

碎片内容

首钢矿业360烧结机技术协议-YY

您可能关注的文档

金钥匙书屋+ 关注
实名认证
内容提供者

热爱教育事业,爱好互联网行业

确认删除?
VIP
微信客服
  • 扫码咨询
会员Q群
  • 会员专属群点击这里加入QQ群
客服邮箱
回到顶部