电脑桌面
添加小米粒文库到电脑桌面
安装后可以在桌面快捷访问

01酒萸肉工艺验证方案VIP免费

01酒萸肉工艺验证方案_第1页
1/38
01酒萸肉工艺验证方案_第2页
2/38
01酒萸肉工艺验证方案_第3页
3/38
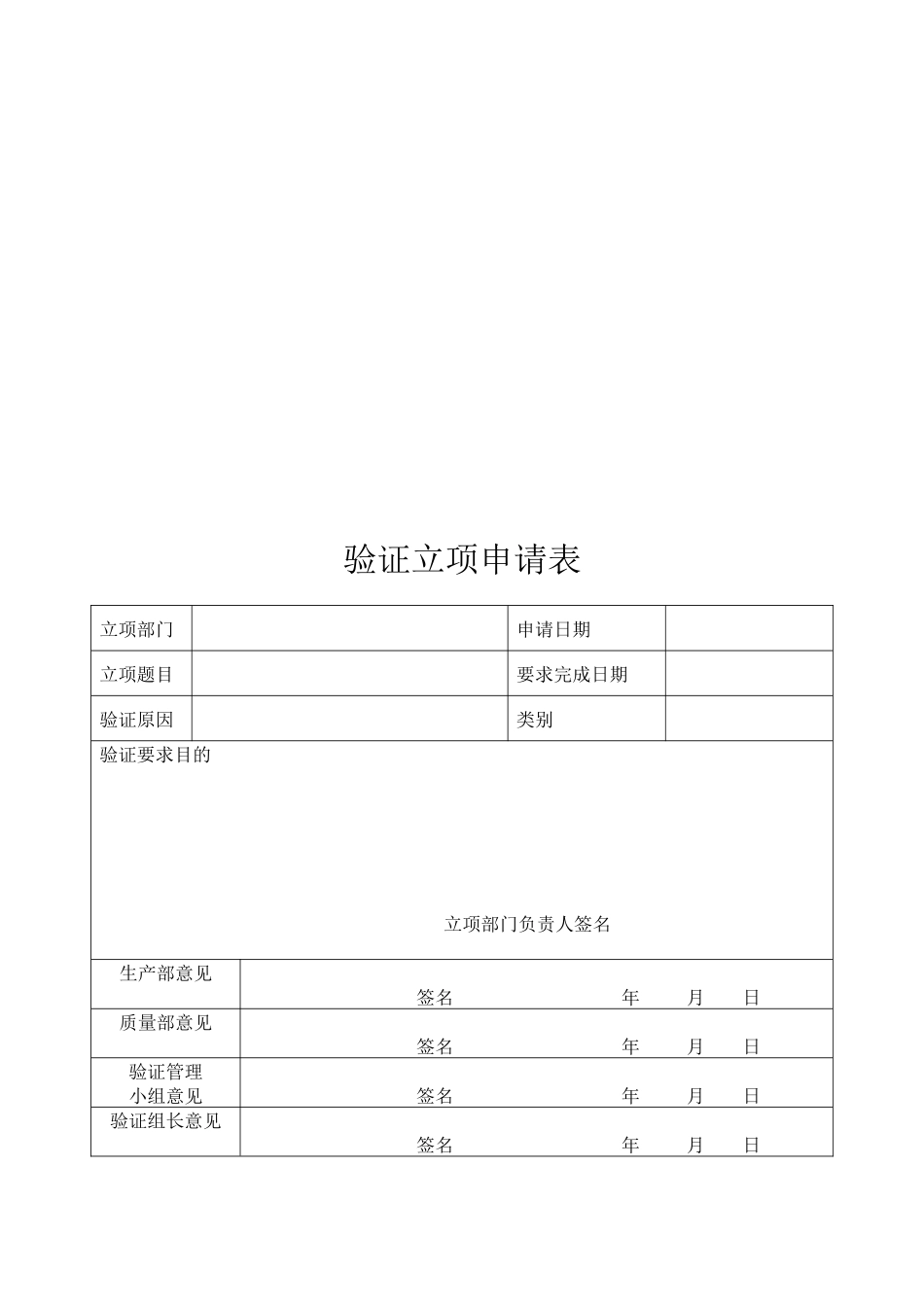
产品工艺验证文件文 件 编 号:TS-51-001品 名:酒萸肉验证立项申请表 立项部门申请日期立项题目 要求完成日期验证原因类别验证要求目的 立项部门负责人签名 生产部意见 签名 年 月 日 质量部意见签名 年 月 日验证管理小组意见签名 年 月 日验证组长意见签名 年 月 日指定编制验证方案部门及人员编制验证方案要求及完成日期验证完成要求及日期验证小组签名 年 月 日备注参加验证人员姓 名所在部门职务/职称验证分工生产部负责人组 长生产部工艺技术员工艺设计生产部设备负责人确保设备正常质量部质量部负责人过程监督中心化验室化验室负责人质量检测其 它验证方案审批表 编号:SMP-06-001-b 审批程序部门负责人签名日期备注起草审生产部核质量部设备部中心化验室验证管理部门批 准验证组长: 日期: 年 月 日备注 验 证 文 件 题 目酒萸肉工艺验证方案编 码TS-51-001页 码第 页/共 页起草 人年 月 日 审 核 人 年 月 日批准 人批准日期 年 月 日目 录1、验证目的2、验证依据3、产品及工艺概述4、工艺流程图5、验证范围及验证项目6、工艺验证6.1 原料验证:6.2 净制(挑选)工艺验证6.3 闷润、蒸制工艺验证6.4 干燥工艺验证6.5 包装工艺验证6.6 成品工艺验证6.7 批记录检验7、漏项和偏差及处理8、验证结论9、综合评价10、验证报告1.验证目的验证酒萸肉生产工艺在车间指导生产的可行性和重现性。2 .验证依据《中华人民共和国药典》2010 年版一部酒萸肉生产工艺规程中药饮片酒萸肉成品质量标准中药饮片酒萸肉半成品质量标准3.产品及工艺概述3.1 产品概述3.1.1 山茱萸药材:产品来源:本品为山茱萸科植物山茱萸 Cornus officinalis Sieb. Et Zucc.的干燥成熟果肉。秋末冬初果皮变红时采收果实,用文火烘或置沸水中略烫后,及时除去果核,干燥。 产地:主产于浙江,河南。 产品特点(性状): 本品呈不规则的片状或囊状,长 1~1.5cm,宽 0.5~1cm。表面紫红色至紫黑色,皱缩,有光泽。顶端有的有圆形宿萼痕,基部有果梗痕。质柔软。气微,味酸、涩、微苦。作用和用途:补益肝肾,涩精固脱。用于眩晕耳鸣,腰膝酸痛,阳痿遗精,遗尿尿频,崩漏带下,大汗虚脱,内热消渴。。用法与用量:6~12g。贮藏:置通风干燥处,防霉,防蛀。炮制历史沿革:南北朝刘宋时代有熬制,宋代有麸炒,酒浸取肉,微炒,烤制,火炮等法,元代有微烧,酒蒸的方法,明代有“酒浸良久,取肉去核”酒...

1、当您付费下载文档后,您只拥有了使用权限,并不意味着购买了版权,文档只能用于自身使用,不得用于其他商业用途(如 [转卖]进行直接盈利或[编辑后售卖]进行间接盈利)。
2、本站所有内容均由合作方或网友上传,本站不对文档的完整性、权威性及其观点立场正确性做任何保证或承诺!文档内容仅供研究参考,付费前请自行鉴别。
3、如文档内容存在违规,或者侵犯商业秘密、侵犯著作权等,请点击“违规举报”。

碎片内容

01酒萸肉工艺验证方案

您可能关注的文档

确认删除?
VIP
微信客服
  • 扫码咨询
会员Q群
  • 会员专属群点击这里加入QQ群
客服邮箱
回到顶部