电脑桌面
添加小米粒文库到电脑桌面
安装后可以在桌面快捷访问

2-5-1大型机械控制VIP免费

2-5-1大型机械控制_第1页
1/72
2-5-1大型机械控制_第2页
2/72
2-5-1大型机械控制_第3页
3/72
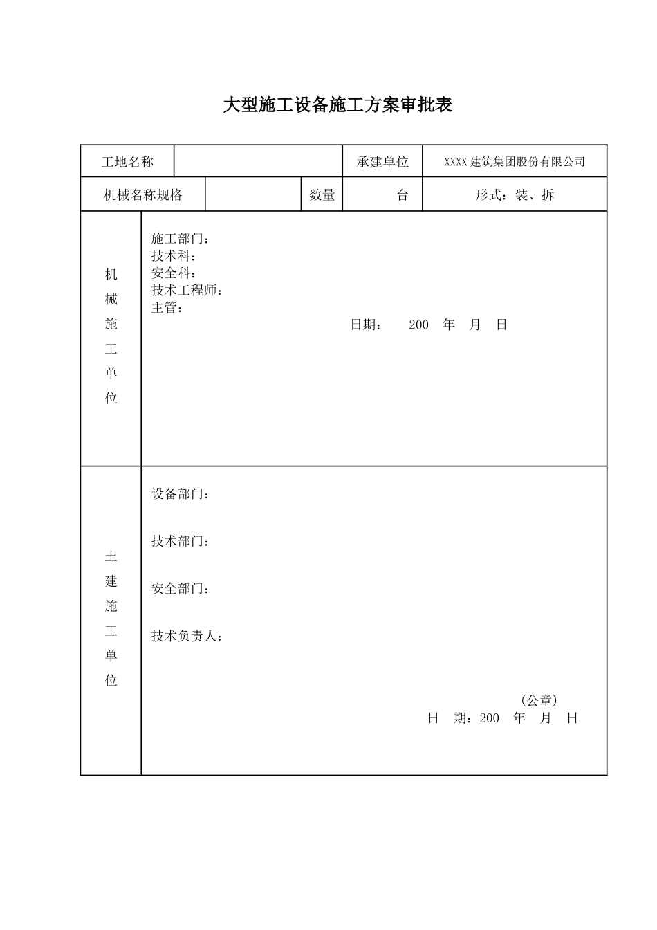
目 录大型机械(装拆)施工方案申报审批表大型机械(装拆)施工方案大型机械安装前的检查记录表基础验收资料隐蔽工程验收记录基础砼试块检测报告厂家生产许可证大型机械出厂合格证施工升降机防坠器合格证机械使用说明书安装单位资质证书与分包安装单位的安全协议书装拆人员操作证大型机械装拆的安全技术交底安装过程的检验记录安装过程安全监控记录表上回转塔式起重机安装(加节)验收记录表续下回转塔式起重机安装验收记录表续施工升降机安装(加节)验收记录表建设机械检测中心的检测报告建设机械检测中心的检测合格证大型机械操作人员的操作证大型机械的运转、点检记录施工升降机每三个月一次空载升降的试验记录大型施工设备施工方案审批表工地名称承建单位XXXX 建筑集团股份有限公司机械名称规格数量 台形式:装、拆机械施工单位施工部门:技术科:安全科:技术工程师:主管:日期: 200 年 月 日土建施工单位设备部门:技术部门:安全部门:技术负责人: (公章) 日 期:200 年 月 日大型机械(装拆)施工方案目 录塔式起重机安装方案塔式起重机拆卸方案SCD200/200 施工升降机安装方案SCD200/200 施工升降机拆卸方案××市××建筑安装工程有限公司塔式起重机安装方案目 录一、工程概况……………………………………………………………………………………()二、现场勘察……………………………………………………………………………………()三、准备工作……………………………………………………………………………………()四、人员分工、职责……………………………………………………………………………()五、安全注意事项………………………………………………………………………………()六、安全技术交底记载…………………………………………………………………………()七、安装程序……………………………………………………………………………………()八、顶升高接程序………………………………………………………………………………()九、安装地点……………………………………………………………………………………()十、安装日期……………………………………………………………………………………()十一、附墙作业…………………………………………………………………………………()表 1 塔式起重机安装前检查记录表表 2 塔式起重机基础验收记录表表 3 安装过程检验记录表一、工程概况...

1、当您付费下载文档后,您只拥有了使用权限,并不意味着购买了版权,文档只能用于自身使用,不得用于其他商业用途(如 [转卖]进行直接盈利或[编辑后售卖]进行间接盈利)。
2、本站所有内容均由合作方或网友上传,本站不对文档的完整性、权威性及其观点立场正确性做任何保证或承诺!文档内容仅供研究参考,付费前请自行鉴别。
3、如文档内容存在违规,或者侵犯商业秘密、侵犯著作权等,请点击“违规举报”。

碎片内容

2-5-1大型机械控制

您可能关注的文档

确认删除?
VIP
微信客服
  • 扫码咨询
会员Q群
  • 会员专属群点击这里加入QQ群
客服邮箱
回到顶部