电脑桌面
添加小米粒文库到电脑桌面
安装后可以在桌面快捷访问

模具设计工业标准VIP免费

模具设计工业标准_第1页
1/39
模具设计工业标准_第2页
2/39
模具设计工业标准_第3页
3/39
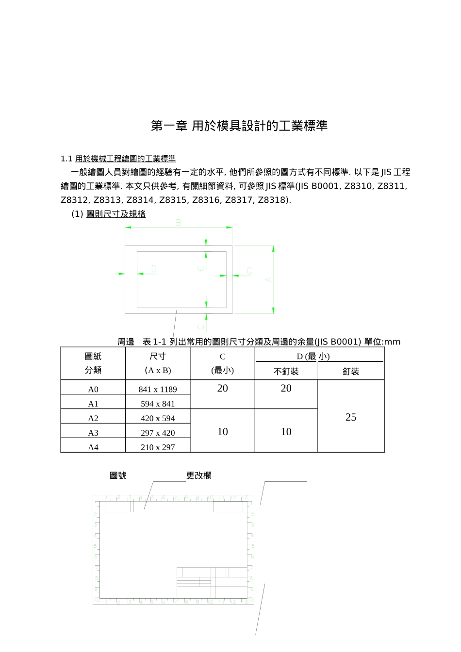
第一章 用於模具設計的工業標準1.1 用於機械工程繪圖的工業標準 一般繪圖人員對繪圖的經驗有一定的水平, 他們所參照的圖方式有不同標準. 以下是 JIS 工程繪圖的工業標準. 本文只供參考, 有關細節資料, 可參照 JIS 標準(JIS B0001, Z8310, Z8311, Z8312, Z8313, Z8314, Z8315, Z8316, Z8317, Z8318). (1) 圖則尺寸及規格 周邊表 1-1 列出常用的圖則尺寸分類及周邊的余量(JIS B0001) 單位:mm圖紙分類 尺寸(A x B)C(最小)D (最不釘裝小) 釘裝 A0841 x 11892020A1594 x 841A2420 x 59425A3297 x 4201010A4210 x 297 圖號 更改欄 圖則資料; 如公司名稱, 物料... 圖 1-1 圖紙格式 (Z8311) (2) 圖則比例 圖則比例的表示方法為: A:B A: 在圖則上的繪劃之尺寸. B: 物件的真實尺寸. 例: 圖則比例縮小 -- 1:2 (與真實尺寸小一半) 圖則比例相同 -- 1:1 (與真實相同大小) 圖則比例放大 -- 5:1 (比真實尺寸大五倍) (3) 線段的分類 表 1-2 綜合列出了不同的線段種類及應用作為參考之用. 表 1-2 不同類別線段之使用 ( JIS Z8312 ) 線段類別名稱用途粗實線表示物體可見的輪廓幼實線尺寸線尺寸界線部面線符號或文字指示簡單的中心線 虛線表示物體隱藏的輪廓點劃線表示圖形的中心表示物件移動時中心位置粗點劃線表示物體的某部份位置需要作特別的處理,如:蝕紋,噴砂等.雙點劃線表示主體附近的假想物件表示夾具的定位位置和定位物件表示物件加工前和加工後的部份表示重複的物體部份徒手線斷裂處的邊界線曲折線物體的其中的某部份 剖面位置切線表示切割剖面的位置 剖面切線表示已切割的剖面 例 1: 多種線段例圖 1 粗實線 8 徒手線 2 曲折線 9 點劃線 3 剖面切線 10 幼實線 4 粗實線 11 雙點劃線 5 幼實線 12 幼實線 6 虛線 13 幼實線 7 剖面位置切線 例 2: 表示附近配合物件 雙點划線 例 3: R 的中心尺寸及位置 雙點劃線 例 4: 表示屈曲前尺寸 點劃線 雙點劃線 例 5: 表示延長物件 雙點劃線 (4) 文字的使用 圖 1-2 為常用的文字格式及尺寸可供參考使用(非 1:1 比例) 高 9mm 1 2 3 4 5 6 7 8 9 0 高 4.5mm 1 2 3 4 5 6 7 8 9 0 高 6.3mm A B C D E F G H I J K L M N O P Q R S T U V W X Y Z a b c d e f g h i j k l m n o p q r s t u...

1、当您付费下载文档后,您只拥有了使用权限,并不意味着购买了版权,文档只能用于自身使用,不得用于其他商业用途(如 [转卖]进行直接盈利或[编辑后售卖]进行间接盈利)。
2、本站所有内容均由合作方或网友上传,本站不对文档的完整性、权威性及其观点立场正确性做任何保证或承诺!文档内容仅供研究参考,付费前请自行鉴别。
3、如文档内容存在违规,或者侵犯商业秘密、侵犯著作权等,请点击“违规举报”。

碎片内容

模具设计工业标准

确认删除?
VIP
微信客服
  • 扫码咨询
会员Q群
  • 会员专属群点击这里加入QQ群
客服邮箱
回到顶部