电脑桌面
添加小米粒文库到电脑桌面
安装后可以在桌面快捷访问

精密机械课程设计模板VIP免费

精密机械课程设计模板_第1页
1/27
精密机械课程设计模板_第2页
2/27
精密机械课程设计模板_第3页
3/27
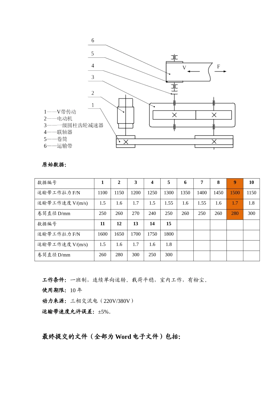
(课程设计) 题 目 带式运输机传动装置设计 学生姓名 学 号 学 院 信息与控制学院专 业 测控技术与仪器指导教师 张 永 宏二O一一 年 六 月 目 一、精密机械课程设计任务书.……………………………….2二、精密机械课程设计说明书……………………………… 21 传动方案拟定…………….……………………………….22 电动机的选择……………………………………….…….23 计算总传动比及分配各级的传动比……………….…….44 运动参数及动力参数计算………………………….…….55 传动零件的设计计算………………………………….….66 轴的设计计算………………………………………….....127 滚动轴承的选择及校核计算………………………….…188 键联接的选择及计算………..……………………………229 设计小结…………………………………………………..2310 参考资料目录……………………………………………..23三、设计图纸…………………………………………26精密机械课程设计任务书班级 姓名设计题目:带式运输机传动装置设计布置形式:设计用于带式运输机的一级直齿圆柱齿轮减速器传动简图如下:原始数据:数据编号12345678910运输带工作拉力 F/N1100115012001250130013501400145015001150运输带工作速度 V/(m/s)1.51.61.71.51.551.61.551.61.71.8卷筒直径 D/mm250260270240250260250260280300数据编号1112131415运输带工作拉力 F/N16001650170017501800运输带工作速度 V/(m/s)1.51.61.71.61.8卷筒直径 D/mm260280300250300工作条件:一班制,连续单向运转。载荷平稳,室内工作,有粉尘。使用期限:10 年动力来源:三相交流电(220V/380V)运输带速度允许误差:±5%。最终提交的文件(全部为 Word 电子文件)包括: 精密机械课程设计任务书(一份); 精密机械课程设计说明书(一份); 设计图纸(两张零件图—大齿轮以及与大齿轮相连的轴)。要求完成日期:本学期结束前设计计算说明书一、传动方案拟定设计单级圆柱齿轮减速器和一级带传动(1) 工作条件:使用年限 8 年,工作为单F=1500N班工作制,载荷平稳,环境清洁。(2) 原 始 数 据 : 运 输 带 工 作 拉 力F=1500N;带速 V=1.7m/s;滚 筒 直 径 D=280mm ; 滚 筒 长 度L=500mm。二、电动机选择1、电动机类型的选择: Y 系列三相异步电动机2、电动机功率选择:(1)传动装置的总功率:η 总=η 带×η2...

1、当您付费下载文档后,您只拥有了使用权限,并不意味着购买了版权,文档只能用于自身使用,不得用于其他商业用途(如 [转卖]进行直接盈利或[编辑后售卖]进行间接盈利)。
2、本站所有内容均由合作方或网友上传,本站不对文档的完整性、权威性及其观点立场正确性做任何保证或承诺!文档内容仅供研究参考,付费前请自行鉴别。
3、如文档内容存在违规,或者侵犯商业秘密、侵犯著作权等,请点击“违规举报”。

碎片内容

精密机械课程设计模板

确认删除?
VIP
微信客服
  • 扫码咨询
会员Q群
  • 会员专属群点击这里加入QQ群
客服邮箱
回到顶部