电脑桌面
添加小米粒文库到电脑桌面
安装后可以在桌面快捷访问

国弘QTZ40020吨塔机移位方案VIP免费

国弘QTZ40020吨塔机移位方案_第1页
1/16
国弘QTZ40020吨塔机移位方案_第2页
2/16
国弘QTZ40020吨塔机移位方案_第3页
3/16
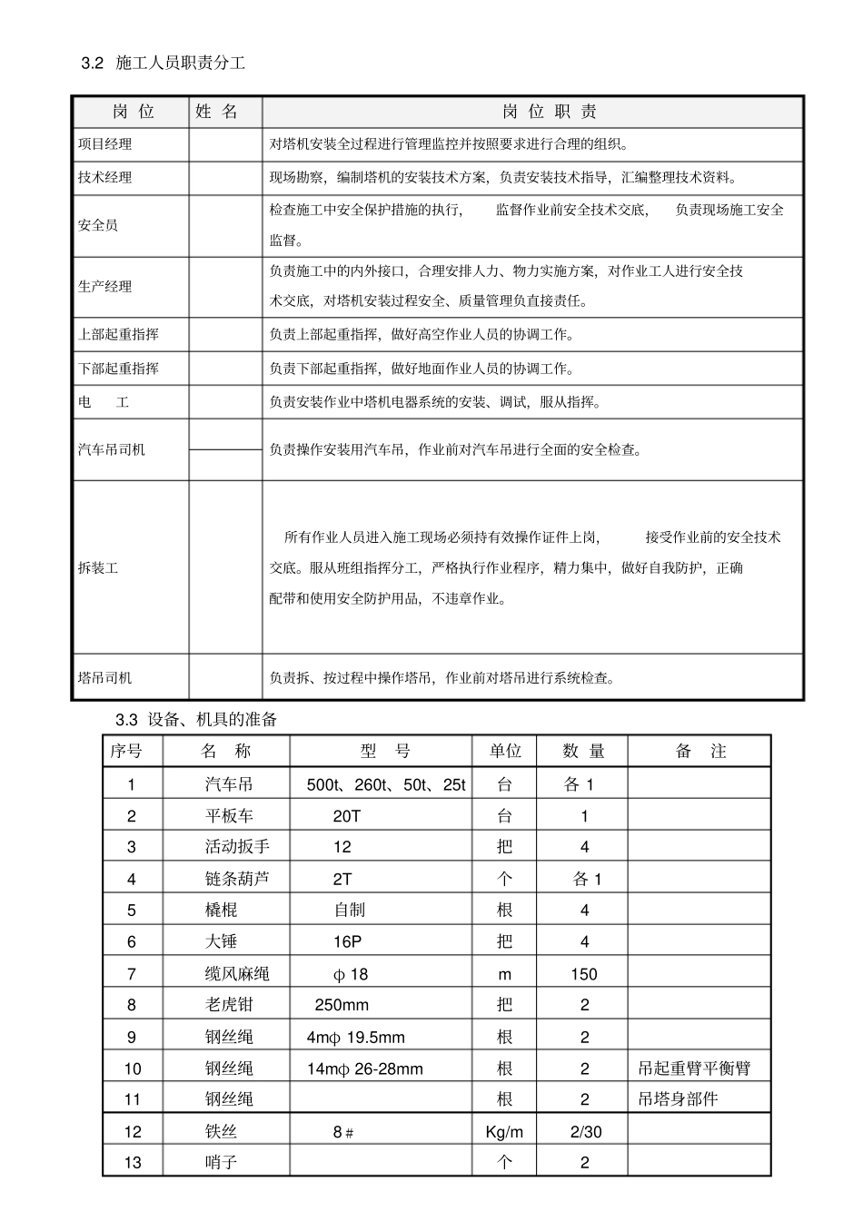
QTZ400 塔机移位方案1. 编制及依据本(固定)自升式塔式起重机安装施工组织设计是依据该塔机生产厂家山东国弘重工机械有限公司生产的QTZ400 塔机《安拆使用说明书》等技术文件及国标有关安全技术标准、规程进行编制。为确保塔机移位施工的安全与质量,在全施工过程中应认真参照本方案执行。本方案其他未尽事宜,应遵循参照国家有关技术标准、安全技术规程执行。(1) 根据 QTZ400《塔吊使用说明书》的要求(2)《塔式起重机操作使用规程》JG/T100-1999 (3)《塔式起重机安全规程》GB5144— 2006 (4)《建筑机械使用安全技术规程》JGJ33-2001 (5)施工现场实际情况、环境条件施工 /编制单位:淄博源泰设备租赁有限公司2. 设备概况QTZ400 型,20 吨塔机,高度 91m(钩下),14 个标准节,附着高度51m。各主要部件参数如下:名称数量L I H P(kg) 横梁2 85540 630 550 1406 十字粱1 11924 1120 565 2165 半梁2 5625 1120 565 1049 基础节1 2695 2695 6000 8000 拉杆4 5520 440 370 835 支承杆4 2843 170 160 115 压重支承4650 360 660 620 下十字粱1 2340 2340 830 1864 内塔节1 2280 2280 12000 10900 标准塔身节1 2695 2695 6000 6814 平衡臂根节1 11500 2100 2350 8074 平衡臂中节1 11200 1900 2300 4631 平衡臂端节1 3500 2500 3000 1420 滑轮支架1 2150 2000 560 890 带轮架的拉杆1 6860 1000 500 740 回转上、下支座1 2800 3100 3000 9700 司机室1 2800 2400 4100 1200 塔头斜撑1 2400 2070 8000 3800 起重臂第一段1 10350 1900 1875 2766 起重臂第二段1 10350 1900 1800 2365 起重臂第三段1 10350 1900 1750 2399 5m 臂节(用于组合35m、45m 臂)1 5200 1900 1750 1297 起重臂第四段1 10350 1900 1750 2052 起重臂第五段1 10350 1900 2000 1961 起重臂第六段1 10350 1900 1750 1641 起重臂第七段1 10350 1900 1750 1525 起重臂前段1 700 2050 2250 273 变幅小车1 2690 2300 1250 856 检修用吊笼1 2200 700 2050 50 吊钩、滑轮组1 1500 470 3140 557 变幅机构1 860 1540 530 483 变频变幅机构1 860 1540 530 483 液压泵站总成1 590 500 1080 206 油缸1 2180 240 200 330 起升机构1 3228 2477 1440 4700 回转机构2 850 470 650 300 平衡...

1、当您付费下载文档后,您只拥有了使用权限,并不意味着购买了版权,文档只能用于自身使用,不得用于其他商业用途(如 [转卖]进行直接盈利或[编辑后售卖]进行间接盈利)。
2、本站所有内容均由合作方或网友上传,本站不对文档的完整性、权威性及其观点立场正确性做任何保证或承诺!文档内容仅供研究参考,付费前请自行鉴别。
3、如文档内容存在违规,或者侵犯商业秘密、侵犯著作权等,请点击“违规举报”。

碎片内容

国弘QTZ40020吨塔机移位方案

您可能关注的文档

确认删除?
VIP
微信客服
  • 扫码咨询
会员Q群
  • 会员专属群点击这里加入QQ群
客服邮箱
回到顶部