电脑桌面
添加小米粒文库到电脑桌面
安装后可以在桌面快捷访问

基坑支护课程设计报告书VIP免费

基坑支护课程设计报告书_第1页
1/35
基坑支护课程设计报告书_第2页
2/35
基坑支护课程设计报告书_第3页
3/35
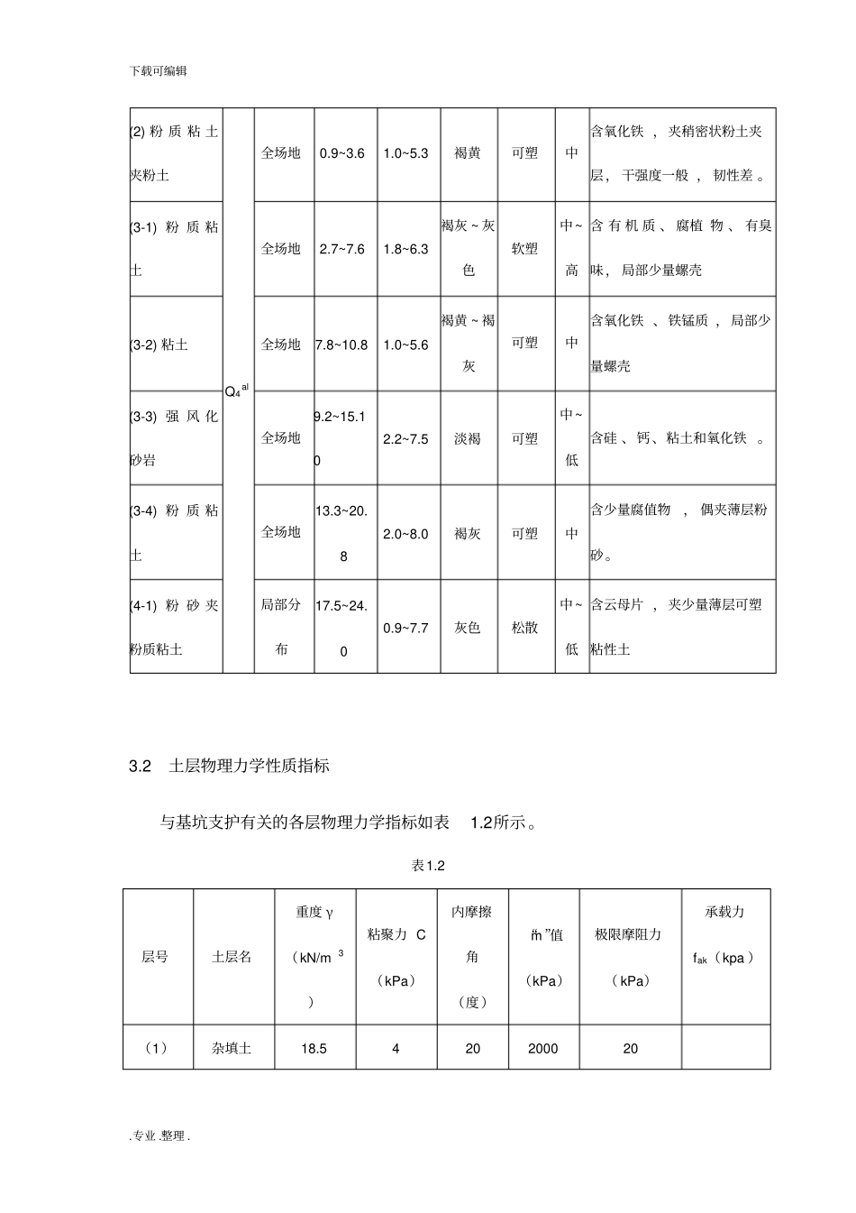
下载可编辑.专业 .整理 . 深基坑课程设计XX 大厦基坑支护工程班级 :土木 1001 班姓名 :尹普才学号 :201008141030指导教师 :杨泰华日期 : 2013 年 12 月 31 日下载可编辑.专业 .整理 . 工程概况及周边环境状况说明1 设计项目如:xx 大厦基坑支护工程2 建设地点东南某市3 设计基本资料3.1 地层划分根据岩土工程勘察报告按成因类型及地质特征将场地地层情况划分如下:表 1.1 层号及名称地层年代及成因分布范围层面埋深(m) 地层一般厚度(m) 颜色状态及密度压缩性包含物及其它特征(1)杂填土Qml全场地0.9~3.6 杂松散由碎石 、砖块及粘性土组成下载可编辑.专业 .整理 . (2) 粉 质 粘 土夹粉土Q4al全场地0.9~3.6 1.0~5.3 褐黄可塑中含氧化铁 ,夹稍密状粉土夹层, 干强度一般 , 韧性差 。(3-1) 粉 质 粘土全场地2.7~7.6 1.8~6.3 褐灰 ~ 灰色软塑中~高含 有 机 质 、 腐植 物 、 有臭味, 局部少量螺壳(3-2) 粘土全场地7.8~10.8 1.0~5.6 褐黄 ~ 褐灰可塑中含氧化铁 、铁锰质 ,局部少量螺壳(3-3) 强 风 化砂岩全场地9.2~15.10 2.2~7.5 淡褐可塑中~低含硅 、钙、粘土和氧化铁 。(3-4) 粉 质 粘土全场地13.3~20.8 2.0~8.0 褐灰可塑中含少量腐值物, 偶夹薄层粉砂。(4-1) 粉 砂 夹粉质粘土局部分布17.5~24.0 0.9~7.7 灰色松散中~低含云母片 ,夹少量薄层可塑粘性土3.2 土层物理力学性质指标与基坑支护有关的各层物理力学指标如表1.2所示 。表1.2 层号土层名重度 γ(kN/m3)粘聚力 C (kPa)内摩擦角(度)“m ”值(kPa)极限摩阻力( kPa)承载力fak(kpa )(1)杂填土18.5 4 20 2000 20 下载可编辑.专业 .整理 . (2)粉质粘土夹粉土18.8 21 11.2 3500 40 180 (3-1)粉质粘土17.0 15 7 2000 40 130 (3-2)粘土17.5 22 11.6 4000 35 240 (3-3)强风化砂岩20 32 27 8000 70 ( 3-4 )粉质粘土18.8 11.8 4000 35 一层土层厚 :2m,基坑开挖深度 6m;二层土层厚 :依次为 3m ;其余土层各组均取 :粉质粘土 6 米;粘土 5m ;强分化砂岩 5m ;3.3 地下水本场地地下水可分为二类型:上层为赋存于 (1-1) 杂填土层中的上层滞水,其水位 、水量随季节变化 ,主要受大气降水 、生活排放水渗透补给,下层为赋存于砂土层中的承压水,水量较丰富 ;本次勘察期间 ,在 40# 孔测得其承压水头埋...

1、当您付费下载文档后,您只拥有了使用权限,并不意味着购买了版权,文档只能用于自身使用,不得用于其他商业用途(如 [转卖]进行直接盈利或[编辑后售卖]进行间接盈利)。
2、本站所有内容均由合作方或网友上传,本站不对文档的完整性、权威性及其观点立场正确性做任何保证或承诺!文档内容仅供研究参考,付费前请自行鉴别。
3、如文档内容存在违规,或者侵犯商业秘密、侵犯著作权等,请点击“违规举报”。

碎片内容

基坑支护课程设计报告书

您可能关注的文档

确认删除?
VIP
微信客服
  • 扫码咨询
会员Q群
  • 会员专属群点击这里加入QQ群
客服邮箱
回到顶部