电脑桌面
添加小米粒文库到电脑桌面
安装后可以在桌面快捷访问

自动泡罩包装机(DPT-130)验证方案VIP免费

自动泡罩包装机(DPT-130)验证方案_第1页
1/9
自动泡罩包装机(DPT-130)验证方案_第2页
2/9
自动泡罩包装机(DPT-130)验证方案_第3页
3/9
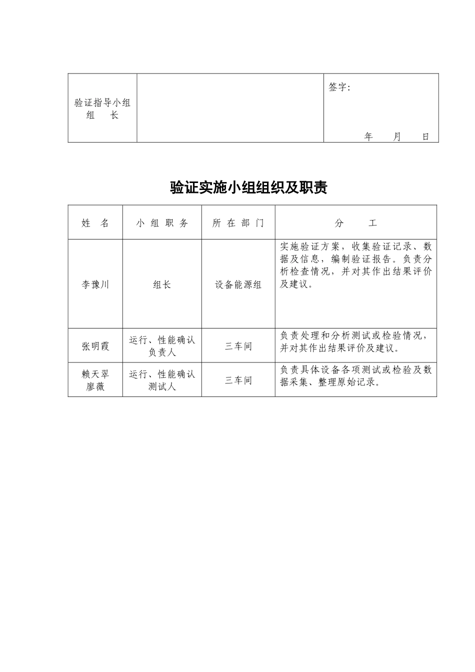
自动泡罩包装机(DPT-130)验证方案设备编号:GS98060172验证编号:YZ0303(017-01)-06方案批准:批准日期: 年 月 日归档日期: 年 月 日成都地奥集团天府药业股份有限公司验证方案会审、批准表验证方案起草起 草 人签字: 年 月 日 验证方案会审生产技术部会审意见签字: 年 月 日 质量监督检验部会审意见签字: 年 月 日 其他人员会审意见签字: 年 月 日 验证专业组组长会审意见签字: 年 月 日 验证方案批准验证专业组组 长签字: 年 月 日 验证指导小组组 长签字: 年 月 日 验证实施小组组织及职责姓 名小 组 职 务所 在 部 门分 工李豫川组长设备能源组实施验证方案,收集验证记录、数据及信息,编制验证报告。负责分析检查情况,并对其作出结果评价及建议。张明霞运行、性能确认负责人三车间负责处理和分析测试或检验情况,并对其作出结果评价及建议。赖天翠廖薇运行、性能确认测试人三车间负责具体设备各项测试或检验及数据采集、整理原始记录。目 录1、引言1.1 概述1.2 验证目的2、预确认2.1 产品的选择2.2 厂商的选择2.3 预确认文件检查3、安装确认3.1 文件资料的检查3.2 设备的检查3.2.1 主要部件确认3.2.2 附件确认3.3 使用条件确认3.4 润滑保养确认3.5 安全防护确认4、运行确认4.1 仪器仪表的确认4.2 控制系统的确认4.3 操作单元运行参数确认5、性能确认5.1 试生产的控制条件确认5.2 热封效果测试6、报告与评价6.1 设备验证结果评价及建议6.2 总体评价1、引言:1.1 该自动泡罩包装机概述:产品剂型为: 胶囊剂、片剂产品规格为: 12 片/板或 12 粒/板生产厂家为: 锦州欧仕包装机械有限公司设备型号为: DPT130 型最大能力为: 100 板/分生产程序包括: 泡罩成形→上料→铝塑热封→打批号→冲载→成品清洁方式为: 拆卸清洁、辅以在线清洁控制方式为: 全自动控制与药品接触的材质为: 不锈钢安装位置为: 固体制剂车间铝塑包装间1.2 验证的目的:1.2.1 检查并确认泡罩包装机选型、安装符合设计要求,资料和文件符合 GMP的管理要求。1.2.2 检查并确认该泡罩包装机的运行性能,确认该机各技术参数均达到设计要求,确认产品不会被机器污染。2、预确认:为了选择到经济实用的设备,达到全面符合 GMP 的要求,公司对该设备的考察、选型、购买全过程进行了严格的管理。2.1 产品的选择:自动泡罩包装机是制药行业常用的包装设备,可适应多种剂型的...

1、当您付费下载文档后,您只拥有了使用权限,并不意味着购买了版权,文档只能用于自身使用,不得用于其他商业用途(如 [转卖]进行直接盈利或[编辑后售卖]进行间接盈利)。
2、本站所有内容均由合作方或网友上传,本站不对文档的完整性、权威性及其观点立场正确性做任何保证或承诺!文档内容仅供研究参考,付费前请自行鉴别。
3、如文档内容存在违规,或者侵犯商业秘密、侵犯著作权等,请点击“违规举报”。

碎片内容

自动泡罩包装机(DPT-130)验证方案

海纳百川+ 关注
实名认证
内容提供者

热爱教学事业,对互联网知识分享很感兴趣

确认删除?
VIP
微信客服
  • 扫码咨询
会员Q群
  • 会员专属群点击这里加入QQ群
客服邮箱
回到顶部