电脑桌面
添加小米粒文库到电脑桌面
安装后可以在桌面快捷访问

污水回用工程施工组织设计方案(DOC173页)VIP免费

污水回用工程施工组织设计方案(DOC173页)_第1页
1/159
污水回用工程施工组织设计方案(DOC173页)_第2页
2/159
污水回用工程施工组织设计方案(DOC173页)_第3页
3/159
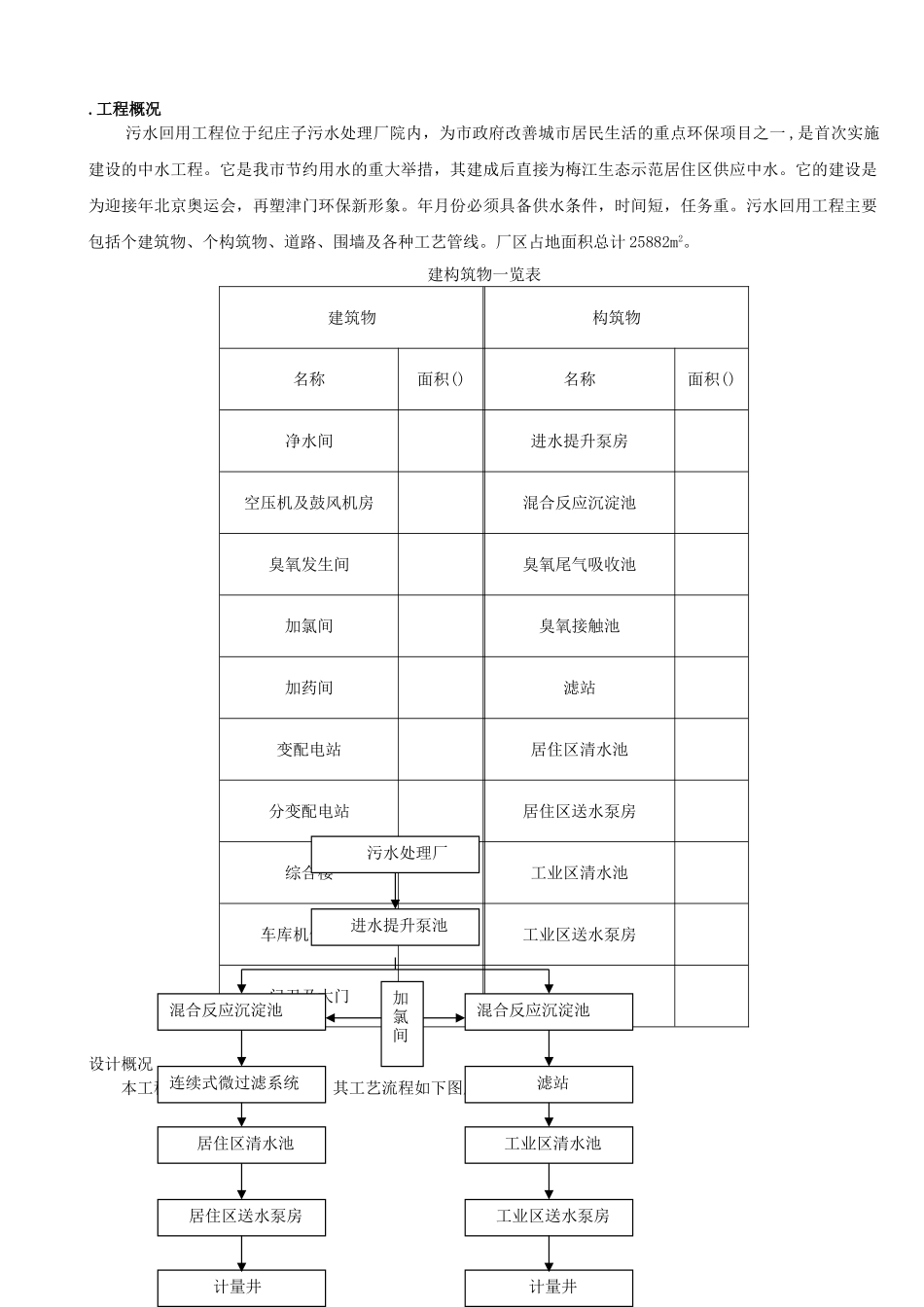
目 录1.工程概况2.施工准备工作计划3.施工组织及部署4.单位工程施工方法及技术措施.构筑物.. 进水提升泵池.. 混合反应沉淀池.. 臭氧尾气吸收池.. 臭氧接触池.. 居住区清水池.. 居住区送水泵房.. 滤站.. 工业区清水区.. 工业区送水泵房. 建筑物.. 综合楼(三层框架结构).. 净水间.. (单层框架结构)变配电站、分变配电站、加药间、加氯间、臭氧发生间、鼓风机房、车库机修的施工方法及技术措施5.主要分部分项工程施工工艺及质量标准. 测量放线. 灌注桩. 搅拌桩. 钢筋工程. 模板工程. 砼工程. 砌砖. 予留予埋工程. 装修工程6.质量保证措施7.文明施工及环境保护措施8.安全施工保证措施9.雨季施工措施10. 施工进度计划11. 主要材料周转材计划12. 机械设备计划13. 劳动力计划14. 清淤方案15. 施工现场平面布置图16. 电气施工方案17. 水暖施工方案18. 管道施工方案.工程概况污水回用工程位于纪庄子污水处理厂院内,为市政府改善城市居民生活的重点环保项目之一 ,是首次实施建设的中水工程。它是我市节约用水的重大举措,其建成后直接为梅江生态示范居住区供应中水。它的建设是为迎接年北京奥运会,再塑津门环保新形象。年月份必须具备供水条件,时间短,任务重。污水回用工程主要包括个建筑物、个构筑物、道路、围墙及各种工艺管线。厂区占地面积总计 25882m2。建构筑物一览表建筑物构筑物名称面积()名称面积()净水间进水提升泵房空压机及鼓风机房混合反应沉淀池臭氧发生间臭氧尾气吸收池加氯间臭氧接触池加药间滤站变配电站居住区清水池分变配电站居住区送水泵房综合楼工业区清水池车库机修仓库工业区送水泵房门卫及大门设计概况 本工程为污水再生回用工程,其工艺流程如下图所示: 污水处理厂 进水提升泵池混合反应沉淀池混合反应沉淀池连续式微过滤系统加氯间 滤站 居住区清水池 居住区送水泵房 工业区清水池 工业区送水泵房 计量井 计量井 其个构建筑物的设计概况如下表所示:编号名称进水提升泵池混合反应沉淀池净水间空压机及鼓风机房臭氧发生间臭氧尾气吸收池臭氧接触池滤站加氯间加药间桩数量桩顶标高桩长单桩承载标准值()底板下皮标高(绝对)顶板上皮标高(绝对)地下埋深构筑物面积()构筑长宽物尺寸高结构形式砼结构框架轻钢框架框架砼结构砼结构框架与轻钢框架框架主体混凝土标号编号名称 居住区清水池居住区送水泵房工业区清水池工业区送水泵房变配电...

1、当您付费下载文档后,您只拥有了使用权限,并不意味着购买了版权,文档只能用于自身使用,不得用于其他商业用途(如 [转卖]进行直接盈利或[编辑后售卖]进行间接盈利)。
2、本站所有内容均由合作方或网友上传,本站不对文档的完整性、权威性及其观点立场正确性做任何保证或承诺!文档内容仅供研究参考,付费前请自行鉴别。
3、如文档内容存在违规,或者侵犯商业秘密、侵犯著作权等,请点击“违规举报”。

碎片内容

污水回用工程施工组织设计方案(DOC173页)

墨香书阁+ 关注
实名认证
内容提供者

热爱教学事业,对互联网知识分享很感兴趣

确认删除?
VIP
微信客服
  • 扫码咨询
会员Q群
  • 会员专属群点击这里加入QQ群
客服邮箱
回到顶部