电脑桌面
添加小米粒文库到电脑桌面
安装后可以在桌面快捷访问

GCU-30矿用动态轨道衡的改造设计VIP免费

GCU-30矿用动态轨道衡的改造设计_第1页
1/4
GCU-30矿用动态轨道衡的改造设计_第2页
2/4
GCU-30矿用动态轨道衡的改造设计_第3页
3/4
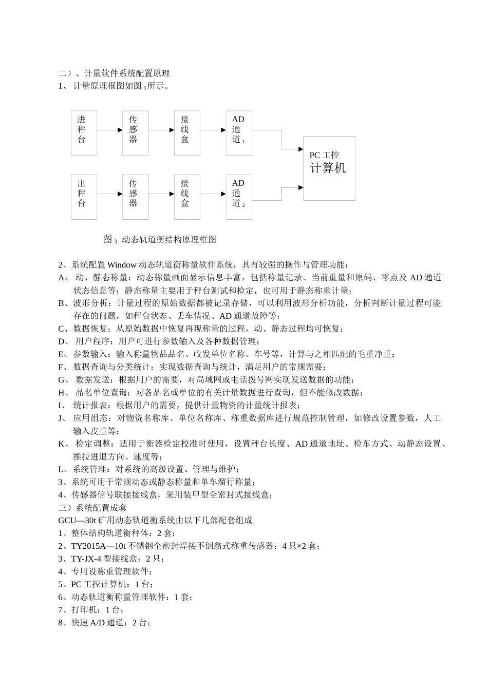
GCU-30 矿用动态轨道衡的改造设计翁建明 罗伏隆 浙江余姚市通用仪表公司(315400)内容提要:动态轨道衡计量,在矿山计量中得到广泛应用;动态计量的稳定性、重复性问题一直是影响动态计量应用的难题。江西德兴铜矿与余姚市通用仪表公司根据矿车在动态计量中存在的问题,结合现场实际,改造动态轨道衡的结构设计,采用先进的软件技术进行动态数据采集,进行了成功的应用;文章重点介绍了原动态轨道衡现场运行中存在的问题和改造设计的技术方案与经验。关键词: 矿山 动态计量 轨道衡 秤体结构一、前言江西德兴铜矿原有 30t 动态轨道衡二台,一台用于矿车“毛重”计量,一台用于矿车“皮重”计量;计量过程由电动机车车头牵引矿车重车、空车进行称重计量。机车的运行是流水作业,过车的运行频率较高;机车车头的前后轮距、矿车之间的轮距与原轨道衡台面的长度比较接近,当出现减速 、刹车或后退时,就会造成判断失误,引起动态衡“死机”及其它故障,不能正常运行,严重影响生产 。德兴铜矿于 2002 年 12 月提出改造计划,由余姚市通用仪表公司经现场实测,提出设计方案并制作秤台与结构件,进行现场改造安装调试。改造后运行效果较好。二、改造设计的技术要求一)、现场技术条件1、车辆运行状态:由一台电动机车车头拖挂 18 节矿车,以小于 12km/h 的速度通过轨道衡秤台;2、车辆的连接状态及结构数据如图 1所示;3、电动机车车头自重 30t,矿车自重 9t,矿车毛重 25t 左右;4、计量过程:电动机车车头在前,矿车在后,车头不计量,矿车以转向架方式计量;5、过衡频次速度快:2—5 分钟/趟,高峰期连续不断;6、列车过衡时,有刹车、停车或后退现象。 2200 3500 3450 850 2450 图 1 过衡计量列车结构示意图二)计量管理软件主要技术要求1、计量过程中,不能出现不明原因的“死机”现象。2、一列车计量完成后,有计量结束提示与车号输入提示,当未进行手动操作而紧接着有下一列车通过时,应能自动判断上列车计量结束并转入下列车计量状态;3、车号可在计量结束后随时人工输入与修改;4、功能选择与车皮自重预置:操作界面应有计量、校验、皮重预置等选择互换,皮重值可根据不同季节、天气选择输入;内部参数的设置或调整应有密码;5、当有不需计量的列车通过动态衡时,不能对衡器的计量性能造成影响;6、数据处理:计量数据可供局域网查询调用,出具班、日、月统计报表;三)、衡器结构性能要求1、计量精度:±0.5...

1、当您付费下载文档后,您只拥有了使用权限,并不意味着购买了版权,文档只能用于自身使用,不得用于其他商业用途(如 [转卖]进行直接盈利或[编辑后售卖]进行间接盈利)。
2、本站所有内容均由合作方或网友上传,本站不对文档的完整性、权威性及其观点立场正确性做任何保证或承诺!文档内容仅供研究参考,付费前请自行鉴别。
3、如文档内容存在违规,或者侵犯商业秘密、侵犯著作权等,请点击“违规举报”。

碎片内容

GCU-30矿用动态轨道衡的改造设计

您可能关注的文档

确认删除?
VIP
微信客服
  • 扫码咨询
会员Q群
  • 会员专属群点击这里加入QQ群
客服邮箱
回到顶部