电脑桌面
添加小米粒文库到电脑桌面
安装后可以在桌面快捷访问

OB2268,OB2269设计指导VIP专享VIP免费

OB2268,OB2269设计指导_第1页
1/9
OB2268,OB2269设计指导_第2页
2/9
OB2268,OB2269设计指导_第3页
3/9
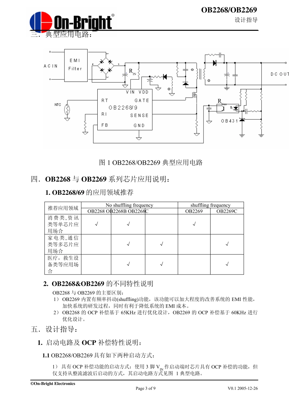
OB2268/OB2269 设计指导 © On-Bright Electronics Page 1 of 9 V0.1 2005-12-26 OB2268/OB2269 设计指导 -反激式开关电源应用 一.概要: 随着科学技术日新月异的发展,人们对电源系统的性能要求也不断提高,OB2268/OB2269 采用独特的设计方案,使您的电源系统具有较高的性价比,满足广大客户的需求。OB2268/OB2269 采用传统的电流模式结构设计,其具有如下特性: ▲ 低待机功耗:OB2268/OB2269通过特别的低功 耗间歇工作模式设计不仅可以让整个系统在空 载的状态下轻易达到国际能源机构最新的推荐 标准,而且允许系统在较轻负载 (约 1/30 满载 以下) 的情况下同样具有超低耗的性能。 ▲无噪声工作:使用OB2268/OB2269 设计的电源 无论在空载,轻载和满载的情况下都不会产生音 频噪声。优化的系统设计可以使系统任何工作状态下均可安静地工作。 ▲ 更低启动电流:OB2268/OB2269 VIN/VDD 启动电流低至 4uA,可有效地减少系统 启动电路的损耗,缩短系统的启动时间。 ▲ 更低工作电流:OB2268/OB2269 的工作电流约为 2.3mA,可有效降低系统的损耗,提高系统的效率。 ▲ 内置前沿消隐:内置前沿消隐(LEB),可以为系统节省了一个外部的R-C 网络,降低系统成本。 ▲ 内置 OCP 补偿:OB2268/OB2269 内置了 OCP 补偿功能,使系统在不需要增加成本的情况下轻易使得全电压范围内系统的OCP 曲线趋向平坦,提高系统的性价比。 ▲ 完善的保护功能:OB2268/OB2269 集成了较完善的保护功能模块。OVP,UVLO,OCP,恒定的OPP 和外部可调节的OTP 功能可以使系统设计简洁可靠,同时满足安规的要求。 ▲ MOSFET 软驱动:可有效的改善系统的EMI。 ▲ 较少的外围器件:OB2268/OB2269 外围比较简单,可有效提高系统的功率密度,降低系统的成本。 ▲ OB2269 优良的EMI 特性:OB2269 内置的频率抖动设计可以很有效的改善系统的EMI 特性,同时可以降低系统的EMI 成本。 OB2268/OB2269 设计指导 © On-Bright Electronics Page 2 of 9 V0.1 2005-12-26 二.芯片内部模块图 1. OB2268 内部模块图 2. OB2269 内部模块图 OB2268/OB2269 设计指导 © On-Bright Electronics Page 3 of 9 V0.1 2005-12-26 三.典型应用电路: RIN Rbias 图1 OB2268/OB2269 典型应用电路 四.OB2268 与OB2269 系列芯片应用说明: 1. OB2268/69 的应用领域推荐 No shuffling fr...

1、当您付费下载文档后,您只拥有了使用权限,并不意味着购买了版权,文档只能用于自身使用,不得用于其他商业用途(如 [转卖]进行直接盈利或[编辑后售卖]进行间接盈利)。
2、本站所有内容均由合作方或网友上传,本站不对文档的完整性、权威性及其观点立场正确性做任何保证或承诺!文档内容仅供研究参考,付费前请自行鉴别。
3、如文档内容存在违规,或者侵犯商业秘密、侵犯著作权等,请点击“违规举报”。

碎片内容

OB2268,OB2269设计指导

确认删除?
VIP
微信客服
  • 扫码咨询
会员Q群
  • 会员专属群点击这里加入QQ群
客服邮箱
回到顶部