电脑桌面
添加小米粒文库到电脑桌面
安装后可以在桌面快捷访问

完整版110KV线路继电保护课程设计VIP免费

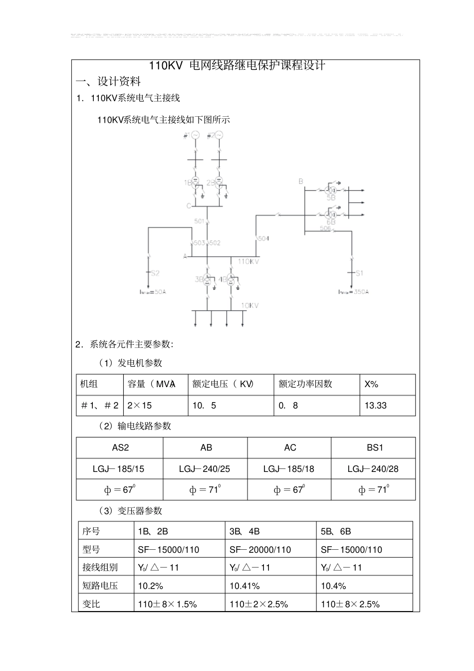
完整版110KV线路继电保护课程设计_第1页
1/27
完整版110KV线路继电保护课程设计_第2页
2/27
完整版110KV线路继电保护课程设计_第3页
3/27
Pushing ahead, East, North, West development , facilitating shanty, complete xincheng West Road, sta bility and reconstructi on of the street, Star Ding garden built century Garden District, subject public housing construction, heating the gas expansion accelerated implementation, Jing Rui River and bridge style line soli d shaft, further expande d the town dev elopment. Beautiful country adhere to the advance and typical for a group to lead. Accordi ng to "ecological lay based, and industry increased income, and live upgrade civilization, a nd cult ure rich connotation" of thought, caught built beautiful village, and whole village advance, and easily relocation, and "five modified three built", project near 30 a; depth into ecological, and industry, and culture, and t ourism, elements, high standards caught party original city Liu, a nd jade are Xia AO, model village, in province City set has benchmark. Four is equal benefits to promote sharing, coordinated development of various social undertakings. In the case of rigid spe ndi ng slowing revenue growth, increase, financial 75% to the people's livelihood, the masses have more acce ss in t he sharing. Cuoban something good and benefit. Adhere to the affordable, best, carefully cuoban village oil, water and heat, cultural, city and County columns practical, developments benefit families, bring more welfare to the masses. Development of social convenience. Acce ptance of balanced dev elopment of compulsory e ducation throug h the national assessment, the County vocational education center was named "top School of vocational education in China", the third bat ch of national reform and development model through provincial ... Five is to deepen reform and...

1、当您付费下载文档后,您只拥有了使用权限,并不意味着购买了版权,文档只能用于自身使用,不得用于其他商业用途(如 [转卖]进行直接盈利或[编辑后售卖]进行间接盈利)。
2、本站所有内容均由合作方或网友上传,本站不对文档的完整性、权威性及其观点立场正确性做任何保证或承诺!文档内容仅供研究参考,付费前请自行鉴别。
3、如文档内容存在违规,或者侵犯商业秘密、侵犯著作权等,请点击“违规举报”。

碎片内容

完整版110KV线路继电保护课程设计

您可能关注的文档

确认删除?
VIP
微信客服
  • 扫码咨询
会员Q群
  • 会员专属群点击这里加入QQ群
客服邮箱
回到顶部