电脑桌面
添加小米粒文库到电脑桌面
安装后可以在桌面快捷访问

完整版GB28112007安全帽标准VIP专享VIP免费

完整版GB28112007安全帽标准_第1页
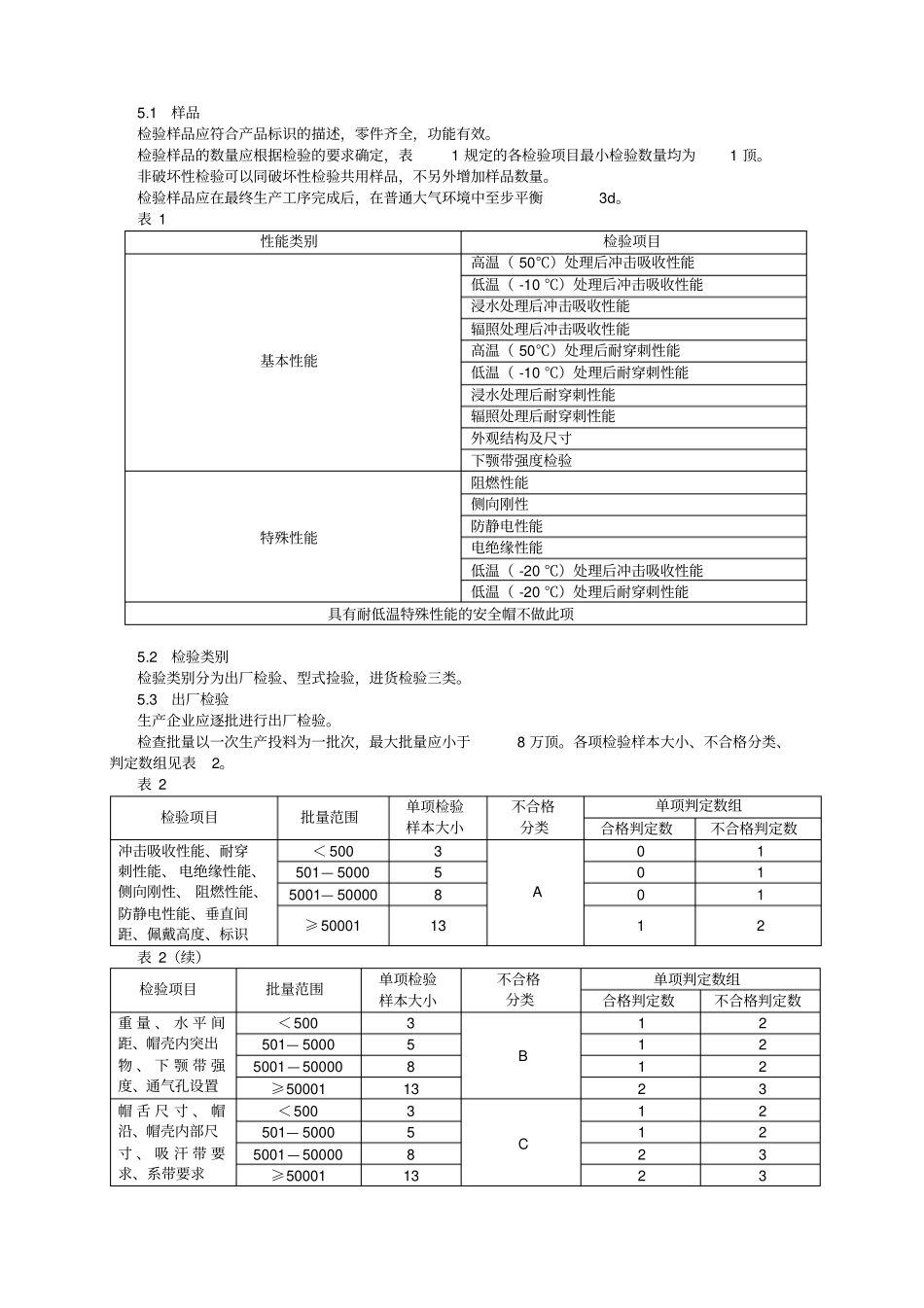
1/6
完整版GB28112007安全帽标准_第2页
2/6
完整版GB28112007安全帽标准_第3页
3/6
安全帽标准GB 2811-2007 1 范围本标准规定了职业用安全帽的技术要求、检验规则及其标识。本标准适用于工作中通常使用的安全帽。附加的特殊技术性能仅适用相应的特殊场所。本标准不适用于大盖帽、布帽、摩托头盔、防暴头盔、运动头盔、草帽、普通棉帽、军事装备等。2 规范性引用文件下列文件中的条款通过本标准的引用而成为本标准的条款。凡是注日期的引用文件,其随后所有的修改单 ( 不包括勘误的内容) 或修订版均不适用于本标准,然而,鼓励根据本标准达成协议的各方研究是否可使用这些文件的最新版本。凡是不注日期的引用文件,其最新版本适用于本标准。GB/T2428 成人头面部尺寸GB/T2812-2006 安全帽测试方法GB/T2829 周期检查计数抽样程序及抽样表( 适用于生产过程稳定性的检查) GB12158 防止静电事故通用导则3 术语和定义下列术语和定义适用于本标准。3.1 安全帽 safety helmet 对人头部受坠落物及其他特定因素引起的伤害起防护作用的帽。由帽壳、帽村、下颏带、附件组成。3.2 帽壳 shell 安全帽外表面的组成部分。由帽舌、帽沿和顶筋组成。3.3 帽舌 peak 帽壳前部伸出的部分。3.4 帽沿 brim 在帽壳上,除帽舌以外帽壳周围其他伸出的部分。3.5 顶筋 top reinforcement 用来增强帽壳顶部强度的结构。3.6 帽衬 harness 帽壳内部部件的总称。由帽箍' 吸汗带、缓冲垫、衬带等组成。3.7 帽箍 headband 绕头围起固定作用的带圈。包括调节带圈大小的结构。3.8 吸汗带 sweatband 附加在帽箍上的吸汗材料。3.9 缓冲垫 inner cushion 设置在帽箍和帽壳之间吸收;中击能力的部件。3.10 衬带 liner strip 与头顶直接接触的带子。3.11 下颏带 chins trap 系在下巴上,起辅助固定作用的带子。由系带、锁紧卡组成。3.12 锁紧卡 lock 调节与固定系带有效长短的零部件。3.13 水平间距 horizontal distance 安全帽在佩戴时,帽箍与帽壳内侧之间在水平面上的径向距离。3.14 垂直间距 vertical distance 安全帽在佩戴对,头顶最高点与帽壳内表面之间的轴向距离( 不包括顶筋的空间) 。3.15 佩戴高度 wearing height 安全帽在佩戴时,帽箍底部至头顶最高点的轴向距离。3.16 头模 headform 测试安全帽时使用的模拟人头模型。3.17 通气孔 vent 设置在帽壳上的通气孔。3.18 附件 accessories 附加于安全帽的装置。包括眼面部防护装置、耳部防护装置、主动降温装置、电感应装置、颈部防...

1、当您付费下载文档后,您只拥有了使用权限,并不意味着购买了版权,文档只能用于自身使用,不得用于其他商业用途(如 [转卖]进行直接盈利或[编辑后售卖]进行间接盈利)。
2、本站所有内容均由合作方或网友上传,本站不对文档的完整性、权威性及其观点立场正确性做任何保证或承诺!文档内容仅供研究参考,付费前请自行鉴别。
3、如文档内容存在违规,或者侵犯商业秘密、侵犯著作权等,请点击“违规举报”。

碎片内容

完整版GB28112007安全帽标准

确认删除?
VIP
微信客服
  • 扫码咨询
会员Q群
  • 会员专属群点击这里加入QQ群
客服邮箱
回到顶部