电脑桌面
添加小米粒文库到电脑桌面
安装后可以在桌面快捷访问

完整版五金件外观检验标准VIP免费

完整版五金件外观检验标准_第1页
1/8
完整版五金件外观检验标准_第2页
2/8
完整版五金件外观检验标准_第3页
3/8
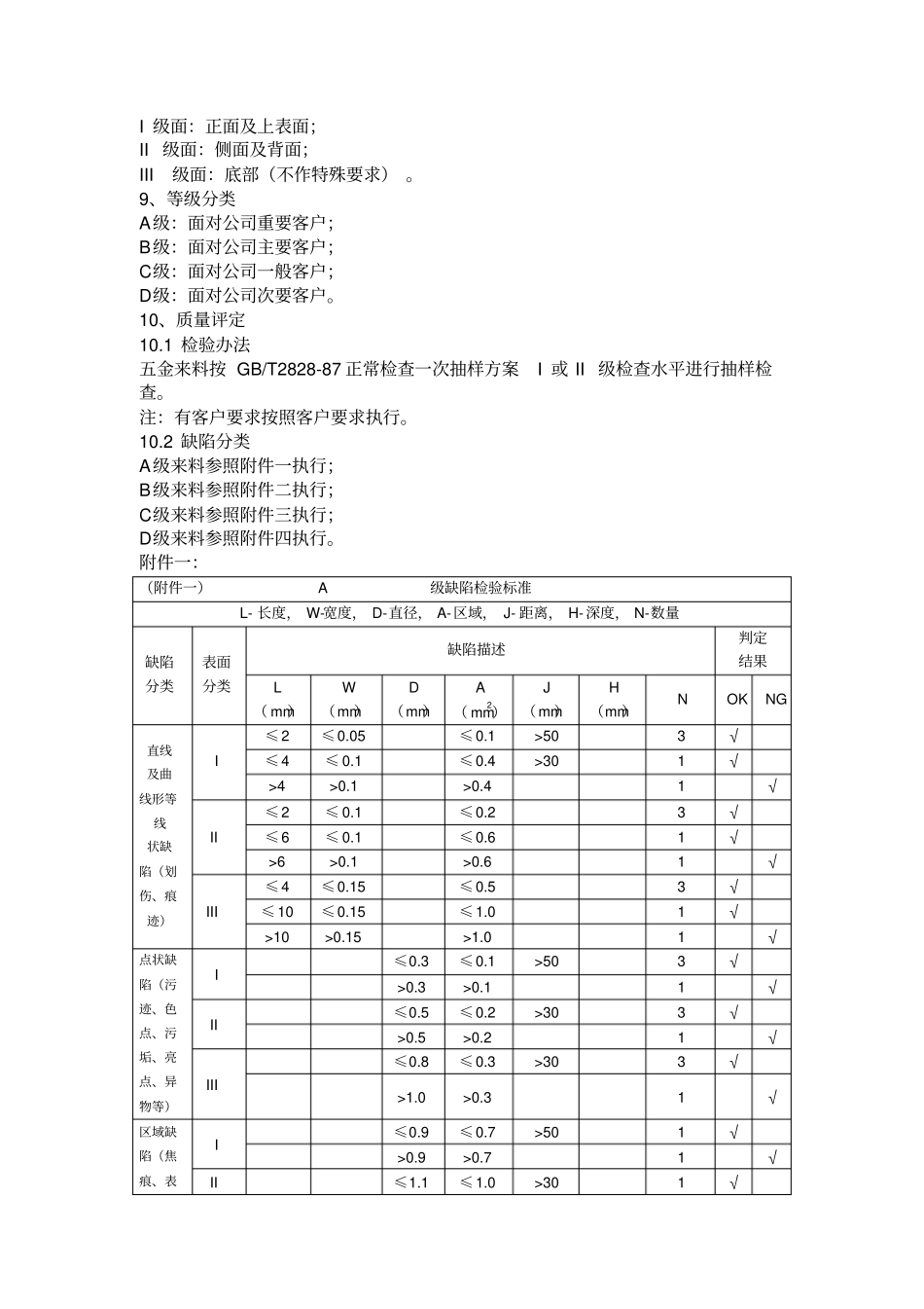
五金件外观检验标准◆1、目的本标准为 IQC对五金来料检验、测试提供作业方法指导。2、适用范围本标准适用于所有须经IQC检验、测试五金来料的检验过程。3、职责IQC检验员负责按照本标准对相关来料进行检验、测试。4、工具卡尺(精度不低于0.2mm)。5、外观缺陷检查条件5.1 距离:肉眼与被测物距离30CM。5.2 时间: 10 秒钟内确认缺陷。5.3 角度: 15-90 度范围旋转。5.4 照明: 600-800LUX之间(有客户要求按照客户要求执行) 。5.5 视力: 1.0 以上(含矫正后)。6、检验项目及要求6.1 外壳6.1.1 外观a.所有外观面光滑过渡、无冲压不良。b.外观面无划伤、拖花痕迹。c.非喷涂面不能有喷涂印。d.烤灯会面均匀完整、不粗糙、无暗纹,不能有局部堆积、少油、纤维丝。烤漆是否牢固,硬度是否符合要求。e.烤漆层色差光泽均匀、光亮。6.1.2 尺寸测量下列尺寸,所有尺寸均须同图纸吻合或与样板一致。a. 外型轮廓。b. 定位孔位置。c. 特殊点位置及规格(如美观线) 。6.1.3 材质a. 原材料是符合相关设计要求。b. 供应商应提供材质证明资料。6.1.4 试装配将零件与相应的组件试装应配合良好。7、检验方法7.1 外观使用目测法检查被检品的外观。检测过程中,产品应被倾斜、摇动、移动,以使待测平面能获得不同的光线,而非在灯光下以常规方式检验。当缺陷在某一特定的光线下被观察到时,应翻转产品至少5 度,以确保能在此时的下能观察到该缺陷。缺陷至少能在两种光线下能被检查得到。7.2 尺寸使用卡尺测量被检品的尺寸。8、塑壳表面分类I 级面:正面及上表面;II 级面:侧面及背面;III级面:底部(不作特殊要求) 。9、等级分类A级:面对公司重要客户;B级:面对公司主要客户;C级:面对公司一般客户;D级:面对公司次要客户。10、质量评定10.1 检验办法五金来料按 GB/T2828-87 正常检查一次抽样方案I 或 II 级检查水平进行抽样检查。注:有客户要求按照客户要求执行。10.2 缺陷分类A级来料参照附件一执行;B级来料参照附件二执行;C级来料参照附件三执行;D级来料参照附件四执行。附件一:(附件一) A级缺陷检验标准L- 长度, W-宽度, D-直径, A-区域, J- 距离, H-深度, N-数量缺陷分类表面分类缺陷描述判定结果L ( mm)W (mm)D (mm)A ( mm2)J (mm)H (mm)N OK NG 直线及曲线形等线状缺陷(划伤、痕迹)I ≤2 ≤0.05 ≤0.1 >50 3 √≤4 ≤ 0.1 ≤0.4 >30 1 √>4 >0.1...

1、当您付费下载文档后,您只拥有了使用权限,并不意味着购买了版权,文档只能用于自身使用,不得用于其他商业用途(如 [转卖]进行直接盈利或[编辑后售卖]进行间接盈利)。
2、本站所有内容均由合作方或网友上传,本站不对文档的完整性、权威性及其观点立场正确性做任何保证或承诺!文档内容仅供研究参考,付费前请自行鉴别。
3、如文档内容存在违规,或者侵犯商业秘密、侵犯著作权等,请点击“违规举报”。

碎片内容

完整版五金件外观检验标准

您可能关注的文档

确认删除?
VIP
微信客服
  • 扫码咨询
会员Q群
  • 会员专属群点击这里加入QQ群
客服邮箱
回到顶部