电脑桌面
添加小米粒文库到电脑桌面
安装后可以在桌面快捷访问

分户验收填写范本--2014版VIP免费

分户验收填写范本--2014版_第1页
1/14
分户验收填写范本--2014版_第2页
2/14
分户验收填写范本--2014版_第3页
3/14
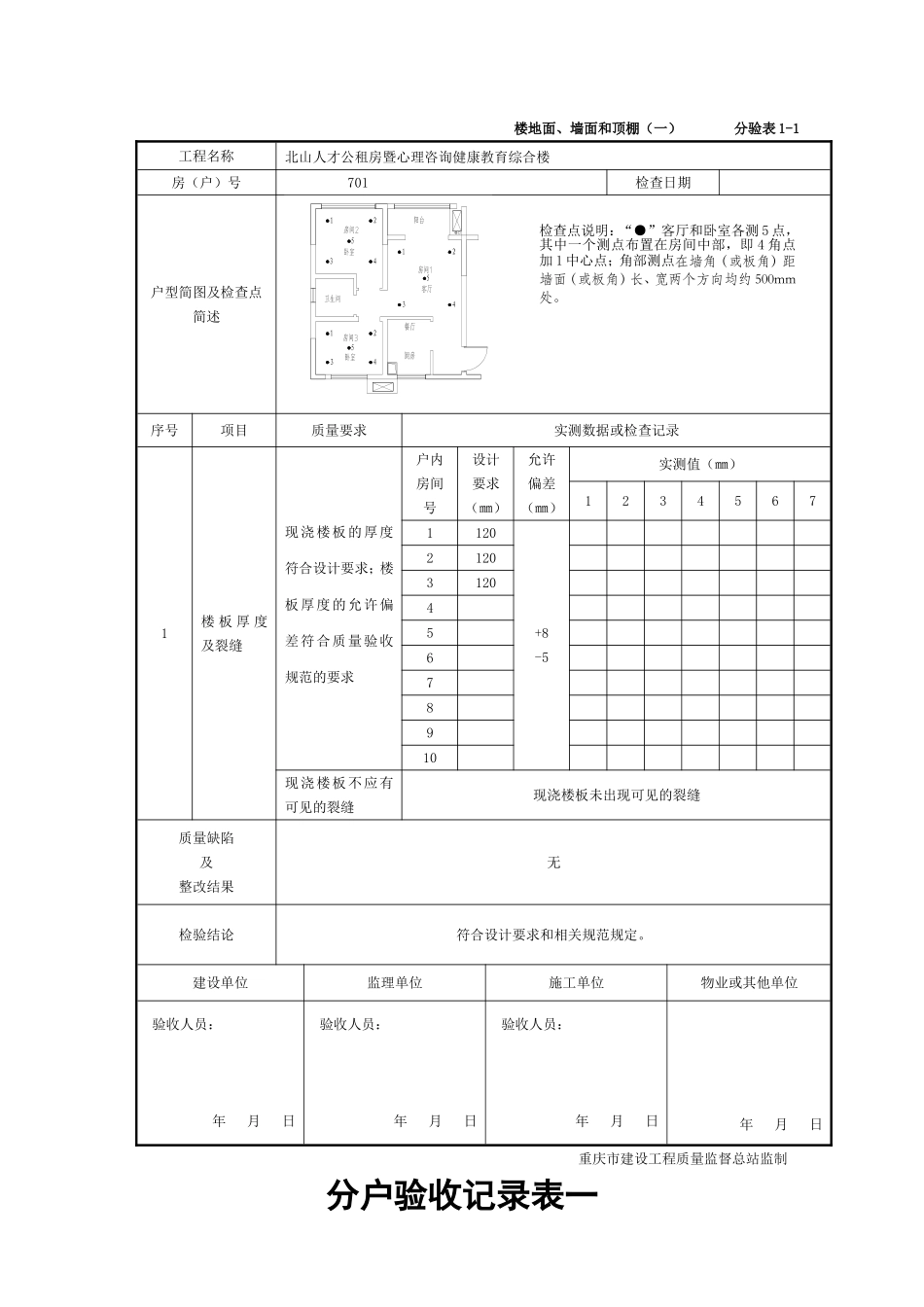
住宅工程质量分户验收表分验户表工程名称北山人才公租房暨心理咨询健康教育综合楼房(户)号701建设单位重庆三峡中心医院验收日期施工单位泰宏建设发展有限公司监理单位重庆金科建设监理有限公司序号验收项目主要验收内容验收记录1楼地面、墙面和顶棚地面裂缝、空鼓,墙面和顶棚爆灰、空鼓、裂缝,装饰图案、缝格、色泽、表面洁净地面无裂缝、空鼓,墙面和顶棚无爆灰、空鼓、裂缝,装饰图案、缝格、色泽、表面洁净2门窗窗台高度、渗水、门窗启闭、玻璃安装窗台高度符合设计要求、无渗水、门窗启闭、玻璃安装符合设计及规范要求3栏杆栏杆高度、间距、安装牢固、防攀爬措施栏杆高度、间距符合设计要求,安装牢固、防攀爬措施齐备4防水工程屋面渗水、厨卫间渗水、阳台地面渗水、外墙渗水屋面、厨卫间、阳台地面、外墙无渗水情况5室内主要空间尺寸开间净尺寸、室内净高开间净尺寸、室内净高符合设计要求6给排水工程管道渗水、管道坡向、安装固定、地漏水封、给水口位置管道无渗水,管道坡向、安装固定、地漏水封、给水口位置符合设计和规范要求7电气工程接地、相位、控制箱配置,开关、插座位置接地、相位、控制箱配置,开关、插座位置符合设计及规范要求8建筑节能保温层厚度、固定措施保温层厚度、固定措施符合设计和相关规定要求9其它烟道、通风道、邮政信报箱等烟道、通风道、邮政信报箱等符合设计和相关规定要求分户验收结论符合设计要求和相关规范规定。建设单位施工单位监理单位物业或其他单位项目负责人:验收人员:年月日项目经理:验收人员:年月日总监理工程师:验收人员:年月日年月日重庆市建设工程质量监督总站监制分户验收记录表一楼地面、墙面和顶棚(一)分验表1-1工程名称北山人才公租房暨心理咨询健康教育综合楼房(户)号701检查日期户型简图及检查点简述序号项目质量要求实测数据或检查记录1楼板厚度及裂缝现浇楼板的厚度符合设计要求;楼板厚度的允许偏差符合质量验收规范的要求户内房间号设计要求(㎜)允许偏差(㎜)实测值(㎜)12345671120+8-52120312045678910现浇楼板不应有可见的裂缝现浇楼板未出现可见的裂缝质量缺陷及整改结果无检验结论符合设计要求和相关规范规定。建设单位监理单位施工单位物业或其他单位验收人员:年月日验收人员:年月日验收人员:年月日年月日重庆市建设工程质量监督总站监制分户验收记录表一检查点说明:“●”客厅和卧室各测5点,其中一个测点布置在房间中部,即4角点加1中心点;角部测点在墙角(或板角)距墙面(或板角)长、宽两个方向均约500mm处。楼地面、墙面和顶棚(二)分验表1-2工程名称广城雅苑商住楼4#楼房(户)号检查日期序号项目质量要求检查记录2楼地面面层整体面层面层与各构造层之间下一层应结合牢固,无空鼓;表面不应有裂缝、脱皮、麻面、起砂等缺陷面层与各构造层之间下一层应结合牢固,无空鼓;表面无裂缝、脱皮、麻面、起砂等缺陷`有排水坡度要求的,表面坡度应符合设计要求,不得有倒泛水和积水有排水坡度要求,表面坡度符合设计要求,无倒泛水和积水3板块面层结合层上铺设时,面层与下一层的结合(粘接)应牢固,无空鼓或松动/板块无裂纹、掉角、缺楞等缺陷,镶嵌正确,接缝均匀、顺直,色泽均匀一致,图案清晰,面层表面的平整度和坡度符合要求/4竹、木面层面层铺设应牢固/板的拼缝平直度、宽度及与踢脚线的接缝、相邻板高差符合要求,接头构造正确,板面无翘曲,颜色均匀,图案清晰,面层平整度符合要求/质量缺陷及整改结果无检验结论符合设计要求和相关规范规定。建设单位监理单位施工单位物业或其他单位验收人员:年月日验收人员:年月日验收人员:年月日年月日重庆市建设工程质量监督总站监制分户验收记录表一楼地面、墙面和顶棚(三)分检表1-3工程名称北山人才公租房暨心理咨询健康教育综合楼房号701检查日期序号项目质量要求检查记录3墙面抹灰抹灰层与基层之间及各抹灰层之间必须粘接牢固,抹灰层应无空鼓;抹灰面层应无爆灰和裂缝;孔洞、槽、盒周围的抹灰表面应整齐、光滑;管道后面的抹灰表面应平整抹灰层与基层之间及各抹灰层之间粘接牢固,抹灰层无空鼓;抹灰面层无爆灰和裂缝;孔洞、槽、...

1、当您付费下载文档后,您只拥有了使用权限,并不意味着购买了版权,文档只能用于自身使用,不得用于其他商业用途(如 [转卖]进行直接盈利或[编辑后售卖]进行间接盈利)。
2、本站所有内容均由合作方或网友上传,本站不对文档的完整性、权威性及其观点立场正确性做任何保证或承诺!文档内容仅供研究参考,付费前请自行鉴别。
3、如文档内容存在违规,或者侵犯商业秘密、侵犯著作权等,请点击“违规举报”。

碎片内容

分户验收填写范本--2014版

确认删除?
VIP
微信客服
  • 扫码咨询
会员Q群
  • 会员专属群点击这里加入QQ群
客服邮箱
回到顶部