电脑桌面
添加小米粒文库到电脑桌面
安装后可以在桌面快捷访问

海康硬盘录像机简易操作说明书VIP免费

海康硬盘录像机简易操作说明书_第1页
1/13
海康硬盘录像机简易操作说明书_第2页
2/13
海康硬盘录像机简易操作说明书_第3页
3/13
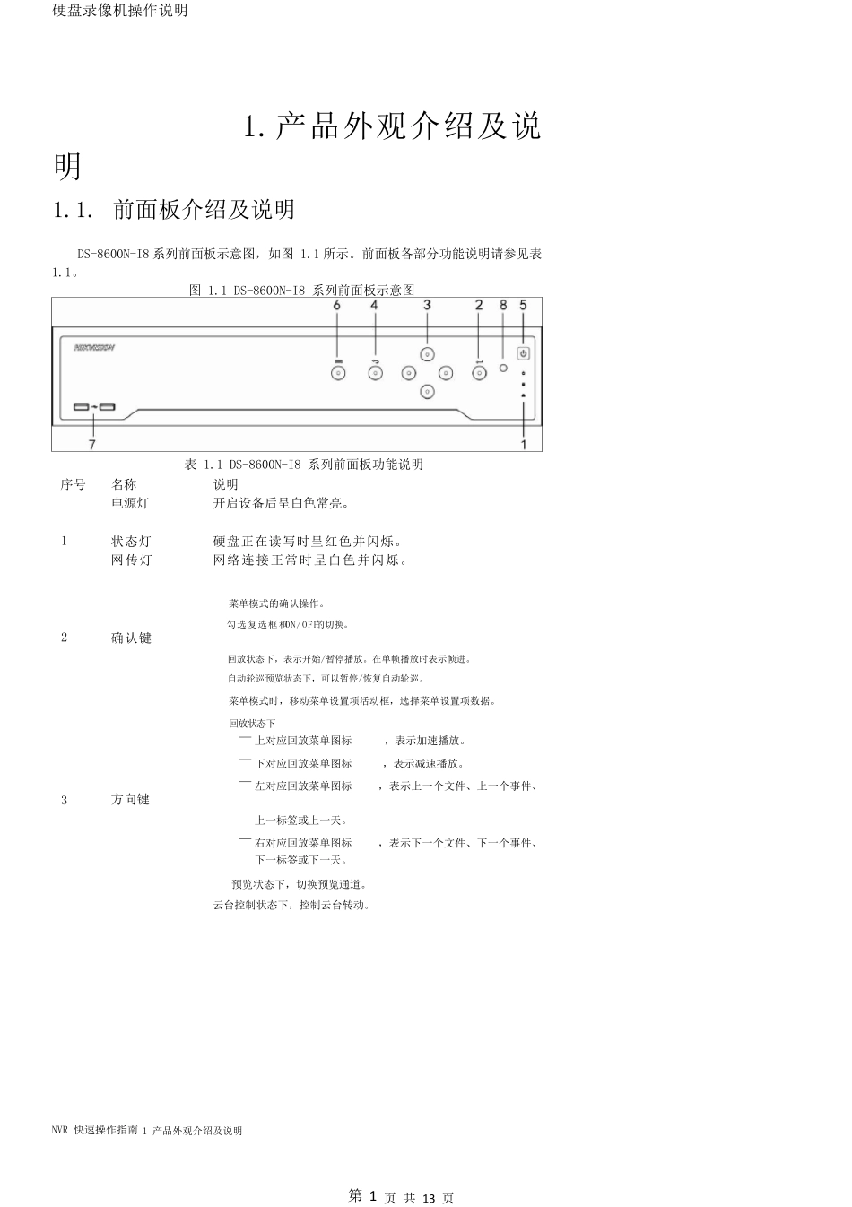
硬盘录像机操作说明 第 1 页 共 13 页 1.产品外观介绍及说明 1.1. 前面板介绍及说明 DS-8600N-I8 系列前面板示意图,如图 1.1 所示。前面板各部分功能说明请参见表 1.1。 图 1.1 DS-8600N-I8 系列前面板示意图 表 1.1 DS-8600N-I8 系列前面板功能说明 序号 名称 说明 电源灯 开启设备后呈白色常亮。 1 状态灯 硬盘正在读写时呈红色并闪烁。 网传灯 网络连接正常时呈白色并闪烁。 菜单模式的确认操作。 2 确认键 勾选复选框和ON/OFF的切换。 回放状态下,表示开始/暂停播放。在单帧播放时表示帧进。 自动轮巡预览状态下,可以暂停/恢复自动轮巡。 菜单模式时,移动菜单设置项活动框,选择菜单设置项数据。 回放状态下 — 上对应回放菜单图标 ,表示加速播放。 — 下对应回放菜单图标 ,表示减速播放。 3 方向键 — 左对应回放菜单图标 ,表示上一个文件、上一个事件、 上一标签或上一天。 — 右对应回放菜单图标 ,表示下一个文件、下一个事件、 下一标签或下一天。 预览状态下,切换预览通道。 云台控制状态下,控制云台转动。 NVR 快速操作指南 1 产品外观介绍及说明 硬盘录像机操作说明 第 2 页 共 13 页 4 返回键 返回到上级菜单。 5 开关键 开启/关闭 NVR。 6 菜单键 进入主菜单界面。 回放状态下,显示/隐藏回放控制界面。 7 USB 接口 可外接鼠标、U 盘、移动硬盘等设备。 8 红外接收口 遥控器操作使用。 1.2. 后面板介绍及连接说明 DS-8600N-I8 后面板示意图,如图 1.2 所示。 图 1.2 DS-8600N-I8 后面板示意图 硬盘录像机操作说明 第 3 页 共 13 页 2.1. 安装硬盘 说明 在安装前,请确认已断开电源。 请使用设备生产厂商推荐的 NVR 专用监控硬盘。 安装工具 十字螺丝刀一把。 DS-8600N-I8 系列硬盘安装步骤 1、拧开机箱背部的螺丝,取下盖板。 2、用螺丝将硬盘固定在硬盘支架上。如果是将硬盘安装在下层支架,请先将上层硬盘支架卸掉。 NVR 快速操作指南 2 安装与连接 1、取下硬盘录像机螺丝 3、将硬盘数据线一端连接在主板上。 5、将电源线连接在硬盘上。 2、将硬盘固定在硬盘支架上 4、硬盘数据线的另一端连接在硬盘上。 6、盖好机箱盖板,并将盖板用螺丝固定。 硬盘录像机操作说明 第 4 页 共 13 页 3. 本地配置 3.1. 开关机 3.1.1. 开机 注意 请确认接入的电压与 NVR 的要求相匹配...

1、当您付费下载文档后,您只拥有了使用权限,并不意味着购买了版权,文档只能用于自身使用,不得用于其他商业用途(如 [转卖]进行直接盈利或[编辑后售卖]进行间接盈利)。
2、本站所有内容均由合作方或网友上传,本站不对文档的完整性、权威性及其观点立场正确性做任何保证或承诺!文档内容仅供研究参考,付费前请自行鉴别。
3、如文档内容存在违规,或者侵犯商业秘密、侵犯著作权等,请点击“违规举报”。

碎片内容

海康硬盘录像机简易操作说明书

您可能关注的文档

确认删除?
VIP
微信客服
  • 扫码咨询
会员Q群
  • 会员专属群点击这里加入QQ群
客服邮箱
回到顶部