电脑桌面
添加小米粒文库到电脑桌面
安装后可以在桌面快捷访问

第六章CRH2动车组牵引传动系统VIP免费

第六章CRH2动车组牵引传动系统_第1页
1/30
第六章CRH2动车组牵引传动系统_第2页
2/30
第六章CRH2动车组牵引传动系统_第3页
3/30
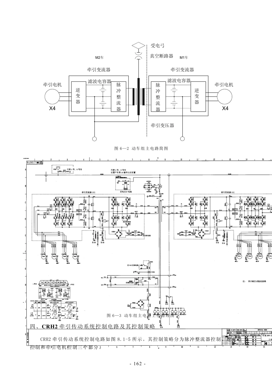
第六章 CRH2 型动车组牵引传动系统 第一节 概 述 一、CRH2 牵引传动系统基本组成 CRH2 动车组牵引传动系统主要由受电弓(包括高压电器设备)、牵引变压器、四象限变流器、牵引逆变器和牵引电机组成。 1 .高压电器设备 高压电器主要作用是完成从接触网到牵引变压器的供电。主要包括:受电弓、主断路器、避雷器、电流互感器、接地保护开关等。 CRH2 动车组采用DSA250 型受电弓。该受电弓为单臂型结构,额定电压/电流为25kV/1000A,接触压力70±5N,弓头宽度约 1950mm,具有自动降弓功能,适应接触网高度为5300~6500mm,列车运行速度 250km/h。 CRH2 动车组采用CB201C-G3 型主断路器。主断路器为真 空 型,额定开断容 量 为100MVA,额定电流AC200A,额定断路电流3400A,额定开断时间小于 0.06s,采用电磁控制空气操作。 CRH2 动车组采用LA204 或 LA205 型避雷器。额定电压为AC42kV(RMS),动作电压为AC57kV 以下(V1mA,DC),限制电压为107kV。由氧化锌(ZnO)为主的金属氧化物组成,是非线性高电阻体的无间隙避雷器。 CRH2 动车组采用TH-2 型高压电流互感器。变流比为200/5A,用于检测牵引变压器原边电流值。 CRH2 动车组SH2052C 型接地保护开关。额定瞬时电流为6000A(15 周),电磁控制空气操作,具有安全连锁。 2 .牵引变压器 CRH2 动车组采用的是TM210 型牵引变压器,一个基本动力单元1 个,全列共计2 个。采用壳式结构、车体下吊挂、油循环强迫风冷方式。具有 1 个原边绕组(25kV,3060kVA)、2 个牵引绕组(1500V,2×1285kVA),一个辅助绕组(400V,490kVA)。 3 .牵引变流器 CRH2 动车组采用的是CI11 型牵引变流器,一个基本动力单元2 个,全列共计4 个。采用车下吊挂、液体沸腾 冷却 方式。主电路结构为电压型3 电平 式,由脉 冲 整 流器、中 间直 流电路、逆变器构成,不 设2 次 谐 振 滤 波 装 置 和网侧 谐 波 滤 波 器,采用 PWM 方式控制。中 间直 流电压为2600V~3000V(随 起 牵引电机输 出 功率 进 行调 整 )。1 个牵引变流器采用矢 量控制原理 控制 4 台 并 联 的牵引电机。 4 .牵引电机 CRH2 动车组采用的是MT205 型牵引电机,每 节动力车4 个(并 联 ),一个基本动力单元8 个,全列共计16 个。牵引电机为4 极 三 相 鼠 笼 式异 步 电机,采用架 悬 、强迫风冷方式,通 过 弹 性齿 型联 轴...

1、当您付费下载文档后,您只拥有了使用权限,并不意味着购买了版权,文档只能用于自身使用,不得用于其他商业用途(如 [转卖]进行直接盈利或[编辑后售卖]进行间接盈利)。
2、本站所有内容均由合作方或网友上传,本站不对文档的完整性、权威性及其观点立场正确性做任何保证或承诺!文档内容仅供研究参考,付费前请自行鉴别。
3、如文档内容存在违规,或者侵犯商业秘密、侵犯著作权等,请点击“违规举报”。

碎片内容

第六章CRH2动车组牵引传动系统

小辰8+ 关注
实名认证
内容提供者

出售各种资料和文档

确认删除?
VIP
微信客服
  • 扫码咨询
会员Q群
  • 会员专属群点击这里加入QQ群
客服邮箱
回到顶部