电脑桌面
添加小米粒文库到电脑桌面
安装后可以在桌面快捷访问

01设备加电测试报告VIP专享VIP免费

01设备加电测试报告_第1页
1/29
01设备加电测试报告_第2页
2/29
01设备加电测试报告_第3页
3/29
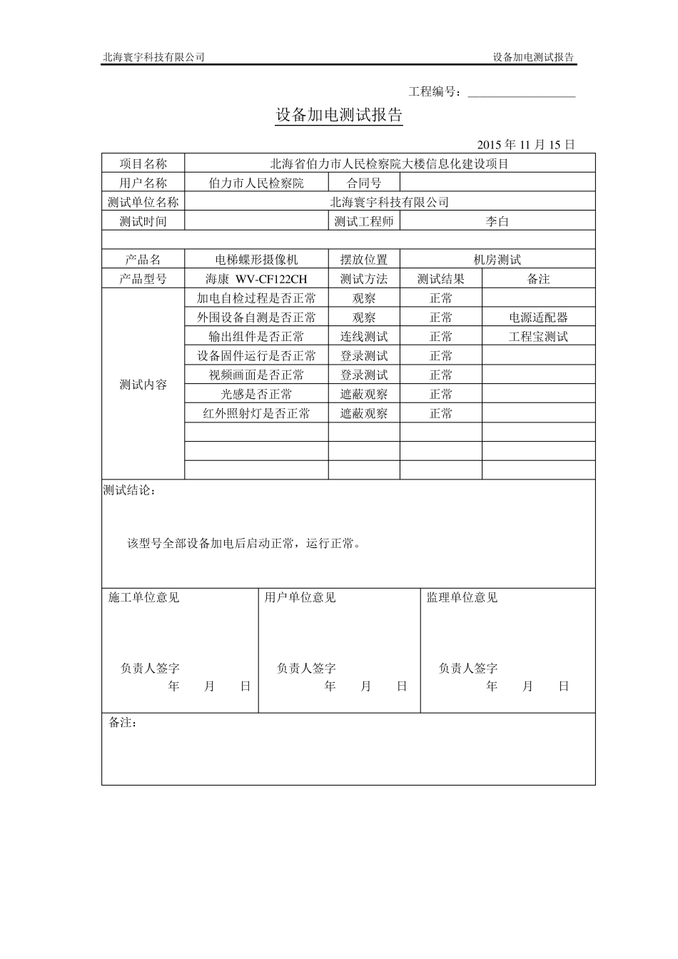
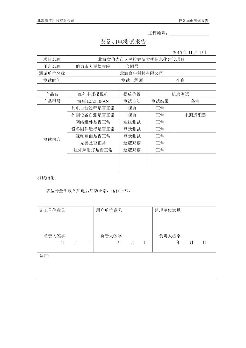
北海寰宇科技有限公司 设备加电测试报告 工程编号:_________ 设备加电测试报告 2015 年11 月15 日 项目名称 北海省伯力市人民检察院大楼信息化建设项目 用户名称 伯力市人民检察院 合同号 测试单位名称 北海寰宇科技有限公司 测试时间 测试工程师 李白 产品名 红外半球摄像机 摆放位置 机房测试 产品型号 海康LC2110-AN 测试方法 测试结果 备注 测试内容 加电自检过程是否正常 观察 正常 外围设备自测是否正常 观察 正常 电源适配器 网络组件是否正常 连线测试 正常 设备固件运行是否正常 登录测试 正常 视频画面是否正常 登录测试 正常 光感是否正常 遮蔽观察 正常 红外照射灯是否正常 遮蔽观察 正常 测试结论: 该型号全部设备加电后启动正常,运行正常。 施工单位意见 负责人签字 年 月 日 用户单位意见 负责人签字 年 月 日 监理单位意见 负责人签字 年 月 日 备注: 北海寰宇科技有限公司 设备加电测试报告 工程编号:_________ 设备加电测试报告 2015 年11 月15 日 项目名称 北海省伯力市人民检察院大楼信息化建设项目 用户名称 伯力市人民检察院 合同号 测试单位名称 北海寰宇科技有限公司 测试时间 测试工程师 李白 产品名 电梯蝶形摄像机 摆放位置 机房测试 产品型号 海康 W V-CF122CH 测试方法 测试结果 备注 测试内容 加电自检过程是否正常 观察 正常 外围设备自测是否正常 观察 正常 电源适配器 输出组件是否正常 连线测试 正常 工程宝测试 设备固件运行是否正常 登录测试 正常 视频画面是否正常 登录测试 正常 光感是否正常 遮蔽观察 正常 红外照射灯是否正常 遮蔽观察 正常 测试结论: 该型号全部设备加电后启动正常,运行正常。 施工单位意见 负责人签字 年 月 日 用户单位意见 负责人签字 年 月 日 监理单位意见 负责人签字 年 月 日 备注: 北海寰宇科技有限公司 设备加电测试报告 工程编号:_________ 设备加电测试报告 2015 年11 月15 日 项目名称 北海省伯力市人民检察院大楼信息化建设项目 用户名称 伯力市人民检察院 合同号 测试单位名称 北海寰宇科技有限公司 测试时间 测试工程师 李白 产品名 室内云台球形摄像机 摆放位置 机房测试 产品型号 海康 IP C411 测试方法 测试结果 备注 测试内容 加电自检过程是否正...

1、当您付费下载文档后,您只拥有了使用权限,并不意味着购买了版权,文档只能用于自身使用,不得用于其他商业用途(如 [转卖]进行直接盈利或[编辑后售卖]进行间接盈利)。
2、本站所有内容均由合作方或网友上传,本站不对文档的完整性、权威性及其观点立场正确性做任何保证或承诺!文档内容仅供研究参考,付费前请自行鉴别。
3、如文档内容存在违规,或者侵犯商业秘密、侵犯著作权等,请点击“违规举报”。

碎片内容

01设备加电测试报告

确认删除?
VIP
微信客服
  • 扫码咨询
会员Q群
  • 会员专属群点击这里加入QQ群
客服邮箱
回到顶部