电脑桌面
添加小米粒文库到电脑桌面
安装后可以在桌面快捷访问

1.5M风机故障解释(Freqcon主控)1.2版VIP免费

1.5M风机故障解释(Freqcon主控)1.2版_第1页
1/38
1.5M风机故障解释(Freqcon主控)1.2版_第2页
2/38
1.5M风机故障解释(Freqcon主控)1.2版_第3页
3/38
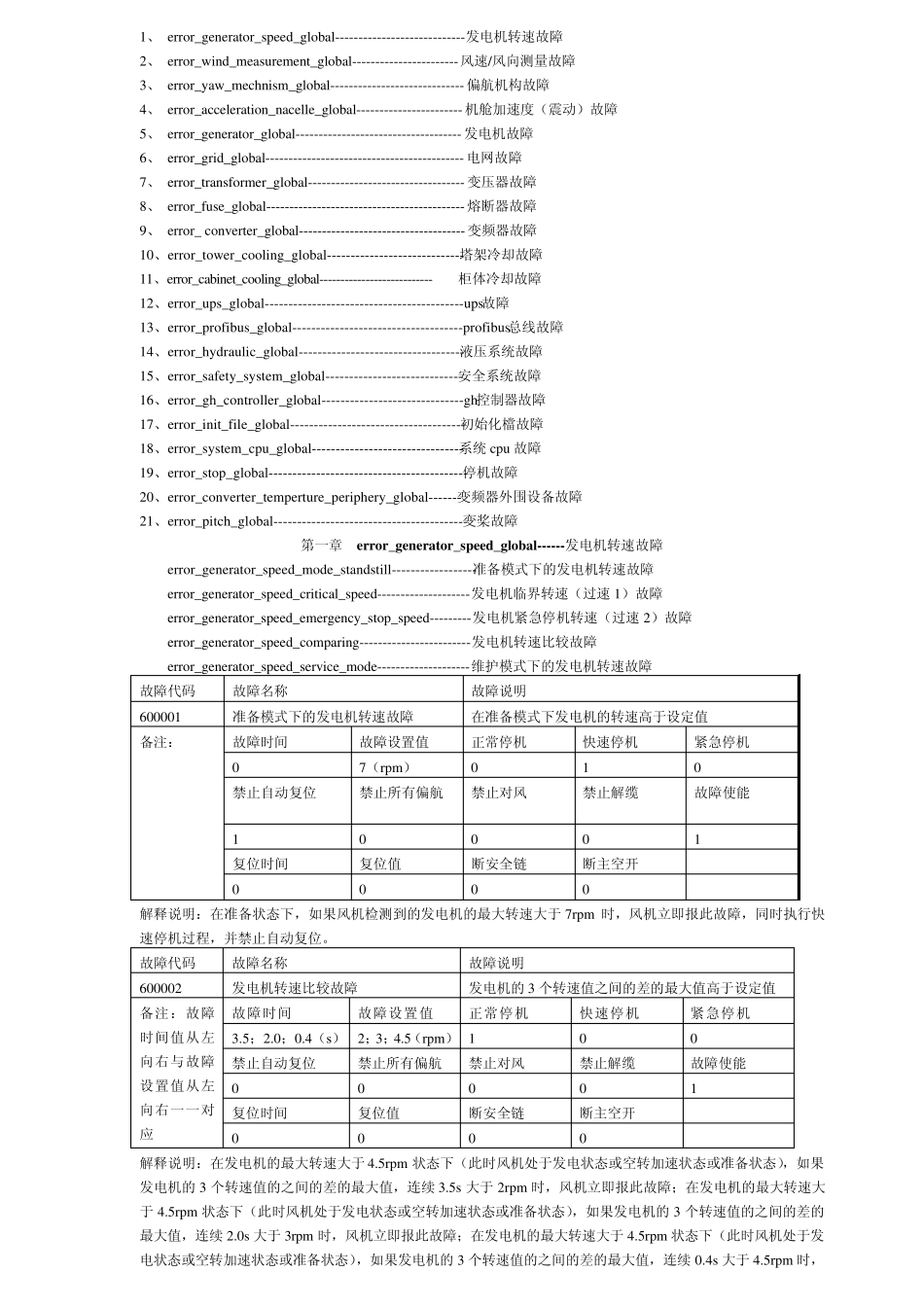
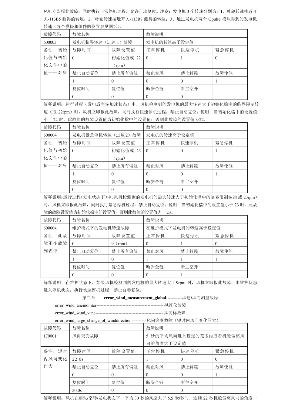
1、 error_generator_speed_global----------------------------发电机转速故障 2、 error_wind_measurement_global-----------------------风速/风向测量故障 3、 error_yaw_mechnism_global----------------------------- 偏航机构故障 4、 error_acceleration_nacelle_global-----------------------机舱加速度(震动)故障 5、 error_generator_global------------------------------------ 发电机故障 6、 error_grid_global------------------------------------------- 电网故障 7、 error_transformer_global---------------------------------- 变压器故障 8、 error_fuse_global------------------------------------------- 熔断器故障 9、 error_ converter_global------------------------------------ 变频器故障 10、error_tower_cooling_global-----------------------------塔架冷却故障 11、error_cabinet_cooling_global---------------------------柜体冷却故障 12、error_ups_global------------------------------------------ups故障 13、error_profibus_global------------------------------------profibus总线故障 14、error_hydraulic_global-----------------------------------液压系统故障 15、error_safety_system_global-----------------------------安全系统故障 16、error_gh_controller_global------------------------------gh控制器故障 17、error_init_file_global-------------------------------------初始化檔故障 18、error_system_cpu_global--------------------------------系统 cpu 故障 19、error_stop_global------------------------------------------停机故障 20、error_converter_temperture_periphery_global-------变频器外围设备故障 21、error_pitch_global-----------------------------------------变桨故障 第一章 error_generator_speed_global------发电机转速故障 error_generator_speed_mode_standstill------------------准备模式下的发电机转速故障 error_generator_speed_critical_speed--------------------发电机临界转速(过速 1)故障 error_generator_speed_emergency_stop_speed---------发电机紧急停机转速(过速 2)故障 error_generator_speed_comparing------------------------发电机转速比较故障 error_generator...

1、当您付费下载文档后,您只拥有了使用权限,并不意味着购买了版权,文档只能用于自身使用,不得用于其他商业用途(如 [转卖]进行直接盈利或[编辑后售卖]进行间接盈利)。
2、本站所有内容均由合作方或网友上传,本站不对文档的完整性、权威性及其观点立场正确性做任何保证或承诺!文档内容仅供研究参考,付费前请自行鉴别。
3、如文档内容存在违规,或者侵犯商业秘密、侵犯著作权等,请点击“违规举报”。

碎片内容

1.5M风机故障解释(Freqcon主控)1.2版

您可能关注的文档

确认删除?
VIP
微信客服
  • 扫码咨询
会员Q群
  • 会员专属群点击这里加入QQ群
客服邮箱
回到顶部