电脑桌面
添加小米粒文库到电脑桌面
安装后可以在桌面快捷访问

PLC课程实训报告VIP免费

PLC课程实训报告_第1页
1/10
PLC课程实训报告_第2页
2/10
PLC课程实训报告_第3页
3/10
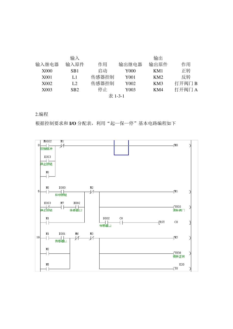
PLC 课程 实训报告 姓 名:蔡晓春 班 级:电气101 学 号: 14 指导老师:夏路生、廖世海 实训名称:PLC 课程实训 江西工业工程职业技术学院 实训课题一:自动搅拌控制系统的PLC 设计 一、实训的学习目标: 1.了解 PLC 系统设计思路及步骤。 2.掌握几个典型任务的设计思路,PLC 的应用与设计的方法,能独立进行程序设计 3.通过实训巩固书本上 PLC 的理论知识 二、控制要求 如图 1.2.1 所示,启动初始状态时出料阀门 A 关闭,然后减料阀门 B 打开,开始进料,液面开始上升。当液面传感器 L1 接通后,停止进料阀门,搅拌机以正转 2 秒,停 2 秒,反转 3 秒方式开始搅拌。搅拌循环 3 次后,停止搅拌,打开出料阀门 A。当液面下降到传感器 L2 时,开关断开,关闭出料阀门 A,又重新打开进料阀门 B,开始进料,重复上述过程。 图 1.2.1 三、项目实现 1. I/O(输入/输出)分配表 由控制要求可知 PLC 需要 3 个输入点,3 个输出点,其分配表见表 1-3-1。 输入 输出 输入继电器 输入原件 作用 输出继电器 输出原件 作用 X 000 SB1 启动 Y 000 KM1 正转 X 001 L1 传感器控制 Y 001 KM2 反转 X 002 L2 传感器控制 Y 002 KM3 打开阀门B X 003 SB2 停止 Y 003 KM4 打开阀门A 表1-3-1 2.编程 根据控制要求和I/O 分配表,利用“起—保—停”基本电路编程如下 自动搅拌控制系统的编程思路与方法: 首先按照控制要求如1-3-2 画出顺序功能图。用辅助继电器 M 来代替步,某一步为活动步时,对应的辅助继电器为接通状态,某一步转换实现时,该转换的后续步变为活动步,前级步变为不活动步。由于很多转换条件都是短信号,即它的存在时间比它激活后续步为活动步的时间短,因此,应使用有记忆功能的电路来控制代表步的辅助继电器。这个自动搅拌控制系统最重要的就是循环搅拌三次的控制,循环三次可以利用计数器来控制。电动机反转控制的时间 T2 每次驱动计数器 C0 的线圈时,计数器的当前值就加 1.。所以当用 C0K3 的计数器时,当累加值为 3 时,程序才会往下面继续执行。 3. 仿真运行 因为硬件的限制,所以本项目只能在软件上仿真进行。仿真主要是在PLC编程软件上操作。编好梯形图程序后,单机仿真按钮,再打开软元件输入口 X和输出口 Y ,这时双击 X 000 代表按启动按钮 SB1(其他按钮同理),然后看输出口 Y 是否符合要求。比如按...

1、当您付费下载文档后,您只拥有了使用权限,并不意味着购买了版权,文档只能用于自身使用,不得用于其他商业用途(如 [转卖]进行直接盈利或[编辑后售卖]进行间接盈利)。
2、本站所有内容均由合作方或网友上传,本站不对文档的完整性、权威性及其观点立场正确性做任何保证或承诺!文档内容仅供研究参考,付费前请自行鉴别。
3、如文档内容存在违规,或者侵犯商业秘密、侵犯著作权等,请点击“违规举报”。

碎片内容

PLC课程实训报告

您可能关注的文档

确认删除?
VIP
微信客服
  • 扫码咨询
会员Q群
  • 会员专属群点击这里加入QQ群
客服邮箱
回到顶部