电脑桌面
添加小米粒文库到电脑桌面
安装后可以在桌面快捷访问

PM20CJ060模块和SA4828的接口VIP专享VIP免费

PM20CJ060模块和SA4828的接口_第1页
1/10
PM20CJ060模块和SA4828的接口_第2页
2/10
PM20CJ060模块和SA4828的接口_第3页
3/10
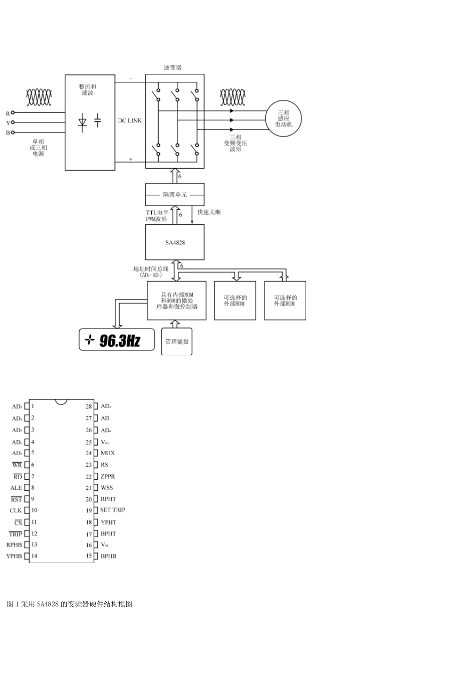
1 前言 智能化全数字式专用变频器的设计 (1)考为了提高变频器的工作可靠性和控制精度,采用智能化数字化设计,同时也结合小型化的特点,主功率器件采用智能功率模块(IPM)PM20CSJ060。输入为单相220V 交流,经单相全桥整流器整流后供给智能功率模块,输出为三相220V 交流,接0.5kW 三相异步电动机(改为△接法)。(2)采用8 位单片机51 作为系统 CPU 用来管理系统,它具有运算速度快,精度高,指令功能强等特点。并带有 A/D 转换器,可以完成模拟量和数字量信号的检测。控制运算及数据处理,保护功能的逻辑判断,给PWM 产生电路 SA4828 送设定和控制数据,以及管理键盘和数码显示等功能。 (3)SPWM 波发生器采用英国MITEL 公司的增强型运动控制大规模集成电路 SA4828。该芯片作为一种独立于微处理器的外设形式工作,但它可以受控于任何类型的微处理器而几乎不需要附加任何逻辑电路。管脚的配置 使 其 能适 用于大部 分 总 线 格 式,包 括 复 用的地 址 /数据总 线 格 式和RD/WR 或 R/W控制模式。由 于仅 在 改变运行 状 态 时需要微处理器的介 入,因 此 工作时芯片几乎不占 用CPU 的资 源 。 SA4828 采用全数字化操 作,载 波频率可达 24kHz。内 部 ROM 中 存 有三种可选 的输出电源 波形,谐 波抑 制技 术 可减 少 功率器件的损 耗 。16 位频率控制精度,三个 独立的幅 值 寄 存 器可进 行 三相不平 衡 补 偿 。利 用SA4828 设计的变频器硬 件结构 图 如 图 1 所 示。 3SA4828 的功能特点及工作原 理 3.1SA4828 管脚图 及管脚功能说 明 SA4828 管脚图 如 图 2 所 示。管脚功能说 明 见 表 1。3.2SA4828 内 部 结构 框 图 及工作原 理 图1 采用SA4828 的变频器硬件结构框图 图2SA4828 管脚图 图3 为SA4828 的内部结构框图,从图中可以看到SA4828 主要由三部分构成: (1)接收并存储微处理器命令(控制字)的部分,它主要由总线控制、总线译码、暂存器R0、R1…R5,虚拟寄存器R14、R15 及 32 位初始化寄存器和48 位控制寄存器构成; (2)从波形 ROMS 读取调制波形的部分,它由地址发生器和波形解压缩缓冲器构成; (3)三相输出控制电路及输出脉冲锁存电路,每相输出控制电路又由脉冲删除电路和脉冲延迟电路组成。 SA4828 芯片具有并行的接口与微处理器进行通信。该接口和几乎所有工业标准的微处理...

1、当您付费下载文档后,您只拥有了使用权限,并不意味着购买了版权,文档只能用于自身使用,不得用于其他商业用途(如 [转卖]进行直接盈利或[编辑后售卖]进行间接盈利)。
2、本站所有内容均由合作方或网友上传,本站不对文档的完整性、权威性及其观点立场正确性做任何保证或承诺!文档内容仅供研究参考,付费前请自行鉴别。
3、如文档内容存在违规,或者侵犯商业秘密、侵犯著作权等,请点击“违规举报”。

碎片内容

PM20CJ060模块和SA4828的接口

小辰5+ 关注
实名认证
内容提供者

出售各种资料和文档

确认删除?
VIP
微信客服
  • 扫码咨询
会员Q群
  • 会员专属群点击这里加入QQ群
客服邮箱
回到顶部