电脑桌面
添加小米粒文库到电脑桌面
安装后可以在桌面快捷访问

电力服务收费项目及实用标准VIP专享VIP免费

电力服务收费项目及实用标准_第1页
1/9
电力服务收费项目及实用标准_第2页
2/9
电力服务收费项目及实用标准_第3页
3/9
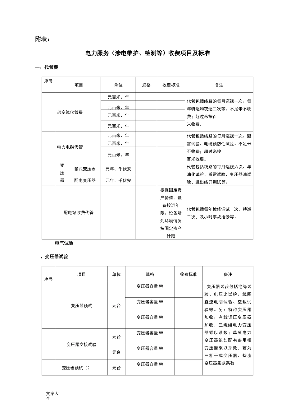
文案大全附表:电力服务(涉电维护、检测等)收费项目及标准一、代管费序号项目单位规格收费标准备注架空线代管费元百米、年代管包括线路的每月巡视一次、每年特巡和夜巡二次等。不足米不收费;超过米按百米收费。元百米、年元百米、年元百米、年电力电缆代管元百米、年代管包括线路的每月巡视一次、避雷试验、电缆预防性试验。不足米不收费;超过米按百米收费。元百米、年元百米、年变压器箱式变压器元年、千伏安代管包括线路的每月巡视六次、年油化试验、避雷试验、变压器油试验、进出线开调试等。配电变压器元年、千伏安配电站收费代管根据固定资产价值、设备投运年限、设备所处环境情况按固定资产计取代管包括每年检修调试一次,特巡二次,及小时事故抢修等。电气试验、变压器试验序号项目单位规格收费标准备注变压器预试元台变压器容量 W变压器试验包括绝缘试验、电压比试验、线圈直流电阴试验、空载试验等。另:特种变压器加收;有载调压变压器加收;三绕组电力变压器乘以系数;单项电力变压器组如配有备用相变压器乘以系数;若为三相干式变压器、整流变压器乘以系数变压器容量 W变压器容量 W变压器交接试验元台变压器容量 W元台变压器容量 W变压器预试()元台变压器容量 W文案大全变压器预试()元台变压器容量〉变压器预试()元台变压器容量 W变压器预试()元台变压器容量〉变压器检查元次不含电压器试验变压器调档元次、避雷器、电容器试验序号项目规格单位收费标准避雷器试验(普通型)元组(氧化锌型)元组(普通型)元组(氧化锌型)元组(普通型)元组(氧化锌型)元组(普通型)元组(氧化锌型)元组计数器元组避雷器交接试验(普通型)元组(氧化锌型)元组(普通型)元组(氧化锌型)元组(普通型)元组(氧化锌型)元组(普通型)元组(氧化锌型)元组计数器元组耦合电容器试验元组元组元组耦合电容器交接试验元组元组元组静电电容器试验及以下元组元组备注:电容器试验包括:绝缘电阻、介质损测量、并联电路交流耐压试验、配合冲击合闸检查试验。文案大全、电缆试验序号项目单位规格收费标准(元)备注电力电缆试验元组以下电力电缆试验包括:绝缘电阻、泄漏电流、交流耐电压等试验。元组元组元组电力电缆交接试验元组元组元组电力电缆参数试验元架空线路参数试验兀、开关试验序号项目单位规格收费标准(元)备注隔离开关试验元组以下元组以下负荷开关试验元组以下按隔离开关试验的收费标准的倍计收元组以下、接地装置...

1、当您付费下载文档后,您只拥有了使用权限,并不意味着购买了版权,文档只能用于自身使用,不得用于其他商业用途(如 [转卖]进行直接盈利或[编辑后售卖]进行间接盈利)。
2、本站所有内容均由合作方或网友上传,本站不对文档的完整性、权威性及其观点立场正确性做任何保证或承诺!文档内容仅供研究参考,付费前请自行鉴别。
3、如文档内容存在违规,或者侵犯商业秘密、侵犯著作权等,请点击“违规举报”。

碎片内容

电力服务收费项目及实用标准

确认删除?
VIP
微信客服
  • 扫码咨询
会员Q群
  • 会员专属群点击这里加入QQ群
客服邮箱
回到顶部