电脑桌面
添加小米粒文库到电脑桌面
安装后可以在桌面快捷访问

室外给水管道施工工艺4936146591VIP免费

室外给水管道施工工艺4936146591_第1页
1/14
室外给水管道施工工艺4936146591_第2页
2/14
室外给水管道施工工艺4936146591_第3页
3/14
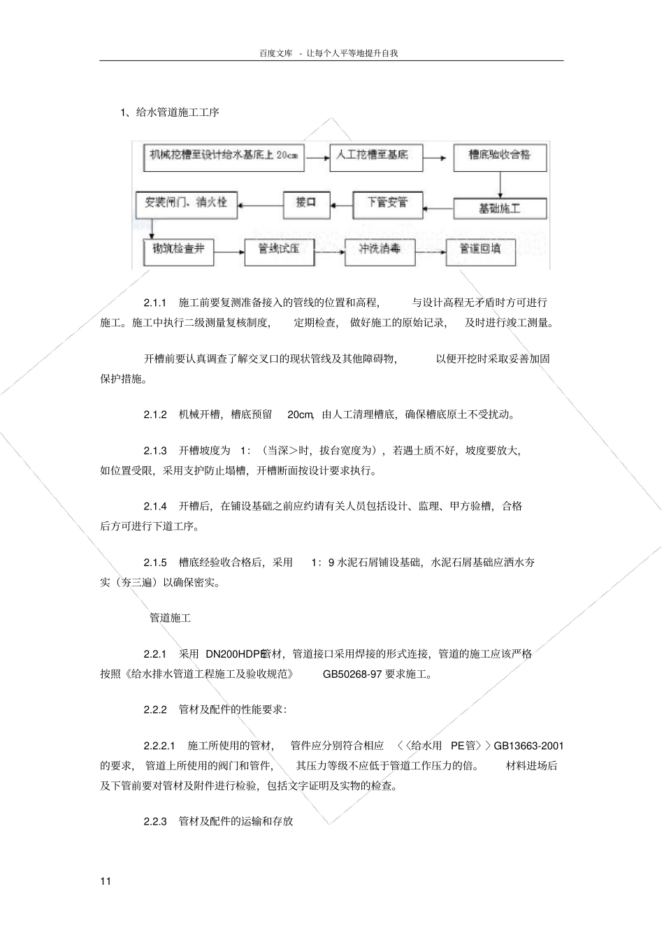
百度文库- 让每个人平等地提升自我11 1、给水管道施工工序2.1.1 施工前要复测准备接入的管线的位置和高程,与设计高程无矛盾时方可进行施工。施工中执行二级测量复核制度,定期检查, 做好施工的原始记录,及时进行竣工测量。开槽前要认真调查了解交叉口的现状管线及其他障碍物,以便开挖时采取妥善加固保护措施。2.1.2 机械开槽,槽底预留20cm,由人工清理槽底,确保槽底原土不受扰动。2.1.3 开槽坡度为1:(当深>时,拔台宽度为),若遇土质不好,坡度要放大,如位置受限,采用支护防止塌槽,开槽断面按设计要求执行。2.1.4 开槽后,在铺设基础之前应约请有关人员包括设计、监理、甲方验槽,合格后方可进行下道工序。2.1.5 槽底经验收合格后,采用1:9 水泥石屑铺设基础,水泥石屑基础应洒水夯实(夯三遍)以确保密实。管道施工2.2.1 采用 DN200HDPE管材,管道接口采用焊接的形式连接,管道的施工应该严格按照《给水排水管道工程施工及验收规范》GB50268-97 要求施工。2.2.2 管材及配件的性能要求:2.2.2.1施工所使用的管材,管件应分别符合相应 〈〈给水用 PE管〉〉GB13663-2001的要求, 管道上所使用的阀门和管件,其压力等级不应低于管道工作压力的倍。材料进场后及下管前要对管材及附件进行检验,包括文字证明及实物的检查。2.2.3 管材及配件的运输和存放百度文库- 让每个人平等地提升自我22 2.2.3.1 管材在运输、装卸及堆放过程中严禁抛扔或激烈碰撞,应避阳光爆晒。2.3.3.2 PE管管材、配件堆放时,应放平垫实,堆放高度不宜超过米。2.3.4 管道的铺设应在沟底标高和管道基础质量检查合格后进行进行,再铺设管道前要对管材、管件等重新进行一次外观检查,发现有问题的管材、管件均不得采用。2.2.4 管材吊运与下管:2.2.4.1 管材在吊运及放入沟内时,应应采用可靠的软带吊具,平稳下沟,不得与沟壁或沟底剧烈碰撞。2.2.4.2 每天下班前及时封堵,防止被水浸泡。 PE 管接口施工热熔对接连接2.3.1热熔对接连接是将电加热板插入两管材接口之间,对管材的连接面加热,当两管材的连接面加热到熔融状态时,抽出加热板,施加一定压力,使之形成均匀一致的凸缘,待冷却后即熔接牢固。是通过热熔对接焊机进行操作的。2.3.2热熔对接连接一般分为五个阶段;预热阶段、吸热阶段、加热板取出阶段、对接阶段、 冷却阶段。 加热温度和各个阶段所需要的压力及时间应符合热熔连接机具生产厂和管材、管件生产厂的规定。注:热熔对...

1、当您付费下载文档后,您只拥有了使用权限,并不意味着购买了版权,文档只能用于自身使用,不得用于其他商业用途(如 [转卖]进行直接盈利或[编辑后售卖]进行间接盈利)。
2、本站所有内容均由合作方或网友上传,本站不对文档的完整性、权威性及其观点立场正确性做任何保证或承诺!文档内容仅供研究参考,付费前请自行鉴别。
3、如文档内容存在违规,或者侵犯商业秘密、侵犯著作权等,请点击“违规举报”。

碎片内容

室外给水管道施工工艺4936146591

您可能关注的文档

确认删除?
VIP
微信客服
  • 扫码咨询
会员Q群
  • 会员专属群点击这里加入QQ群
客服邮箱
回到顶部