电脑桌面
添加小米粒文库到电脑桌面
安装后可以在桌面快捷访问

丰田车辆维修标准工时VIP免费

丰田车辆维修标准工时_第1页
1/6
丰田车辆维修标准工时_第2页
2/6
丰田车辆维修标准工时_第3页
3/6
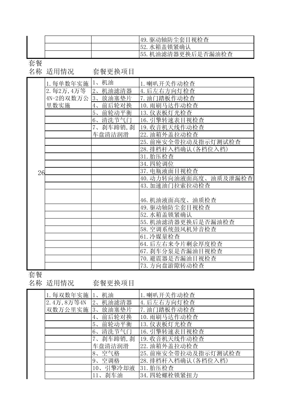
套餐名称适用情况套餐更换项目1.每3个月实施1、机油1.喇叭开关作动检查2、机油滤清器4.后左右方向灯检查3、放油塞垫片7.油门踏板作动检查10.雨刷马达作动检查13.仪表板灯光检查16.引擎转速表目视检查19.收音机天线作动检查22.油箱外盖拉动检查25.前座安全带拉动及指示灯测试检查28.排档杆入档确认(各档位入档)31.胎压检查34.电瓶性能测试检查37.刹车油液面高度、油质检查40.空气滤清器芯子清洁及检查43.雨刷水液位检查46.引擎是否漏油目视检查49.水箱是否漏水确认套餐名称适用情况套餐更换项目1.每半年实施1、机油1.喇叭开关作动检查2、机油滤清器4.后左右方向灯检查3、放油塞垫片7.油门踏板作动检查4、前后轮对换10.雨刷马达作动检查5、前轮动平衡13.仪表板灯光检查16.引擎转速表目视检查19.收音机天线作动检查22.油箱外盖拉动检查25.前座安全带拉动及指示灯测试检查28.排档杆入档确认(各档位入档)31.胎压检查34.四轮调位37.电瓶液面目视检查40.动力转向油液面高度、油质及泄漏检查43.加速油门拉索拉动检查46.机油液面高度、油质检查A152.每5000公里实施2.1,3,5,7单数万公里数实施A35保养套1. 燃油滤清器每4万更换 2. 差速器油每4万更换 3. 车轮轴承黄油每4万火花塞每5万更换 7. 白金型及铱合金型火星塞每10万更换周期性更换项目建议(本项工时另计):49.驱动轴防尘套目视检查52.水箱盖锁紧确认55.机油滤清器更换后是否漏油检查套餐名称适用情况套餐更换项目1.每单数年实施1、机油1.喇叭开关作动检查2、机油滤清器4.后左右方向灯检查3、放油塞垫片7.油门踏板作动检查4、前后轮对换10.雨刷马达作动检查5、前轮动平衡13.仪表板灯光检查6、清洗节气门16.引擎转速表目视检查19.收音机天线作动检查22.油箱外盖拉动检查25.前座安全带拉动及指示灯测试检查28.排档杆入档确认(各档位入档)31.胎压检查34.四轮调位37.电瓶液面目视检查40.动力转向油液面高度、油质及泄漏检查43.加速油门拉索拉动检查46.机油液面高度、油质检查49.驱动轴防尘套目视检查52.水箱盖锁紧确认55.机油滤清器更换后是否漏油检查58.空调系统鼓风机异音检查61.冷媒量检查64.后左右来令片剩余厚度检查67.刹车分泵是否漏油目视检查70.避震器是否漏油目视检查73.方向盘游隙转动检查套餐名称适用情况套餐更换项目1.每双数年实施1、机油1.喇叭开关作动检查2、机油滤清器4.后左右方向灯检查3、放油塞垫片7.油门踏板作动检查4、前后轮对换10.雨刷马达作动检查5、前轮动平衡13.仪表板灯光...

1、当您付费下载文档后,您只拥有了使用权限,并不意味着购买了版权,文档只能用于自身使用,不得用于其他商业用途(如 [转卖]进行直接盈利或[编辑后售卖]进行间接盈利)。
2、本站所有内容均由合作方或网友上传,本站不对文档的完整性、权威性及其观点立场正确性做任何保证或承诺!文档内容仅供研究参考,付费前请自行鉴别。
3、如文档内容存在违规,或者侵犯商业秘密、侵犯著作权等,请点击“违规举报”。

碎片内容

丰田车辆维修标准工时

确认删除?
VIP
微信客服
  • 扫码咨询
会员Q群
  • 会员专属群点击这里加入QQ群
客服邮箱
回到顶部