电脑桌面
添加小米粒文库到电脑桌面
安装后可以在桌面快捷访问

冶金矿山采矿制图标准VIP免费

冶金矿山采矿制图标准_第1页
1/31
冶金矿山采矿制图标准_第2页
2/31
冶金矿山采矿制图标准_第3页
3/31
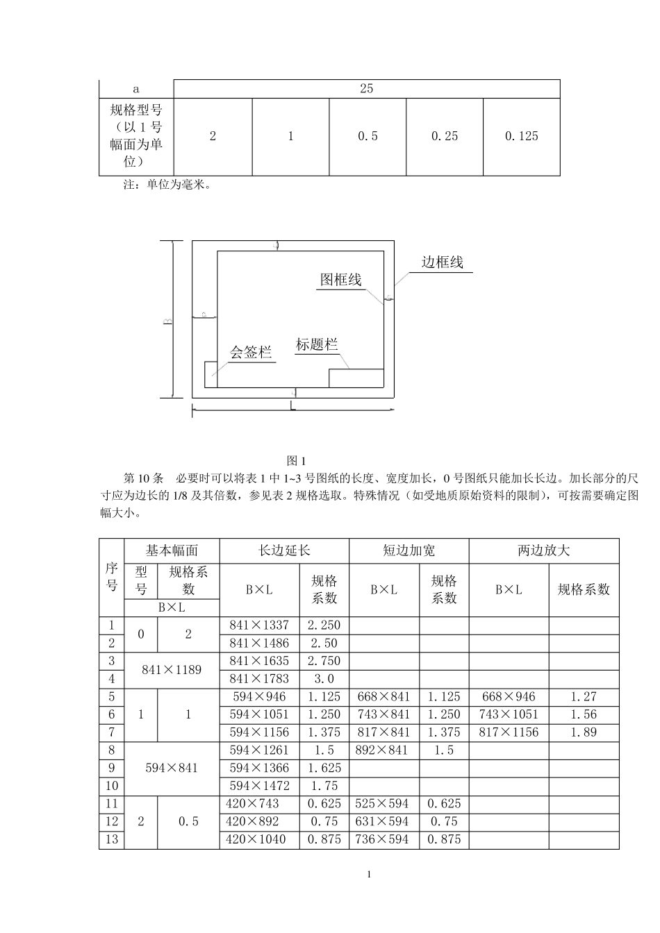
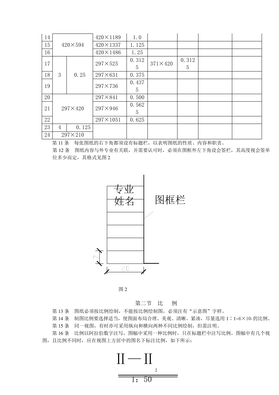
冶 金 矿 山 采 矿 设 计 制 图 标 准 目 录 第 一 章 总 则 ….................................................................( 1 ) 第 二 章 制 图 标 准 ….............................................................. ( 1 ) 第 一 节 图 幅 规 格 及 标 题 栏 …..............................................( 1 ) 第 二 节 比 例 …................................................................ ( 3 ) 第 三 节 图 线 …................................................................ ( 4 ) 第 四 节 文 字 与 数 字 …......................................................( 5 ) 第 五 节 图 形 画 法 ….........................................................( 8 ) 第 六 节 尺 寸 标 注 …........................................................( 1 0 ) 第 七 节 坐 标 标 注 …........................................................( 1 5 ) 第 八 节 数 值 精 度 …........................................................( 1 8 ) 第 九 节 图 纸 所 附 各 种 表 格 …...........................................( 1 8 ) 第 十 节 图 例 …............................................................... ( 2 0 ) 第 一 章 总 则 第1 条 为 统 一 冶 金 矿 山 采 矿 设 计 制 图 标 准 , 进 一 步 提 高 图 面 质 量 , 使 设 计 者 有 章 可 循 , 审 核 有 据 可查 , 使 设 计 和 施 工 之 间 有 简 捷 共 同 语 言 , 特 制 定 本 标 准 。 第 2 条 采 矿 专 业 各 设 计 阶 段 的 图 纸 , 必 须 按 本 标 准 绘 制 。 第 3 条 设 计 图 纸 必 须 满 足 设 计 深 度 要 求 。 第 4 条 制 图 中 涉 及 其 它 专 业 时 , 应 按 有 关 专 业 制 图 标 准 执 行 。 第 5 条 必 须 认 真 编 排 好 图 纸 目 录 , 各 图 纸 之 间 应 衔 接 合 理 , 协 调 统 一 。 第6 条 制 图 中 应 做到比 例 选择适合 ,...

1、当您付费下载文档后,您只拥有了使用权限,并不意味着购买了版权,文档只能用于自身使用,不得用于其他商业用途(如 [转卖]进行直接盈利或[编辑后售卖]进行间接盈利)。
2、本站所有内容均由合作方或网友上传,本站不对文档的完整性、权威性及其观点立场正确性做任何保证或承诺!文档内容仅供研究参考,付费前请自行鉴别。
3、如文档内容存在违规,或者侵犯商业秘密、侵犯著作权等,请点击“违规举报”。

碎片内容

冶金矿山采矿制图标准

确认删除?
VIP
微信客服
  • 扫码咨询
会员Q群
  • 会员专属群点击这里加入QQ群
客服邮箱
回到顶部