电脑桌面
添加小米粒文库到电脑桌面
安装后可以在桌面快捷访问

冷冲压件未注公差尺寸VIP免费

冷冲压件未注公差尺寸_第1页
1/10
冷冲压件未注公差尺寸_第2页
2/10
冷冲压件未注公差尺寸_第3页
3/10
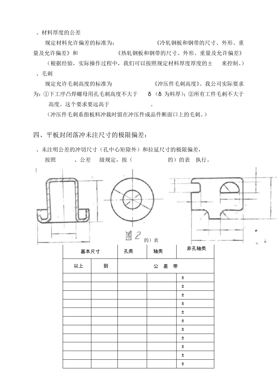
冷冲压件未注公差尺寸 的极限偏差的控制 一、课题原因: 1、要解决的问题: 质量检验需要进行零部件合格与否的判定。对于图纸标注有公差要求的尺寸,我们可以根据测量结果直接进行判定。对于没有标注公差要求的尺寸,其极限偏差也必须控制在一个合理的范围之内。 本部分内容要解决的就是经冷冲压加工形成的汽车零部件在产品图中未注公差尺寸的极限偏差控制范围问题。 为了避免产生争议或者发生影响生产的误判,我们有必要进行标准的统一。 2、标准的选定: 标准号 标准名称 CA/CBG-2-82 冷冲压件未注公差尺寸的公差 QQ/J04035-2001 冲压件检查标准 GB/T 13914-2002 冲压件尺寸公差 GB/T 13915-2002 冲压件角度公差 GB/T 13916-2002 冲压件形状和位置未注公差 JB/T 4129-1999 冲压件毛刺高度 公司给定的冲压件相关标准见上表。 尺寸方面,我们的企业标准是 CA/C BG-2-82《冷冲压件未注公差尺寸的公差》和GB/T 13914-2002 《冲压件尺寸公差》。 CA/C BG-2-82对于一汽集团冲压件质量控制起到了重要作用。 GB/T 13914-2002规定了冲压件的尺寸公差等级。如果产品图纸能够确定相应的等级,则无须按照自由公差来进行质量控制。 还有一个标准——QC/T 268-1999《汽车冷冲压加工零件未注公差尺寸的极限偏差》。作为汽车行业标准,其中较详细地规定了汽车产品零件图中经冷冲压加工形成的尺寸要素未注公差尺寸的极限偏差的相关要求。 为了统一标准,我们以 CA/C BG-2-82为主体、选用汽车行业标准 QC/T 268-1999为补充,来作为判定的依据。 3、补充说明: 后面的内容,是以 CA/C BG-2-82为主体、以 QC/T 268-1999为补充。 如有冲突,按照CA/C BG-2-82《冷冲压件未注公差尺寸的公差》执行! CA/C BG-2-82《冷冲压件未注公差尺寸的公差》正式版本以 Windchill系统里面的文件为准! 冲压车间及冷加工车间生产的冲压件、机加工车间生产的折弯及钻孔件、冷加工车间生产的弯管件,都按本讲义宣贯的标准内容执行! 二、CA/C GB-2-82的适用范围 本标准适用于本厂冲压件,产品图纸中未注明公差的尺寸公差。 不适用于参考尺寸,几何结构尺寸,按主模型制造的零件尺寸,工序间尺寸和总成装配尺寸。 三、隐含在设计文件中的要求 1、冲切尺寸:即冲裁件光亮带部分所测得的尺寸。 冲裁(冲孔、落料或修边)的冲压件,在图纸上给出的基本尺寸系指孔的最小尺寸l(在凸模一面)和外廓的最大尺寸 L1(在凹模一面)...

1、当您付费下载文档后,您只拥有了使用权限,并不意味着购买了版权,文档只能用于自身使用,不得用于其他商业用途(如 [转卖]进行直接盈利或[编辑后售卖]进行间接盈利)。
2、本站所有内容均由合作方或网友上传,本站不对文档的完整性、权威性及其观点立场正确性做任何保证或承诺!文档内容仅供研究参考,付费前请自行鉴别。
3、如文档内容存在违规,或者侵犯商业秘密、侵犯著作权等,请点击“违规举报”。

碎片内容

冷冲压件未注公差尺寸

确认删除?
VIP
微信客服
  • 扫码咨询
会员Q群
  • 会员专属群点击这里加入QQ群
客服邮箱
回到顶部