电脑桌面
添加小米粒文库到电脑桌面
安装后可以在桌面快捷访问

地下室结构方案经济性比较VIP免费

地下室结构方案经济性比较_第1页
1/9
地下室结构方案经济性比较_第2页
2/9
地下室结构方案经济性比较_第3页
3/9
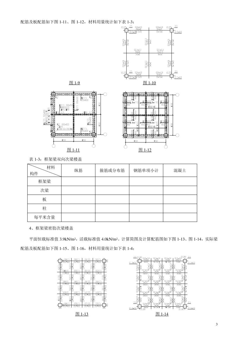
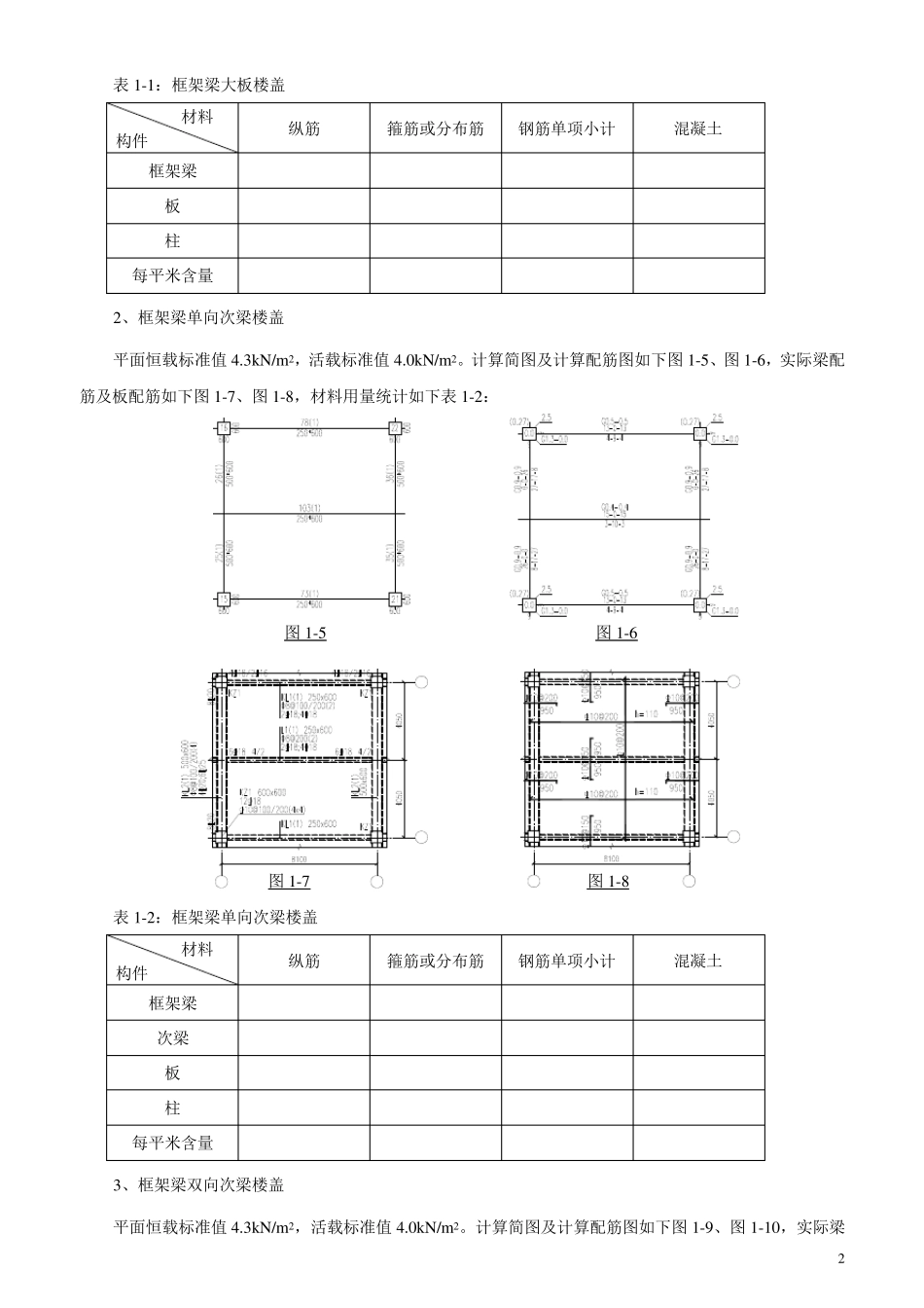
1 地下室常用结构类型经济性比较 一、引言 近几年我国建筑产业处于高速发展阶段,尤其住宅建筑市场广阔,对房地产开发商或建筑设计企业都存在大量的机遇和挑战。2000 年后各专业新规范陆续实施,随市场竞争日趋激烈甲方对建造成本控制越来越严格,节能观念在社会各界普及等等,对重要的常用的结构类型经济性有一定掌握是必要和迫切的。本文尝试就地下室钢筋混凝土材料用量,从不同结构类型间的纵向比较中,找出一些量化的关系,期望能为结构设计、成本控制提供部分参考价值。 二、汽车库常用结构类型楼盖经济性比较 分析实例:柱距8.1m ×8.1m ,纵横均5 跨,层高 3.8m ,柱截面600m m ×600m m ,使用活载标准值4.0kN/m 2,相同层高楼盖共3 层,取中间层的中间跨作为计算比较的单元。混凝土强度等级C30,梁纵筋 HRB400,梁箍筋 HPB235,板受力筋 HRB335,板分布筋 HPB235。最大裂缝宽度0.3m m 。不同结构类型的楼盖参数如下: (1)、框架梁大板楼盖:框架梁400×600,板厚200; (2)、框架梁单向次梁楼盖:框架梁500×600 及 250×600,单向单道次梁250×600,板厚110; (3)、框架梁双向次梁楼盖:框架梁350×600,双向单道次梁200×500,板厚110; (4)、框架梁密肋次梁楼盖:框架梁350×600,双向四道次梁125×500,板厚90; (5)、柱帽大板楼盖:45°倒锥体柱帽650(高)×1900(顶边长),板厚220。 1、框架梁大板楼盖 平面恒载标准值6.6kN/m 2,活载标准值4.0kN/m 2。计算简图及计算配筋图如下图 1-1、图 1-2,实际梁配筋及板配筋如下图 1-3、图 1-4,材料用量统计如下表 1-1: 图 1-1 图 1-2 图 1-3 图 1-4 2 表1-1:框架梁大板楼盖 材料 构件 纵筋 箍筋或分布筋 钢筋单项小计 混凝土 框架梁 479.0 kg 133.8 kg 612.8 kg 2.40 m3 板 936.8 kg 37.0 kg 973.8 kg 13.12 m3 柱 91.1 kg 92.8 kg 183.9 kg 1.30 m3 每平米含量 23.0 kg/m2 4.0 kg/m2 27.0 kg/m2 0.256 m3/m2 2、框架梁单向次梁楼盖 平面恒载标准值 4.3kN/m 2,活载标准值 4.0kN/m 2。计算简图及计算配筋图如下图 1-5、图 1-6,实际梁配筋及板配筋如下图 1-7、图 1-8,材料用量统计如下表1-2: 图 1-5 图 1-6 图 1-7 图 1-8 表1-2:框架梁单向次梁楼盖 材料 构件 纵筋 箍筋或分布筋 钢筋单项小计 混凝土 框架梁 471.5 kg 104.2 kg 575.7 kg 2...

1、当您付费下载文档后,您只拥有了使用权限,并不意味着购买了版权,文档只能用于自身使用,不得用于其他商业用途(如 [转卖]进行直接盈利或[编辑后售卖]进行间接盈利)。
2、本站所有内容均由合作方或网友上传,本站不对文档的完整性、权威性及其观点立场正确性做任何保证或承诺!文档内容仅供研究参考,付费前请自行鉴别。
3、如文档内容存在违规,或者侵犯商业秘密、侵犯著作权等,请点击“违规举报”。

碎片内容

地下室结构方案经济性比较

您可能关注的文档

确认删除?
VIP
微信客服
  • 扫码咨询
会员Q群
  • 会员专属群点击这里加入QQ群
客服邮箱
回到顶部