电脑桌面
添加小米粒文库到电脑桌面
安装后可以在桌面快捷访问

工业企业生产管理VIP免费

工业企业生产管理_第1页
1/9
工业企业生产管理_第2页
2/9
工业企业生产管理_第3页
3/9
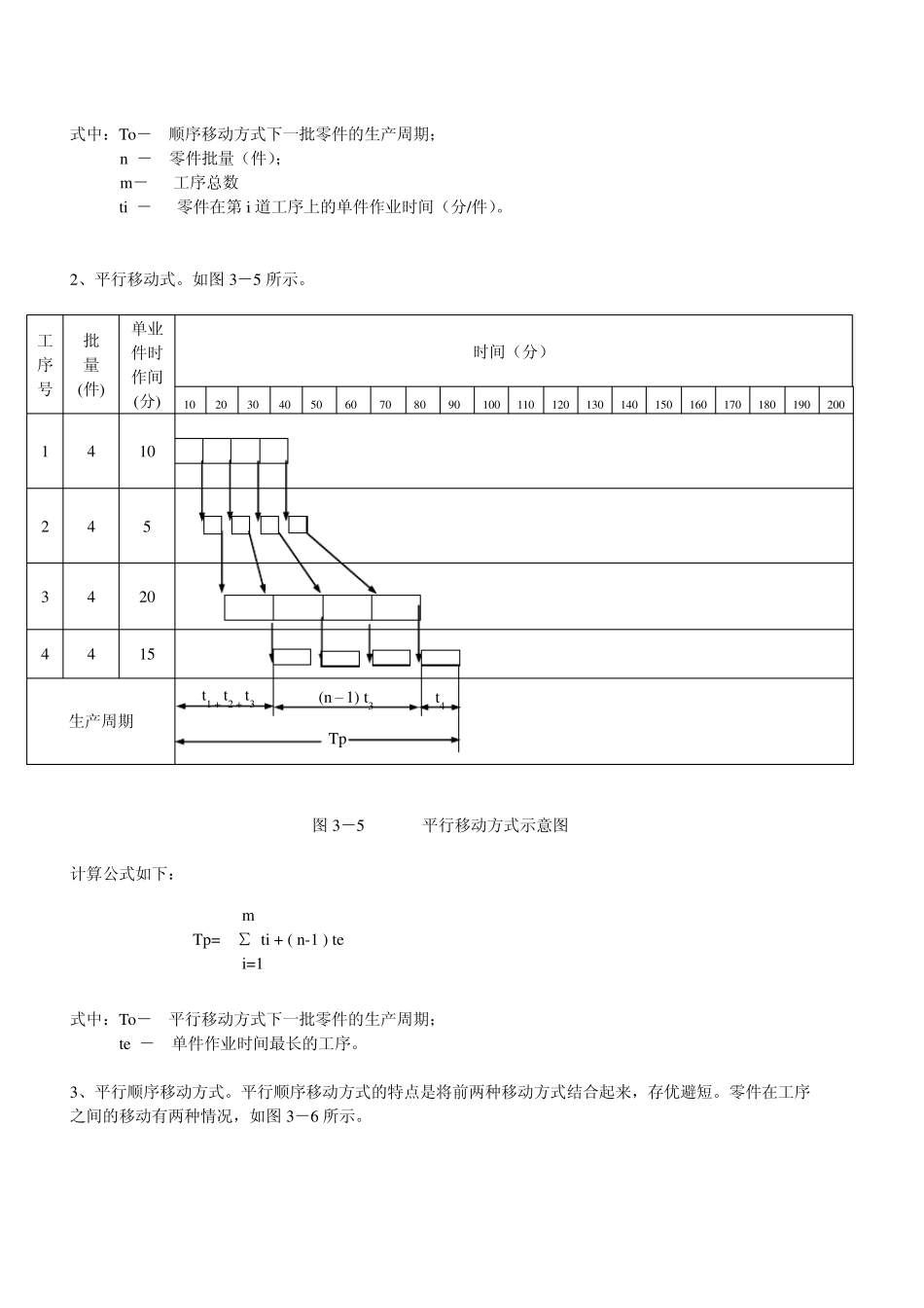
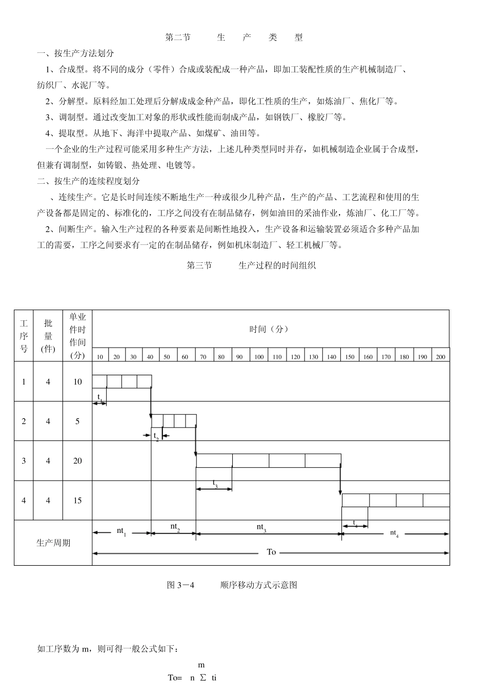
第三章 生产过程组织 第一节 组织生产过程的要求 一、生产过程及其组成 企事的生产过程是各种产品生产过程的总和,一般由以下几信部分组成: 1 、生产技术准备过程。 2 、基本生产过程。 3 、辅助生产过程。 4 、生产服务过程。 二、生产过程组织的要求 生产过程的组织工作必须符合连续性、平行性、比例性和均衡性的要求。只有按照这些要求去组织 生产,才能以最小的劳动耗费,取得最好的生产成果,提高生产的经济效益。 1、生产过程中的连续性。连续性是指产品在生产过程中各阶段、各工序之间的流动,在时间上是紧 密衔接的、连续不断的,也就是说,产品在生产过程中始终处于运动状态,不是在进行加工、装配、 检验,就是处于运输或自然过程中,没有或很少有不必要的停顿和等待时间。保持和提高生产过程的 连续性,可以缩短产品的生产周期,减少在制品的数量,加速流动资金的周转;可以更好地利用物资、 设备和生产面积,减少产品地停放等待时可能发生的损失;有利于改善产品的质量。生产过程的连续 性同工厂布置、同生产技术水平有关。工厂布置合理,或采用先进的科学技术,提高机械化、自动化 水平,就比较容易实现生产过程的连续性。在一定的生产技术水平条件下,生产过程的连续性还同生 产管理工作的水平有关。生产管理好,如采用先进的生产组织形式,合理地安排工序,提前生产准备 工作等,就能提高生产过程的连续性。 2 、生产过程的平行性,平行性是指生产过程的各项活动、各工序在时间上实行平行作业。例如在钢 铁联合企业中,炼铁、炼钢、轧钢等生产活动是连续、平行进行的。转炉在吹炼时,同铁水的脱硫处 理、钢锭模的准备等工作也是同时并进的。平行性是生产过程连续性的必然要求,只有将可以平行进 行的活动组织平行交错作业,才能真正达到连续性的要求。生产过程的平行性可以大大缩短产品的生 产周期,在同一时间内提供更多的产品。 3 、生产过程的比例性。比例性是指生产过程各阶段、各工序之间在生产能力上要保持一定的比例关 系,以适应产品生产的要求。这种比例关系主要是指各个生产环节的工人人数、设备数量、生产速率、 开动班次等,都必须互相协调。比例性是保证生产顺利前提,有利于充分利用企业的设备、生产面积、 人力和资金,减少产品在生产过程中的停顿、等待时间,缩短生产周期。为了保持生产过程的比例性, 在工厂设计或生产系统设计时,就要正确规定生产过程的各个环节、各种机...

1、当您付费下载文档后,您只拥有了使用权限,并不意味着购买了版权,文档只能用于自身使用,不得用于其他商业用途(如 [转卖]进行直接盈利或[编辑后售卖]进行间接盈利)。
2、本站所有内容均由合作方或网友上传,本站不对文档的完整性、权威性及其观点立场正确性做任何保证或承诺!文档内容仅供研究参考,付费前请自行鉴别。
3、如文档内容存在违规,或者侵犯商业秘密、侵犯著作权等,请点击“违规举报”。

碎片内容

工业企业生产管理

您可能关注的文档

确认删除?
VIP
微信客服
  • 扫码咨询
会员Q群
  • 会员专属群点击这里加入QQ群
客服邮箱
回到顶部