电脑桌面
添加小米粒文库到电脑桌面
安装后可以在桌面快捷访问

消防安全标示(GB13495—92)VIP免费

消防安全标示(GB13495—92)_第1页
1/19
消防安全标示(GB13495—92)_第2页
2/19
消防安全标示(GB13495—92)_第3页
3/19
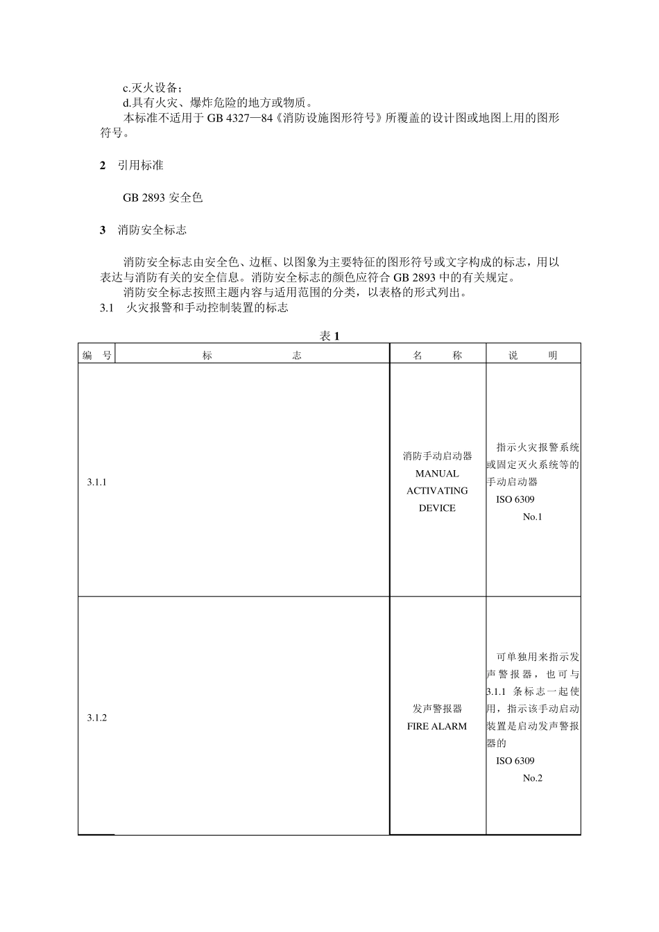
UDC 614.84:003.62 C 80 中华人民共和国国家标准 GB 13495—92 消 防 安 全 标 志 Fire safety signs 1992-06-12 发布 1993-03-01 实施 国家技术监督局 发 布 目 次 1 主题内容与适用范围 2 引用标准 3 消防安全标志 3.1 火灾报警和手动控制装置的标志 3.2 火灾时疏散途径的标志 3.3 灭火设备的标志 3.4 具有火灾、爆炸危险的地方或物质的标志 3.5 方向辅助标志 3.6 文字辅助标志 4 消防安全标志杆 5 消防安全标志的几何图形尺寸 6 消防安全标志牌的制作 7 消防安全标志的设置位置 附录 A 安全标志的尺寸(参考件) 中华人民共和国国家标准 消 防 安 全 标 志 GB 13495—92 Fire safety signs 本标准参照采用国际标准ISO 6309—1987《消防——安全标志》。 1 主题内容与适用范围 1.1 本标准规定了与消防有关的安全标志及其标志牌的制作、设置位置。 1.2 本标准的应用领域要尽可能广泛地扩大到需要或者应该的一切场所,以向公众表明下列内容的位置和性质: a.火灾报警和手动控制装置; b.火灾时疏散途径; c.灭火设备; d.具有火灾、爆炸危险的地方或物质。 本标准不适用于GB 4327—84《消防设施图形符号》所覆盖的设计图或地图上用的图形符号。 2 引用标准 GB 2893 安全色 3 消防安全标志 消防安全标志由安全色、边框、以图象为主要特征的图形符号或文字构成的标志,用以表达与消防有关的安全信息。消防安全标志的颜色应符合 GB 2893 中的有关规定。 消防安全标志按照主题内容与适用范围的分类,以表格的形式列出。 3.1 火灾报警和手动控制装置的标志 表 1 编 号 标 志 名 称 说 明 3.1.1 消防手动启动器 MANUAL ACTIVATING DEVICE 指示火灾报警系统或固定灭火系统等的手动启动器 ISO 6309 No.1 3.1.2 发声警报器 FIRE ALARM 可单独用来指示发声 警 报 器 , 也 可 与3.1.1 条标志一起使用,指示该手动启动装置是启动发声警报器的 ISO 6309 No.2 3.1.3 火警电话 FIRE TELEPHONE 指示在发生火灾时,可用来报警的电话及电话号码 GB 2894—88 No.4—8 3.2 火灾时疏散途径的标志 表 2 编 号 标 志 名 称 说 明 3.2.1 紧急出口 EXIT 指示在发生火灾等紧急情况下,可使用的一切出口。在远离紧急出口的地方,应与 3.5.1标志联用,以指示到达出口的方向 GB 10001—88 No.4 3.2.2 滑动开...

1、当您付费下载文档后,您只拥有了使用权限,并不意味着购买了版权,文档只能用于自身使用,不得用于其他商业用途(如 [转卖]进行直接盈利或[编辑后售卖]进行间接盈利)。
2、本站所有内容均由合作方或网友上传,本站不对文档的完整性、权威性及其观点立场正确性做任何保证或承诺!文档内容仅供研究参考,付费前请自行鉴别。
3、如文档内容存在违规,或者侵犯商业秘密、侵犯著作权等,请点击“违规举报”。

碎片内容

消防安全标示(GB13495—92)

确认删除?
VIP
微信客服
  • 扫码咨询
会员Q群
  • 会员专属群点击这里加入QQ群
客服邮箱
回到顶部