电脑桌面
添加小米粒文库到电脑桌面
安装后可以在桌面快捷访问

液压简答题总题库VIP免费

液压简答题总题库_第1页
1/20
液压简答题总题库_第2页
2/20
液压简答题总题库_第3页
3/20
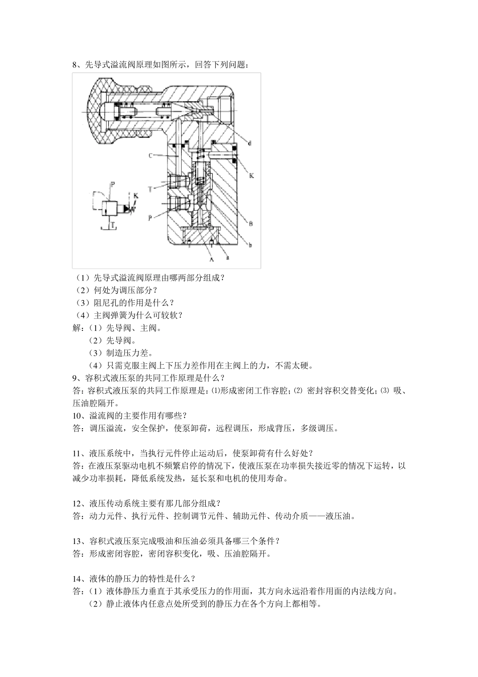
四、简答题 1、画出液控单向阀的图形符号;并根据图形符号简要说明其工作原理。 答:(1) (2)a 当压力油从油口 P1 进入,克服弹簧力,推开单向阀阀芯,压力油从油口 P2 流出; b 当压力油需从油口 P2 进入,从油口 P1 流出时,控制油口 K 须通入压力油,将单向阀阀芯打开。 2、比较节流阀和调速阀的主要异同点。 答:(1)结构方面:调速阀是由定差减压阀和节流阀组合而成,节流阀中没有定差减压阀。 (2)性能方面:a 相同点:通过改变节流阀开口的大小都可以调节执行元件的速度。b不同点:当节流阀的开口调定后,负载的变化对其流量稳定性的影响较大。而调速阀,当其中节流阀的开口调定后,调速阀中的定差减压阀则自动补偿负载变化的影响,使节流阀前后的压差基本为一定值,基本消除了负载变化对流量的影响。 3、低压齿轮泵泄漏的途径有哪几条?中高压齿轮泵常采用什么措施来提高工作压力的? 答:(1)低压齿轮泵泄漏有三条途径:一是齿轮端面与前后端盖间的端面间隙,二是齿顶与泵体内壁间的径向间隙,三是两轮齿啮合处的啮合线的缝隙。 (2)中高压齿轮泵常采用端面间隙能自动补偿的结构,如:浮动轴套结构,浮动(或弹性)侧板结构等。 4、何谓液压传动?其基本工作原理是怎样的? 答:(1)液压传动是以液体为工作介质,利用液体的压力能来实现运动和力的传递的一种传动方式。(2)液压传动的基本原理为帕斯卡原理,在密闭的容器内液体依靠密封容积的变化传递运动,依靠液体的静压力传递动力。 5、现有两个压力阀,由于铭牌脱落,分不清哪个是溢流阀,哪个是减压阀,又不希望把阀拆开,如何根据其特点作出正确判断? 答:从外观上看溢流阀有进油口、出油口和控制油口,减压阀不但有进油口、出油口和控制油口,还多一个外泄油口。从而进行判断。 6、容积节流调速回路的优点是什么?试与节流调速回路、容积调速回路比较说明。 答:节流调速回路具有低速稳定性好,而回路效率低的特点;容积调速回路具有低速稳定性较差,而回路效率高的特点;容积节流调速回路的优点是具有低速稳定性好,而回路效率介于前二者之间,即回路效率较高的特点。 7、液压系统中,当工件部件停止运动后,使泵卸荷有什么好处?试画出一种典型的卸荷回路。 答:液压系统中,当工件部件停止运动后,使泵卸荷可减少系统的功率损失,降低系统油液的发热,改善系统性能。卸荷回路(略)。 8 、先导式溢流阀原理如图所示,回答下列问题:...

1、当您付费下载文档后,您只拥有了使用权限,并不意味着购买了版权,文档只能用于自身使用,不得用于其他商业用途(如 [转卖]进行直接盈利或[编辑后售卖]进行间接盈利)。
2、本站所有内容均由合作方或网友上传,本站不对文档的完整性、权威性及其观点立场正确性做任何保证或承诺!文档内容仅供研究参考,付费前请自行鉴别。
3、如文档内容存在违规,或者侵犯商业秘密、侵犯著作权等,请点击“违规举报”。

碎片内容

液压简答题总题库

您可能关注的文档

确认删除?
VIP
微信客服
  • 扫码咨询
会员Q群
  • 会员专属群点击这里加入QQ群
客服邮箱
回到顶部