电脑桌面
添加小米粒文库到电脑桌面
安装后可以在桌面快捷访问

1X62W型万能铣床的电气控制电路及工作原理VIP免费

1X62W型万能铣床的电气控制电路及工作原理_第1页
1/8
1X62W型万能铣床的电气控制电路及工作原理_第2页
2/8
1X62W型万能铣床的电气控制电路及工作原理_第3页
3/8
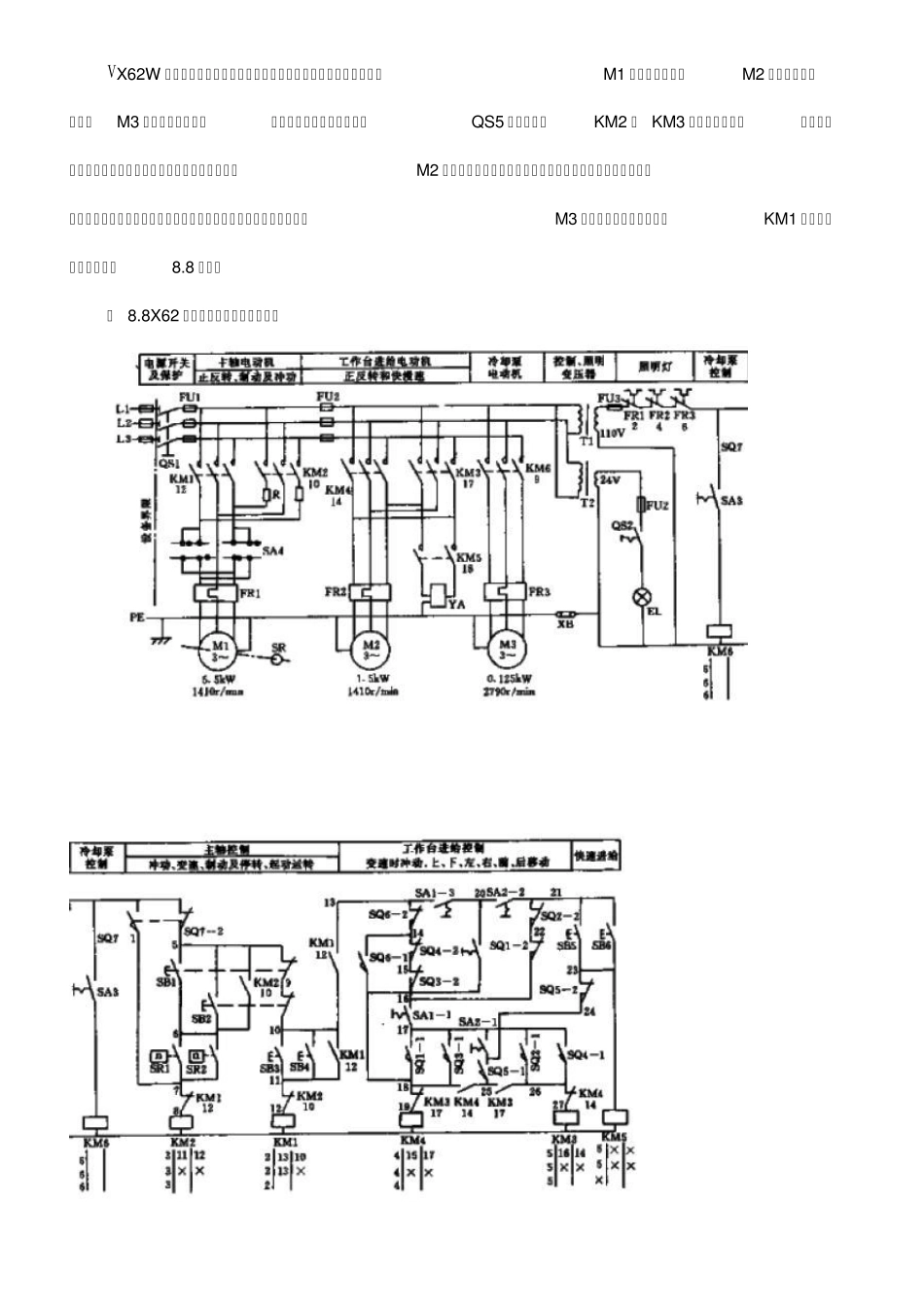
VX62W 型万能铣床是由三台电动机共同完成各种加工时的动作功能。M1 为主轴电动机,M2 为工作给进电动机,M3 是冷却泵电动机。主轴电动机是通过换向开关QS5 以及接触器KM2 和 KM3 来完成正反转、反接制动及瞬动控制,并可通过机械机构进行变速。要求M2 的功能就更为全面,它能进行正反转控制、快慢速控制、限位控制,并通过机械机构使工作台进行上下、左右、前后方向运动。M3 为冷却泵电动机,它通过KM1 来控制操作开停,如图8.8 所示。 图 8.8X62 型万能铣床的电气控制电路 8.8.2X62W 型万能铣床的常见故障及检修方法 故障:主轴电动机不能启动运行。 可能原因 ①总保险 FU1、FU2 熔断数相或接触不良。 ②控制变压器 T1 烧坏或接线头接触不良。 ③控制线路保险 FU3 熔断或接触不良。 ④主轴变速瞬动开关 SQ7 触点闭合不上。 ⑤主轴停止按钮 SB3 或 SB4 闭合不好。 ⑥主轴启动按钮 SB1 或 SB2 按下后接触不良。 ⑦主轴控制线路连接线断线或接线头接触不良。 ⑧主轴接触器 KM3 辅助自锁点接触不良。 ⑨主轴接触器 KM2 互锁常闭点接触闭合不好。 ⑩主轴接触器 KM3 线圈断线或烧毁。 热继电器 FR1 常闭点动作或接触不良。 主轴接触器 KM3 主触点接触不良。 主轴换向开关 QS5 触点接触不良。 主轴电动机接线端子烧坏,线路断相。 主轴电动机线圈烧毁。 检修方法与技巧 ①用低压验电笔测 FU1、FU2 下桩头有无电压,若全无电压应测上桩头,如仍无电压说明线路停电,应从线路上查找原因。若下桩头一相或两相有电压应查保险 FU1。如接触不良,要把保险压紧;若熔断,要更换同规格的保险。 ②用万用表在铣床断开电源的情况下,测试 T1 控制变压器初级和次级线圈的电阻,若电路烧断或电阻很小时,说明控制变压器烧坏,要更换同规格的控制变压器。若一时判断不清变压器是否烧坏,也可把电源通入测量变压器电压,初级应为 380V,次级控制电压应为 127V,若无电压或电压不正常,说明变压器 T1 已烧坏。若变压器线头烧坏或接触不良,进行相应处理便可继续使用。 ③检查控制线路保险 FU3 是否未旋紧而接触不上。用万用表电阻挡在断开电源的情况下测 FU3 两端,若断路,应查是否接触不良或熔断;如果熔断,应更换同规格的保险心。 ④用万用表电阻挡在断开电源的情况下测主轴变速瞬动开关的一组常闭触点,若接触不良或断路应进行修复处理,损坏严重时,要更换按钮 SQ7。 ⑤断开电...

1、当您付费下载文档后,您只拥有了使用权限,并不意味着购买了版权,文档只能用于自身使用,不得用于其他商业用途(如 [转卖]进行直接盈利或[编辑后售卖]进行间接盈利)。
2、本站所有内容均由合作方或网友上传,本站不对文档的完整性、权威性及其观点立场正确性做任何保证或承诺!文档内容仅供研究参考,付费前请自行鉴别。
3、如文档内容存在违规,或者侵犯商业秘密、侵犯著作权等,请点击“违规举报”。

碎片内容

1X62W型万能铣床的电气控制电路及工作原理

确认删除?
VIP
微信客服
  • 扫码咨询
会员Q群
  • 会员专属群点击这里加入QQ群
客服邮箱
回到顶部