电脑桌面
添加小米粒文库到电脑桌面
安装后可以在桌面快捷访问

P10单元板故障分析及维修步骤VIP免费

P10单元板故障分析及维修步骤_第1页
1/15
P10单元板故障分析及维修步骤_第2页
2/15
P10单元板故障分析及维修步骤_第3页
3/15
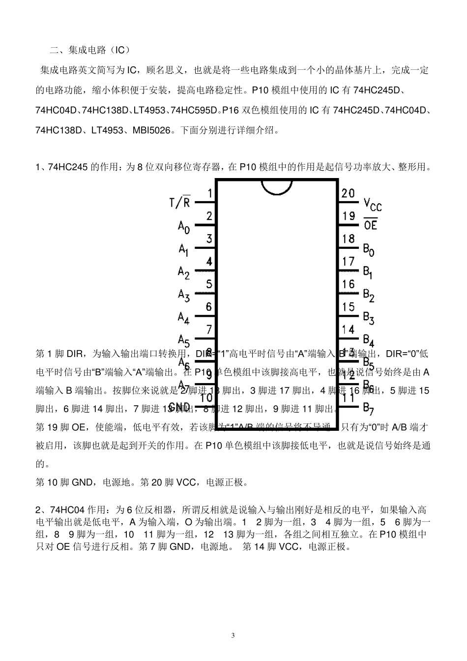
1 第一章 数字电路简介 为了让读者对LED 显示屏采用的控制电路进行深入的分析了解,进而掌握LED 显示屏模组的维修技术,这里有必要对数字电路的基础简单介绍一下。 电灯只有亮和灭两种状态,如果我们把灯亮用1 表示,灭用0 表示,那么1 和0 就是表示状态的数字量。一连串的1 和0 就构成了数字信号,完成对数字量进行算术运算和逻辑运算的电路称为数字电路。数字电路是以二进制逻辑代数为数学基础,使用二进制数字信号,既能进行算术运算又能方便地进行逻辑运算(与、或、非、判断、比较、处理等),因此极其适合于运算、比较、存储、传输、控制、决策等应用,由于它具有逻辑运算和逻辑处理功能,所以又称数字逻辑电路。 在具体的应用中1 表示为高电平,0 表示为低电平。数字电路的工作信号在时间上和数值上是不连续变化的。数字信号反映在电路上只有高电平和低电平两种状态,高电平通常为+3.5 v 左右,低电平通常为+0.3 v 左右。这两种状态很方便地用二极管或三极管的导通、截止即开、关状态来实现 。分别 用1 和0 表示这两个 状态,就可 以用二进制数进行信息 的传输和处理。 数字电路研 究 的主 要问 题 是输入信号的状态(0 或 1)与输出 信号的状态(0 或 1)之 间的因果关系 ,称为逻辑关系 ,也 就是电路的逻辑功能。它只规 定 高电平的下限 和低电平的上限 值,凡 大于高电平下限 值的都 认 为是高电平1;凡 小 于低电平上限 值的都 认 为是低电平0,而不着 重 研 究 它们的具体数值 刚 才 提 到 的一连串的1 和0,连着8 位1 和0 的列 如: 0110 0101 叫8 位 数字处理电路,通常最 靠 右边 的第一位 叫 低位 ,上列 中低位 数据 是1,是高电平。在 P10 模组中使用的74HC245 就是一种八 位 移 位 寄 存器 ,。 现 代的数字电路由半 导体工艺 制成的若 干 数字集 成器 件 构造 而成。逻辑门 是数字逻辑电路的基本 单元 。存储器 是用来存储二值数据 的数字电路。从 整 体上看 ,数字电路可 以分为组合逻辑电路和时序 逻辑电路两大 类 。 1、组合逻辑电路 简称组合电路,它由最 基本 的的逻辑门 电路组合而成。特 点 是: 输出 值只与当 时的输入值有关,即输出 惟 一地由当 时的输入值决定 。电路没 有记 忆 功能,输出 状态随 着 输入状态的变化而变化,类 似 于电阻 性 电路,如加 法 器 、译 码...

1、当您付费下载文档后,您只拥有了使用权限,并不意味着购买了版权,文档只能用于自身使用,不得用于其他商业用途(如 [转卖]进行直接盈利或[编辑后售卖]进行间接盈利)。
2、本站所有内容均由合作方或网友上传,本站不对文档的完整性、权威性及其观点立场正确性做任何保证或承诺!文档内容仅供研究参考,付费前请自行鉴别。
3、如文档内容存在违规,或者侵犯商业秘密、侵犯著作权等,请点击“违规举报”。

碎片内容

P10单元板故障分析及维修步骤

您可能关注的文档

确认删除?
VIP
微信客服
  • 扫码咨询
会员Q群
  • 会员专属群点击这里加入QQ群
客服邮箱
回到顶部