电脑桌面
添加小米粒文库到电脑桌面
安装后可以在桌面快捷访问

PCB晶振放置封装尺寸VIP免费

PCB晶振放置封装尺寸_第1页
1/35
PCB晶振放置封装尺寸_第2页
2/35
PCB晶振放置封装尺寸_第3页
3/35
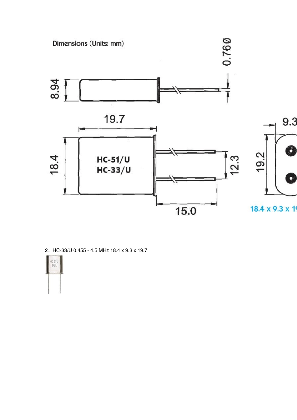
直接相连 地线环绕 敷铜 一般我画图时会像你第二种那样,用地包起来,这样别的线就不会在这附近走了.心理有个数. 曾经有一位高手给我一篇文章,很多年前的事了, 其实晶振分很多种的 像你的这种,他的两个脚是XTAL_IN,XTAL_OUT,它自己是不能起振的.需要IC 来配合.所以最好加个1M~10M 电阻. 说一下俺的理解,门电路构成振荡电路,利用的就是门电路的线性范围,或者说边沿的斜率。 某些类型的门电路线性范围比较大,比较适合用作放大、振荡。但某些门电路的边沿则极陡,典型的例子就是 HC 类 和 HCU 类的对比,这与门电路的组成结构有关。 至于电阻的作用,等同于运放构成的比例放大电路中的反馈电阻。 设计建议: 1、 确保晶振和X1、 X2 之间的连线距离最短,<5mm 2、 保证VDD 具有良好的褪藕性,靠近引脚处接一个0.1uF 的瓷片电容到底 3、 不允许信号靠近X1、 X2 引脚,周围做接地保护环或者做敷铜接地保护 A、直插封装(Throu gh-Hole) 1、 HC-51/U 0.455 - 4.5 MHz 18.4 x 9.3 x 19.7 2、HC-33/U 0.455 - 4.5 MHz 18.4 x 9.3 x 19.7 3、HC-49/U 1 - 150 MHz 11.2 x 4.7 x 13.6 4、HC-49/U-S 3.2 - 70 MHz 11.2 x 4.7 x 3.6 5、CSA-310 3.5 - 4 MHz Ø 3.2 x 10.5 6、CSA-309 4 - 70 MHz Ø 3.2 x 9.0 7、UM-1 1 - 200 MHz 7.0 x 2.2 x 8.0 8、UM-5 10 - 200 MHz 7.0 x 2.2 x 6.0 B、贴片封装(SMD) 1、HC-49/MJ 1 - 150 MHz 13.8/17.1 x 11.5 x 5.4 2、UM-1/MJ 1 - 200 MHz 7.9 x 3.5 x 8.2/12.5 3、UM-5/MJ 10 - 200 MHz 7.9 x 3.5 x 6.2/10.5 4、SM-49 3.2 - 66 MHz 12.9 x 4.7 x 4.0 5、SM-49-4 3.5 - 66 MHz 13.0 x 4.7 x 5.0 6、SM-49-F 3.5 - 60 MHz 12.5 x 5.85 x 3.0 7、MM-39SL 3.579 - 70 MHz 12.5 x 4.6 x 3.7 8、CPX-25 3.5 - 30 MHz 11.6 x 5.5 x 2.0 9、CPX-20 3.5 - 60 MHz 11.0 x 5.0 x 3.8 10、CPX-84 10 - 80 MHz 8.0 x 4.5 x 1.6 11、 CPX-02 8 - 100 MHz 8.0 x 4.5 x 1.8 12、CPX-75GN 9.8 - 100 MHz 7.0 x 5.0 x 1.6 13、CPX-75GN2 9.8 - 100 MHz 7.0 x 5.0 x 1.6 14、CPX-75GT 12.8 - 100 MHz 7.0 x 5.0 x 1.1 15、CPX-75GT2 12.8 - 100 MHz 7.0 x...

1、当您付费下载文档后,您只拥有了使用权限,并不意味着购买了版权,文档只能用于自身使用,不得用于其他商业用途(如 [转卖]进行直接盈利或[编辑后售卖]进行间接盈利)。
2、本站所有内容均由合作方或网友上传,本站不对文档的完整性、权威性及其观点立场正确性做任何保证或承诺!文档内容仅供研究参考,付费前请自行鉴别。
3、如文档内容存在违规,或者侵犯商业秘密、侵犯著作权等,请点击“违规举报”。

碎片内容

PCB晶振放置封装尺寸

确认删除?
VIP
微信客服
  • 扫码咨询
会员Q群
  • 会员专属群点击这里加入QQ群
客服邮箱
回到顶部