电脑桌面
添加小米粒文库到电脑桌面
安装后可以在桌面快捷访问

之字形通道搭设专项方案VIP专享VIP免费

之字形通道搭设专项方案_第1页
1/28
之字形通道搭设专项方案_第2页
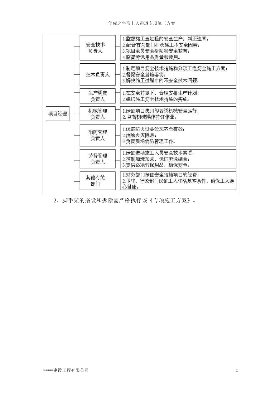
2/28
之字形通道搭设专项方案_第3页
3/28
******有限公司新增****矿渣微粉生产线建筑工程—筒库“之字形”上人通道 专 项 施 工 方 案 编 制: 审 核: 审 定: *****建设工程有限公司 二 0 一三年十月十五日 筒库之字形上人通道专项施工方案 * * * * * 建设工程有限公司 1 第一节 工程概况 一、工程概况 工程名称:* * * * * * * 有限公司新增年产* * * * 矿渣微粉生产线建筑工程 工程地点:* * * * * * * 建设单位:* * * * * * * 有限公司 设计单位:* * * * * * * 建筑设计有限公司 施工单位:* * * * * * * 建设工程有限公司 监理单位:* * * * * * * 建设监理有限公司 质监单位:* * * * * * * 建设工程质量监督站 安监单位:* * * * * * * 建设工程安全监督站 投资来源:建设单位自筹 质量目标:合格 承包范围:立磨基础、主除尘器框架及基础、主风机基础、成品库、沸腾炉基础、原料输送皮带机地坑及框架、室外总图道路、包括建筑照明、建筑给排水和防雷接地等。 二、施工平面布置 三、施工要求 1 、脚手架的设计力求做到结构安全可靠,造价经济合理。 2 、确保脚手架在使用周期内安全、稳定、牢靠。 3 、选用材料时,力求做到常见通用、可周转利用,便于保养维修。 4 、脚手架在搭设及拆除过程中 要符 合工程施工进 度 要求。操 作 人员 需 取 得特 殊 作 业 人员 资格上岗 证 。 四 、技 术 保证 条 件 1、安全网 络 筒库之字形上人通道专项施工方案 * * * * * 建设工程有限公司 2 2 、脚手架的搭设和拆除需严格执行该《专项施工方案》。 筒库之字形上人通道专项施工方案 * * * * * 建设工程有限公司 3 第二节 编制依据 一、编制依据 1、《建筑施工脚手架实用手册》 2、《建筑结构荷载规范》GB50009-2012 3、《混凝土结构设计规范》GB50010-2010 4、《钢结构设计规范》GB50017-2003 5、《建筑施工安全检查标准》JGJ59-2011 6、《建筑施工高处作业安全技术规范》JGJ80-91 7、《建筑施工扣件式钢管脚手架安全技术规范》JGJ130-2011 8、《危险性较大的分部分项工程安全管理办法》(建质[2009]87号文) 9、《建设工程安全生产管理条例》国务院令第393号 10、本工程设计图纸 11、本工程施工组织设计 筒库之字形上人通道专项施工方案 * * * * * 建设工程有限公司 4 第三节 施工计划 一、、材料与设备计...

1、当您付费下载文档后,您只拥有了使用权限,并不意味着购买了版权,文档只能用于自身使用,不得用于其他商业用途(如 [转卖]进行直接盈利或[编辑后售卖]进行间接盈利)。
2、本站所有内容均由合作方或网友上传,本站不对文档的完整性、权威性及其观点立场正确性做任何保证或承诺!文档内容仅供研究参考,付费前请自行鉴别。
3、如文档内容存在违规,或者侵犯商业秘密、侵犯著作权等,请点击“违规举报”。

碎片内容

之字形通道搭设专项方案

确认删除?
VIP
微信客服
  • 扫码咨询
会员Q群
  • 会员专属群点击这里加入QQ群
客服邮箱
回到顶部