电脑桌面
添加小米粒文库到电脑桌面
安装后可以在桌面快捷访问

1.《砌体结构工程施工质量验收规范》GB50203-2024验收表格VIP免费

1.《砌体结构工程施工质量验收规范》GB50203-2024验收表格_第1页
1/8
1.《砌体结构工程施工质量验收规范》GB50203-2024验收表格_第2页
2/8
1.《砌体结构工程施工质量验收规范》GB50203-2024验收表格_第3页
3/8
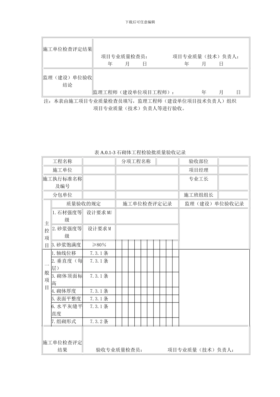
下载后可任意编辑附录 A 砌体工程检验批质量验收记录表 A.0.1-1 砖砌体工程检验批质量验收记录工程名称分项工程名称验收部位施工单位项目经理施工执行标准名称及编号专业工长分包单位施工班组组长主控项目质量验收法律规范的规定施工单位检查评定记录监理(建设)单位验收记录1.砖强度等级设计要求 MU2.砂浆强度等级设计要求 M3.斜槎留置5.2.3 条4.转角、交接处5.2.3 条5.直槎拉结钢筋及接槎处理5.2.4 条6.砂浆饱满度≥80%(墙)≥90%(柱)一般项目1.轴线位移≤10mm2. 垂 直 度 ( 每层)≤5mm3.组砌方法5.3.1 条4.水平灰缝厚度5.3.2 条5.竖向灰缝宽度5.3.2 条6.基础、柱、墙顶面标高±15mm 以内7.表面平整度≤5mm(清水)≤8mm(混水)8.门窗洞口高、宽(后塞口)±10mm 以内9.窗口偏移≤20mm10.水平灰缝平直度≤7mm(清水)≤10mm(混水)11.清水墙游丁走缝≤20mm下载后可任意编辑施工单位检查评定结果验收专业质量检查员: 项目专业质量(技术)负责人: 年 月 日 年 月 日监理(建设)单位验收结论监理工程师(建设单位项目工程师): 年 月 日注:本表由施工项目专业质量检查员填写,监理工程师(建设单位项目技术负责人)组织项目专业质量(技术)负责人等进行验收。表 A.0.1-2 混凝土小型空心砌块砌体工程检验批质量验收记录工程名称分项工程名称验收部位施工单位项目经理施工执行标准名称及编号专业工长分包单位施工班组组长主控项目质量验收法律规范的规定施工单位检查评定记录监理(建设)单位验收记录1.小砌块强度等级设计要求 MU2.砂浆强度等级设计要求 M3.混凝土强度等级设计要求 C4.转角、交接处6.2.3 条5.斜槎留置6.2.3 条6.施工洞口砌法6.2.3 条7.芯柱贯穿楼盖6.2.4 条8.芯柱混凝土灌实6.2.4 条9.水平灰缝饱满度≥90%10.竖向灰缝饱满度≥90%一般项目1.轴线位移≤10mm2.垂直度(每层)≤5mm3.水平(竖向)灰缝厚度宽度8~12mm4.顶面标高±15mm5.表面平整度≤5mm(清水)≤8mm(混水)6.门窗洞口±10mm7.窗门偏移≤20mm8.水平灰缝平直度 ≤7mm(清水)≤10mm(混水)下载后可任意编辑施工单位检查评定结果项目专业质量检查员: 项目专业质量(技术)负责人:年 月 日 年 月 日监理(建设)单位验收结论监理工程师(建设单位项目工程师): 年 月 日注:本表由施工项目专业质量检查员填写,监理工程师(建设单位项目技术负责人)组织项目专业质量(技术)负责人等进行验收。表...

1、当您付费下载文档后,您只拥有了使用权限,并不意味着购买了版权,文档只能用于自身使用,不得用于其他商业用途(如 [转卖]进行直接盈利或[编辑后售卖]进行间接盈利)。
2、本站所有内容均由合作方或网友上传,本站不对文档的完整性、权威性及其观点立场正确性做任何保证或承诺!文档内容仅供研究参考,付费前请自行鉴别。
3、如文档内容存在违规,或者侵犯商业秘密、侵犯著作权等,请点击“违规举报”。

碎片内容

1.《砌体结构工程施工质量验收规范》GB50203-2024验收表格

您可能关注的文档

阳光书坊+ 关注
实名认证
内容提供者

阳光书坊,传播未来

相关文档

确认删除?
VIP
微信客服
  • 扫码咨询
会员Q群
  • 会员专属群点击这里加入QQ群
客服邮箱
回到顶部