电脑桌面
添加小米粒文库到电脑桌面
安装后可以在桌面快捷访问

17-产品检验和试验控制程序A0VIP免费

17-产品检验和试验控制程序A0_第1页
1/8
17-产品检验和试验控制程序A0_第2页
2/8
17-产品检验和试验控制程序A0_第3页
3/8
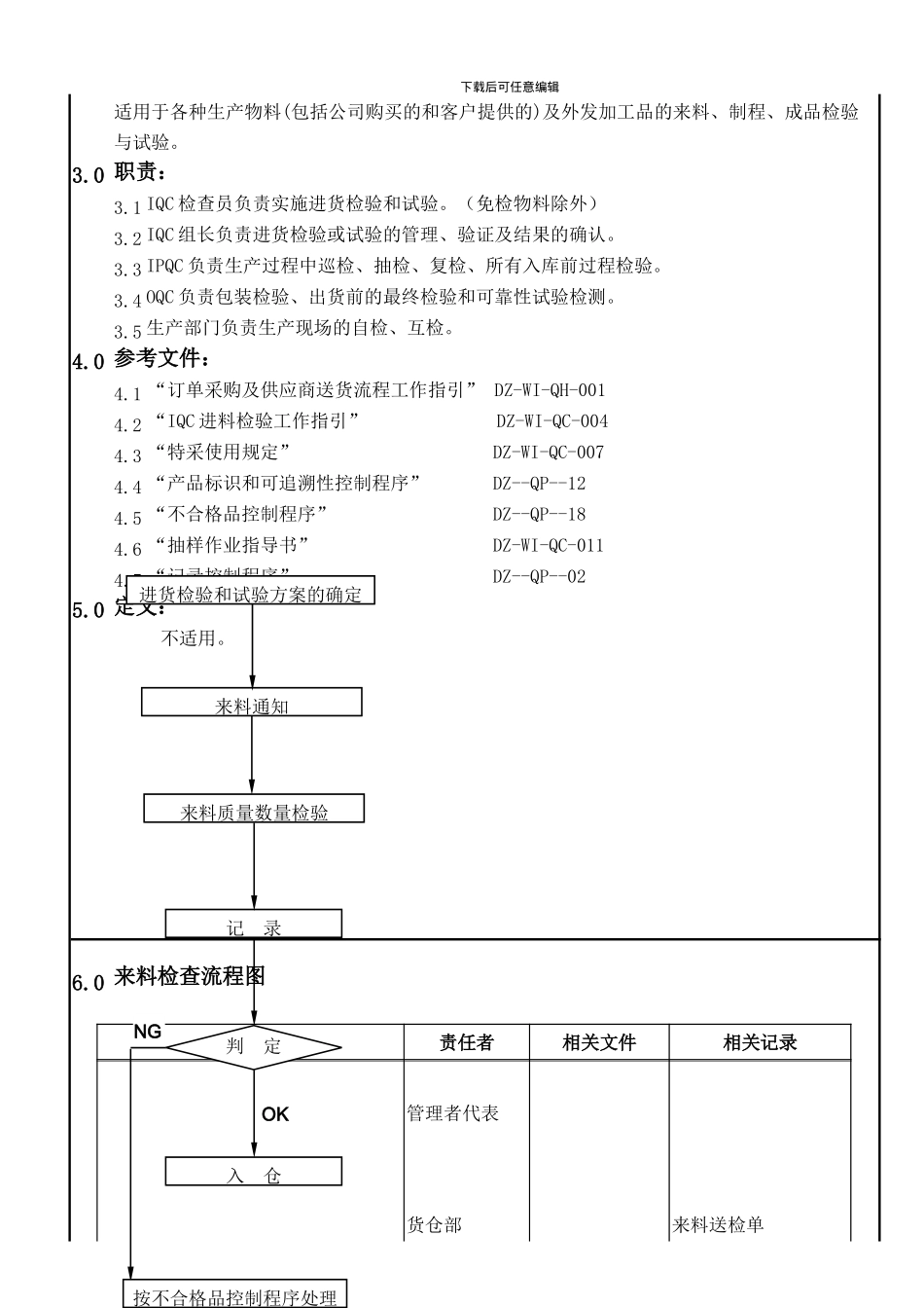
下载后可任意编辑 产品检验和试验控制程序 作 成: 日 期:____________ (庞训冠) 确 认: 日 期: (曾风平)批 准: 日 期: (吴广泉) 分 发 号: 受控印章: 文件修订履历表序号版本/修订状态修 订 内 容申请修订人批准人日 期 1.0 目的:控制来料、制程、成品检验各环节进行质量控制,及时掌握不良问题,以求有效的品质管理,保证出厂成品达到客户合同要求。2.0 适用范围:下载后可任意编辑适用于各种生产物料(包括公司购买的和客户提供的)及外发加工品的来料、制程、成品检验与试验。3.0 职责:3.1 IQC 检查员负责实施进货检验和试验。(免检物料除外)3.2 IQC 组长负责进货检验或试验的管理、验证及结果的确认。3.3 IPQC 负责生产过程中巡检、抽检、复检、所有入库前过程检验。3.4 OQC 负责包装检验、出货前的最终检验和可靠性试验检测。3.5 生产部门负责生产现场的自检、互检。4.0 参考文件:4.1 “订单采购及供应商送货流程工作指引” DZ-WI-QH-0014.2 “IQC 进料检验工作指引” DZ-WI-QC-0044.3 “特采使用规定” DZ-WI-QC-0074.4 “产品标识和可追溯性控制程序” DZ--QP--124.5 “不合格品控制程序” DZ--QP--184.6 “抽样作业指导书” DZ-WI-QC-0114.7 “记录控制程序” DZ--QP--025.0 定义: 不适用。6.0 来料检查流程图流程责任者相关文件相关记录管理者代表货仓部来料送检单NG来料通知来料质量数量检验记 录判 定入 仓按不合格品控制程序处理OK进货检验和试验方案的确定下载后可任意编辑IQCDZ-QI-C-011IQC(IQC)检验报告书IQC 组长(IQC)检验报告书 DZ--QP--18 不合格品处理报告7.0 程序说明:7.1进货、制程、成品检验和试验方案的确定:7.1.1 管理者代表负责组织相关职能部门负责人,根据客户质量要求及公司实际情况共同确定进货、制程、成品检验和试验方案。7.1.2 每年年初由管理者代表组织对进货、制程、成品检验和试验方案之适用性、有效性进行评估。7.1.3 特别情况需更改进货、制程、成品检验和试验方案时,需经管理者代表批准。7.2进货检验和试验:7.2.1 主要原料(塑胶料)来料因公司达不到检测标准,由供应商提供其“SGS 检测报告”作为品质依据,公司在收货时只对其数量进行清点,在生产过程中对塑胶料质量进行管控,如有质量问题直接联系供应商处理。7.2.2 其它生产物料及外发加工品到厂后,由货仓部仓管员负责接收。并通知品管部 IQC 进行质量...

1、当您付费下载文档后,您只拥有了使用权限,并不意味着购买了版权,文档只能用于自身使用,不得用于其他商业用途(如 [转卖]进行直接盈利或[编辑后售卖]进行间接盈利)。
2、本站所有内容均由合作方或网友上传,本站不对文档的完整性、权威性及其观点立场正确性做任何保证或承诺!文档内容仅供研究参考,付费前请自行鉴别。
3、如文档内容存在违规,或者侵犯商业秘密、侵犯著作权等,请点击“违规举报”。

碎片内容

17-产品检验和试验控制程序A0

您可能关注的文档

阳光书坊+ 关注
实名认证
内容提供者

阳光书坊,传播未来

确认删除?
VIP
微信客服
  • 扫码咨询
会员Q群
  • 会员专属群点击这里加入QQ群
客服邮箱
回到顶部