电脑桌面
添加小米粒文库到电脑桌面
安装后可以在桌面快捷访问

型钢标准接头VIP免费

型钢标准接头_第1页
1/13
型钢标准接头_第2页
2/13
型钢标准接头_第3页
3/13
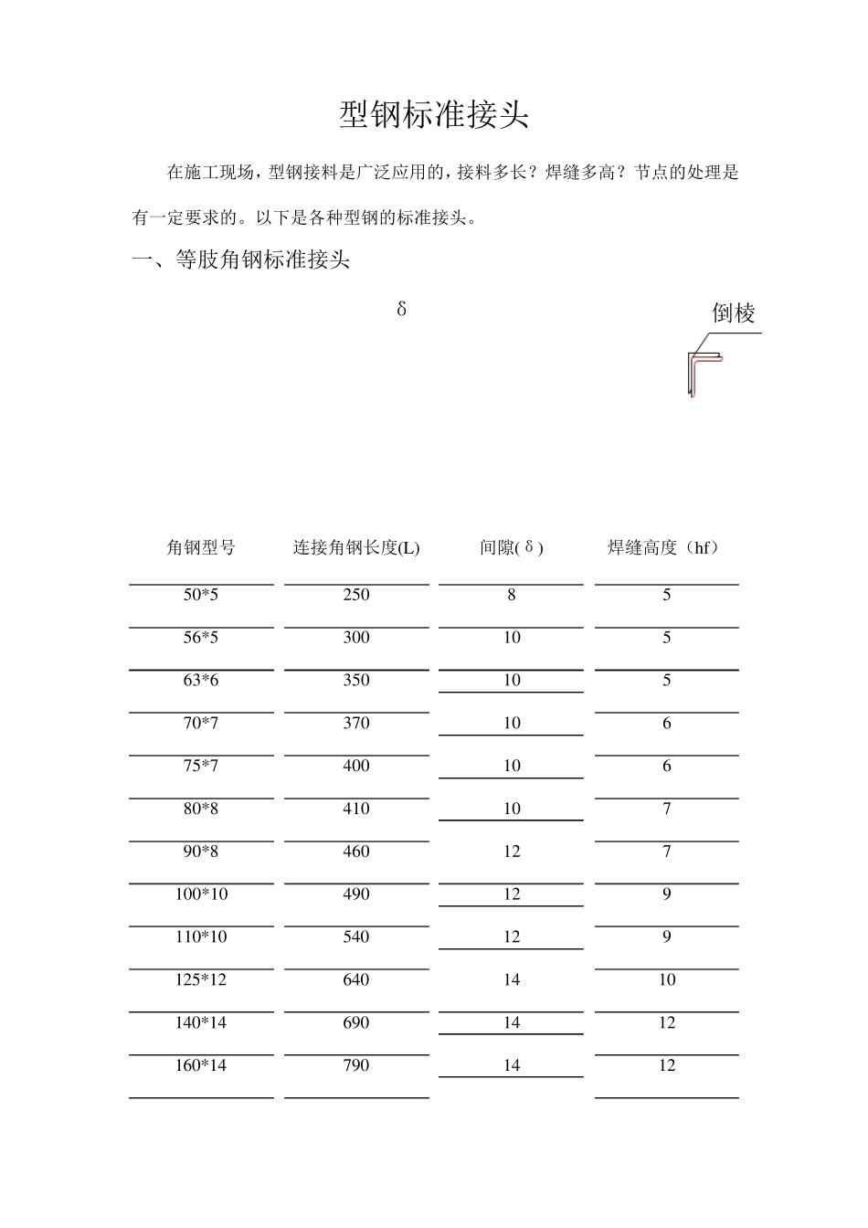
型钢标准接头 在施工现场,型钢接料是广泛应用的,接料多长?焊缝多高?节点的处理是有一定要求的。以下是各种型钢的标准接头。 一、等肢角钢标准接头 倒棱δ 角钢型号 连接角钢长度(L) 间隙(δ) 焊缝高度(h f) 50*5 250 8 5 56*5 300 10 5 63*6 350 10 5 70*7 370 10 6 75*7 400 10 6 80*8 410 10 7 90*8 460 12 7 100*10 490 12 9 110*10 540 12 9 125*12 640 14 10 140*14 690 14 12 160*14 790 14 12 180*16 860 14 14 200*20 840 20 18 二、不等肢角钢标准接头 δ倒棱 角钢型号 连接角钢长度(L) 间隙(δ) 焊缝高度(h f) 50*32*4 250 5 4 56*36*4 275 5 4 63*40*5 300 8 5 70*45*5 340 10 5 75*50*5 370 10 5 80*50*6 390 10 5 90*56*6 440 10 5 100*63*8 450 10 7 100*70*8 460 12 7 100*80*8 460 12 7 125*80*10 540 12 9 140*90*12 590 12 11 160*100*14 700 12 12 180*100*10 780 14 12 200*125*16 850 14 14 三、普通工字钢标准接头 1 型 号 翼缘水平盖板 腹板连接板 b1 t1 l1 hf1 h1 h2 t2 l2 hf2 mm mm 工 10 55 10 250 5 65 40 6 110 5 工 12.6 60 11 300 5 90 55 6 140 5 工 14 65 12 290 6 100 65 8 150 6 工 16 70 13 340 6 115 75 8 170 6 工 18 80 14 390 6 135 85 8 200 6 工 20a 85 14 440 6 150 90 8 240 6 工 20b 85 15 450 6 150 75 8 300 6 工 22a 90 16 400 8 170 100 8 280 6 工 22b 90 16 410 8 170 85 8 340 6 工 25a 95 17 440 8 195 130 10 260 8 工 25b 95 17 450 8 195 115 10 320 8 工 28a 100 18 490 8 225 150 10 310 8 工 28b 100 18 410 10 225 135 10 370 8 工 32a 105 20 470 10 260 165 10 380 8 工 32b 105 20 470 10 260 150 10 450 8 工 32c 110 20 480 10 260 130 10 530 8 工 36a 110 23 510 10 295 200 12 380 10 工 36b 110 23 520 10 295 185 12 440 10 工 36c 110 23 450 12 295 170 12 510 10 工 40a 110 25 470 12 330 225 12 430 10 工 40b 115 24 480 12 330 205 12 510 10 工 4...

1、当您付费下载文档后,您只拥有了使用权限,并不意味着购买了版权,文档只能用于自身使用,不得用于其他商业用途(如 [转卖]进行直接盈利或[编辑后售卖]进行间接盈利)。
2、本站所有内容均由合作方或网友上传,本站不对文档的完整性、权威性及其观点立场正确性做任何保证或承诺!文档内容仅供研究参考,付费前请自行鉴别。
3、如文档内容存在违规,或者侵犯商业秘密、侵犯著作权等,请点击“违规举报”。

碎片内容

型钢标准接头

确认删除?
VIP
微信客服
  • 扫码咨询
会员Q群
  • 会员专属群点击这里加入QQ群
客服邮箱
回到顶部