电脑桌面
添加小米粒文库到电脑桌面
安装后可以在桌面快捷访问

城市桥梁工程施工与质量验收规范表格VIP免费

城市桥梁工程施工与质量验收规范表格_第1页
1/70
城市桥梁工程施工与质量验收规范表格_第2页
2/70
城市桥梁工程施工与质量验收规范表格_第3页
3/70
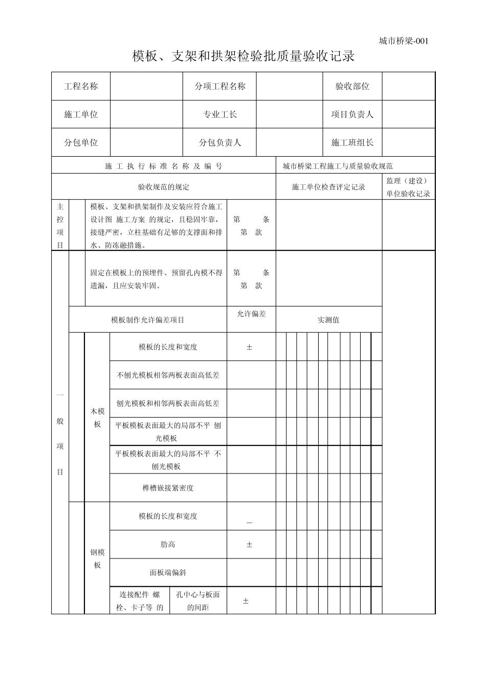
城市桥梁-0 0 1 模板、支架和拱架检验批质量验收记录 工程名称 分项工程名称 验收部位 施工单位 专业工长 项目负责人 分包单位 分包负责人 施工班组长 施 工 执 行 标 准 名 称 及 编 号 城市桥梁工程施工与质量验收规范CJJ2-2008 验收规范的规定 施工单位检查评定记录 监理(建设)单位验收记录 主 控项 目 1 模板、支架和拱架制作及安装应符合施工设计图(施工方案)的规定,且稳固牢靠,接缝严密,立柱基础有足够的支撑面和排水、防冻融措施。 第5.4.1条 第1款 一般项目 1 固定在模板上的预埋件、预留孔内模不得遗漏,且应安装牢固。 第5.4.4条 第1款 模板制作允许偏差项目 允许偏差(mm) 实测值 2 木模板 模板的长度和宽度 ±5 不刨光模板相邻两板表面高低差 3 刨光模板和相邻两板表面高低差 1 平板模板表面最大的局部不平(刨光模板) 3 平板模板表面最大的局部不平(不刨光模板) 5 榫槽嵌接紧密度 2 3 钢模板 模板的长度和宽度 0 -1 肋高 ±5 面板端偏斜 0.5 连接配件(螺栓、卡子等)的孔中心与板面的间距 ±0.3 城市桥梁-0 0 1 续 孔眼位置 板端孔中心与板端的间距 0 -0.5 沿板长宽方向的孔 ±0.6 板面局部不平 1.0 板面和板侧挠度 ±1.0 模板、支架和拱架安装允许偏差项目 允许偏差(mm) 实测值 4 相邻两板表面高低差 清水模板 2 混水模板 4 钢模板 2 5 表面平整度 清水模板 3 混水模板 5 钢模板 3 6 垂直度 墙、柱 H/1000,且不大于 6 墩、台 H/500,且不大于 20 塔柱 H/3000,且不大于 30 7 模内尺寸 基础 ±10 墩、台 +5 -8 梁、板、墙、柱、桩、拱 +3 -6 8 轴线偏位 基础 15 墩、台、墙 10 梁、柱、拱、塔柱 8 悬浇各梁段 8 城市桥梁-0 0 1 续 横隔梁 5 9 支承面高程 +2 -5 10 悬浇各梁段底面高程 +10 0 11 预埋件 支座板、锚垫板、连接板等 位置 5 平面高差 2 螺栓、锚筋等 位置 3 外露长度 ±5 12 预留孔洞 预应力筋孔道位置(梁端) 5 其他 位置 8 孔径 +10 0 13 梁底模拱度 +5 -2 14 对角线差 板 7 墙板 5 桩 3 15 侧向弯曲 板、拱肋、桁架 L/1500 柱、桩 L/1000,且不大于 10 梁 L/2000,且不大于 10 16 支架、拱架 纵轴线的平面偏位 L/2000,且不大于 30 17 拱架高程 +20 -10 共实测 点, 其中合格 点, 不合格 ...

1、当您付费下载文档后,您只拥有了使用权限,并不意味着购买了版权,文档只能用于自身使用,不得用于其他商业用途(如 [转卖]进行直接盈利或[编辑后售卖]进行间接盈利)。
2、本站所有内容均由合作方或网友上传,本站不对文档的完整性、权威性及其观点立场正确性做任何保证或承诺!文档内容仅供研究参考,付费前请自行鉴别。
3、如文档内容存在违规,或者侵犯商业秘密、侵犯著作权等,请点击“违规举报”。

碎片内容

城市桥梁工程施工与质量验收规范表格

确认删除?
VIP
微信客服
  • 扫码咨询
会员Q群
  • 会员专属群点击这里加入QQ群
客服邮箱
回到顶部