电脑桌面
添加小米粒文库到电脑桌面
安装后可以在桌面快捷访问

城镇燃气安全检查标准(最终版)VIP免费

城镇燃气安全检查标准(最终版)_第1页
1/132
城镇燃气安全检查标准(最终版)_第2页
2/132
城镇燃气安全检查标准(最终版)_第3页
3/132
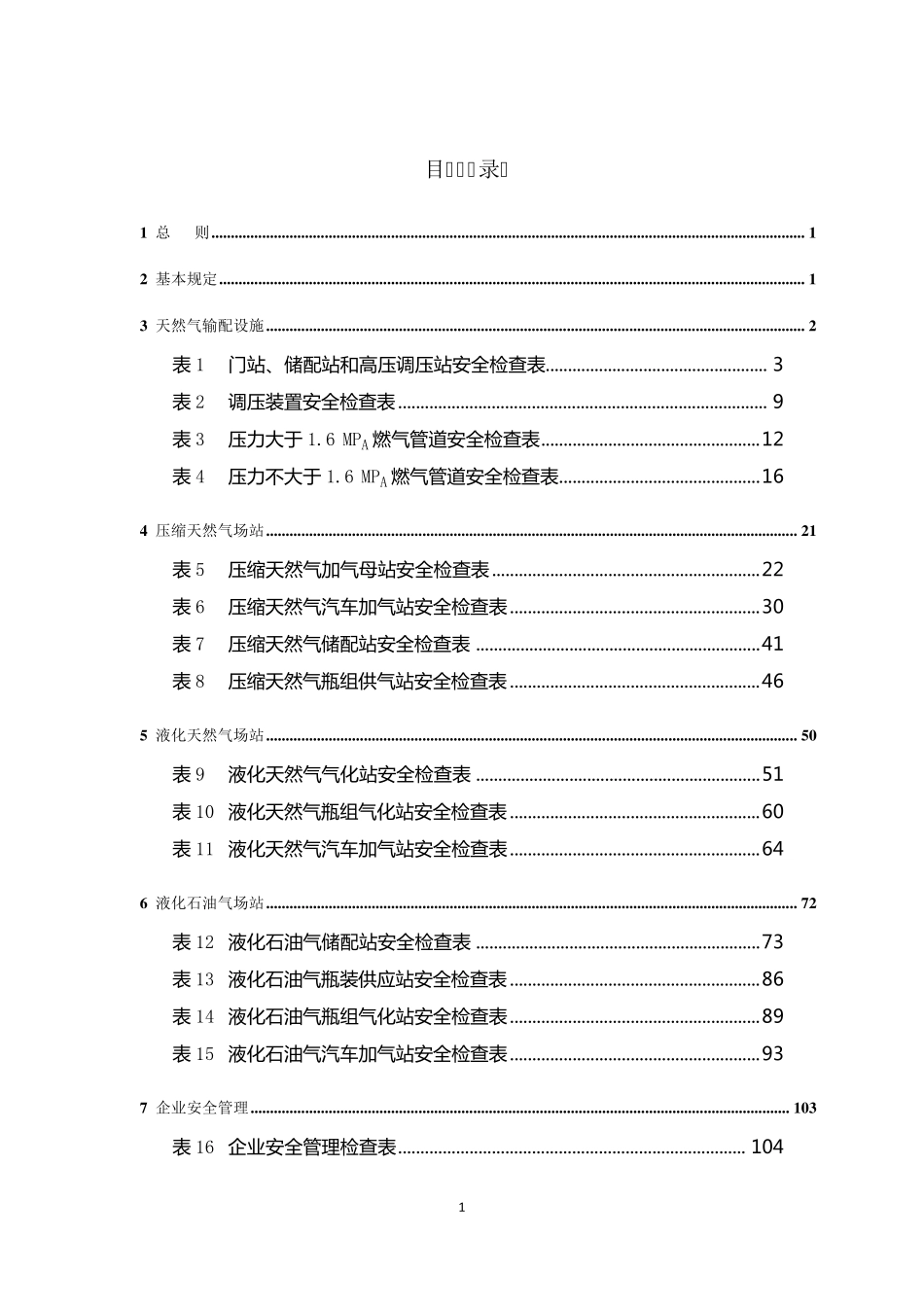
1 目 录 1 总 则 ........................................................................................................................................................ 1 2 基本规定 ...................................................................................................................................................... 1 3 天然气输配设施 .......................................................................................................................................... 2 表 1 门 站 、储配站 和高压调压站 安全检查表 .................................................. 3 表 2 调压装置安全检查表 ................................................................................... 9 表 3 压力大于 1.6 MPA 燃气管道安全检查表 ................................................. 12 表 4 压力不大于 1.6 MPA 燃气管道安全检查表 ............................................. 16 4 压缩天然气场站 ........................................................................................................................................ 2 1 表 5 压缩天然气加气母站 安全检查表 ............................................................ 22 表 6 压缩天然气汽车加气站 安全检查表 ........................................................ 30 表 7 压缩天然气储配站 安全检查表 ................................................................ 41 表 8 压缩天然气瓶组供气站 安全检查表 ........................................................ 46 5 液化天然气场站 ........................................................................................................................................ 5 0 表 9 液化天然气气化站 安全检查表 ................................................................ 51 表 10 液化天然气瓶组气化站 安全检查表 ........................................................ 60 表 11 液化天然气汽车加气站 安全检查表 ........................................................ 64 6 液...

1、当您付费下载文档后,您只拥有了使用权限,并不意味着购买了版权,文档只能用于自身使用,不得用于其他商业用途(如 [转卖]进行直接盈利或[编辑后售卖]进行间接盈利)。
2、本站所有内容均由合作方或网友上传,本站不对文档的完整性、权威性及其观点立场正确性做任何保证或承诺!文档内容仅供研究参考,付费前请自行鉴别。
3、如文档内容存在违规,或者侵犯商业秘密、侵犯著作权等,请点击“违规举报”。

碎片内容

城镇燃气安全检查标准(最终版)

您可能关注的文档

确认删除?
VIP
微信客服
  • 扫码咨询
会员Q群
  • 会员专属群点击这里加入QQ群
客服邮箱
回到顶部