电脑桌面
添加小米粒文库到电脑桌面
安装后可以在桌面快捷访问

基坑松木桩加固方案VIP免费

基坑松木桩加固方案_第1页
1/14
基坑松木桩加固方案_第2页
2/14
基坑松木桩加固方案_第3页
3/14
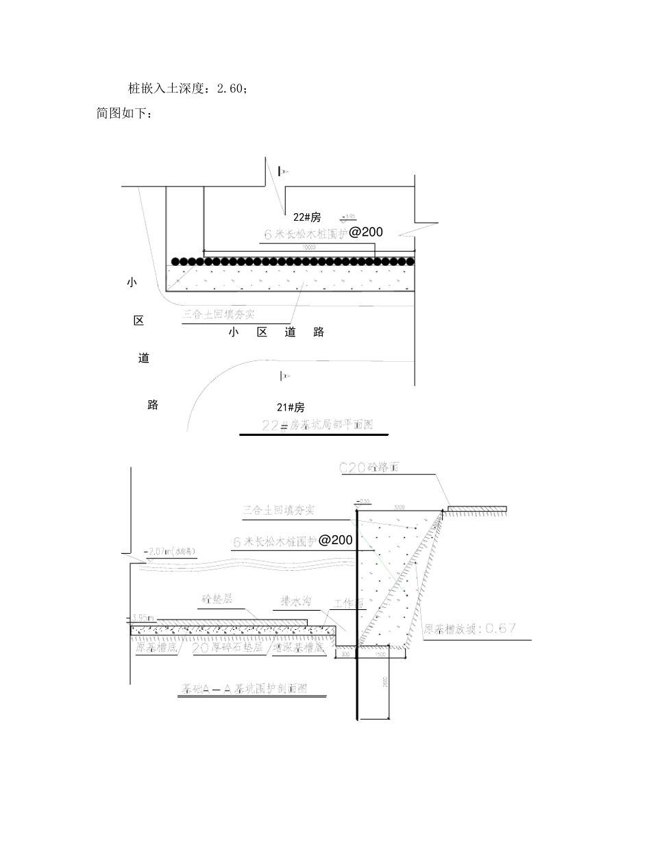
农民居房小区六期 一区Ⅱ标段 22 栋工程 基 坑 地 基 层 处 理 及 基 坑 加 固 方 案 编制人 秦爱华 职务(称) 现场技术总负责(工程师) 审核人 顾锦亮 职务(称) 技术总负责(工程师) 批准人 陈烯华 职务(称) 总工程师 批准部门(章) 江苏建鸣建设工程有限公司 编 制 日 期 2010 年 5 月 28 日 悬臂式松木桩支护、地基层处理方案 一、工程概况 1、 六期21#、22#、23#、29#、30#安置房工程;22#房属于剪力墙结构;地上18层;地下1层;建筑高度:52.20m;标准层层高:2.90m ;总建筑面积:33159.78平方米;由江苏建鸣建设工程有限公司承建。 2、本工程由 经济园区开发有限公司投资建设, 设计研究院有限公司设计, 勘察设计研究院有限公司地质勘察, 建设管理有限公司监理;由吴福兆担任项目经理,顾锦亮、秦爱华担任技术负责人。 (一) 悬臂式松木桩支护 一、基坑支护概况 于2010年5月21日22#房基坑挖土完成,5月22日小区下水道管在22#房基槽南侧路边突然破裂使基槽边坡严重塌方、砼路面裂缝,所有的小区排水系统管道的中水都集中排放到22#房基坑里水深大约为1.9m蓄水量为900m3左右,为了确保22#房基槽地基工程质量及安全生产,因此本工程需要解决支护问题。经综 合 考 虑 费 用 、施 工方便 等 因素 ,决定 采 用 基坑边坡钻 孔 打 入 木桩支护的方案。 一、编 制 依 据 本计算 书 的编 制 参 照 《 建筑基坑支护技术规 程》(JGJ120-99),《 土力学 与 地基基础 》(清 华大学 出 版 社 出 版 )等 编 制 。 二 、参 数 信 息 重要性 系数 :1.00; 土坡面上均 布 荷 载 值 :22.00; 荷 载 边沿 至 基坑边的距 离 :1.00; 均 布 荷 载 的分 布 宽 度:1.00; 开挖深度度:3.40; 基坑下水位 深度:4.00; 基坑外 侧水位 深度:4.00; 桩嵌入土深度:2.60; 简图如下: 小 区 道 路22#房21#房小 区 道 路@ 200@ 200 错误!未找到引用源。 现场现状照片 基坑外侧土层参数: 序号 土名称 土厚度 坑壁土的重度 内摩擦角 内聚力 饱和容重 (m) (kN/m3) (°) (kPa) (kN/m3) 1 粘性土 4.1 19.3 13.5 10 20 2 粘性土 1.6 18.6 19.3 10 21 3 粘性土 2 18.3 19.9 10 21 基坑以下土层参数: 序号 土名称 土厚度 坑壁土的重度 内摩擦角 内聚力 饱和...

1、当您付费下载文档后,您只拥有了使用权限,并不意味着购买了版权,文档只能用于自身使用,不得用于其他商业用途(如 [转卖]进行直接盈利或[编辑后售卖]进行间接盈利)。
2、本站所有内容均由合作方或网友上传,本站不对文档的完整性、权威性及其观点立场正确性做任何保证或承诺!文档内容仅供研究参考,付费前请自行鉴别。
3、如文档内容存在违规,或者侵犯商业秘密、侵犯著作权等,请点击“违规举报”。

碎片内容

基坑松木桩加固方案

小辰9+ 关注
实名认证
内容提供者

出售各种资料和文档

确认删除?
VIP
微信客服
  • 扫码咨询
会员Q群
  • 会员专属群点击这里加入QQ群
客服邮箱
回到顶部