物资供应计划工作流程生产过程组织设计流程是否合理NO是否合理工艺工序YESNO严格工艺纪律,防止设备的不合理使用。YES*生产布局生产要素分...
啤酒生产过程主要分为制麦、程见图。()原料处理:麦芽1r麦芽投料坑*麦芽输送机麦芽贮箱1r比重去石机*除铁器麦芽定量秤*麦芽料箱*麦芽湿粉碎...
物资供应计划工作流程 生产计划 生产管理模块仓储准备 采购准备 确定安全 库存量 确定经常 储备量 掌握库存现状 编制物资储备计划...
汽 车 有 限 公 司 文 件 编 号 NEOC-SC-QP-20 版 本 号 A/0 文 件 名 称 生 产 过 程 控 制 程 序 页 次 第...
质量管理 来料检验工作流程图 文件编号 版 本 A /0 生效日期 制定部门 质管部 工 作 流 程 图 责 任 单 位 相关文件及...
生产质量流程图 是 否 是 否 部门 步骤 制定 质检 标准 检验 原材料 检验 产成品 检验 制程 质量 报告 与标 准的 修订...
生产计划管理制度 (含生产计划管理详细流程图) 一、效果与目的 1、通过对生产计划的安排、完成、实施进行管理,以保证本公司有效履行合...
生产管理各流程图
物资供应计划工作流程 生产计划 生产管理模块仓储准备 采购准备 确定安全 库存量 确定经常 储备量 掌握库存现状 编制物资储备计划...
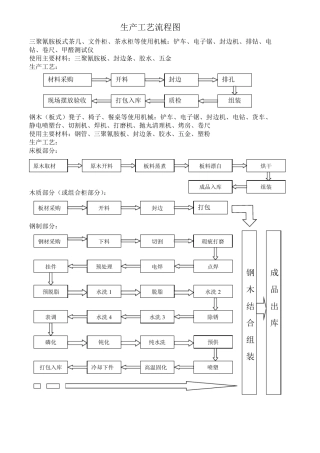
生产工艺流程图 三聚氰胺板式茶几、文件柜、茶水柜等使用机械:铲车、电子锯、封边机、排钻、电钻、卷尺、甲醛测试仪 使用主要材料:三聚...
生产任务 下达工作流程 流程 叙述 负责人 记录/参考 订单:生产中心接到《订货单》或者《月销售计划》,经总经理评审后,订单确认;...
璜 田 乡 行 政 权 力 运 行 流 程 图 璜田乡纪检监察部门监督 举报电话:6 9 7 0 1 2 0 璜田乡农村村民宅基用地审核...
重庆路洋化工有限公司重钢长寿新区1 0 万吨/年焦油精制项目设立安全评价报告附图 1 图 1-1 项目拟建场地东面 图 1-2 项目拟建场地...
出口贸易流程为使您的产品顺利出口,我们将贸易出口货物的基本流程介绍给您,以使您对产品出口程序做到心中有数、万无一失 。出口货物流程...
1一、采购请购审批业务流程控制控制事项阶段控制D1采购申请制度请购审批制度《企业内部控制应用指引》采购申请单采购预算表采购部、财务部...
房地产典当程序出典人申请典当提交证件私有:1、房屋所有权证、土地证;2、夫妻双方身份证(属多人共有的,所有权益者均出示身份证和签字盖...
.目录1、路基施工工艺流程图2、路基开挖施工工艺流程图3、路基填筑施工工艺流程图4、圆管涵施工工艺流程图5、盖板涵施工工艺流程图6、涵洞...
1•采购部查询库存信息及用户需求,若商品的库存量不能满足用户的需要,则编制相应的采购订货单,并交送给供应商提出订货请求。供应商按订...
1 、问题描述: 该游戏可以由程序随机产生或由用户输入四个0到9之间的数字,且不重复。玩游戏者通过游戏提示输入八次来匹配上面所输入的...
类别 项目仓库日常申报查询仓储管理程序中低于安全库存物资。落实需申报购置物资使用(量)频度。各单位申报申报人填写采购管理系统中《物...

