机 械 设 备 检 查 维 修 保 养 记 录 表编号工程名称沱江大桥加宽改造工程使用单位中铁九局集团有限公司内江市县道南美路沱江...
仅供参考 [整理 ] 第 1 页 共 4 页安全管理文书液压折边机安全操作规程日期: __________________单位: __________________仅供...
工程机械课程设计液压挖掘机回转装置的设计长沙学院第 2 章整机性能参数的确定与计算2.1 主要性能参数斗容量 0.1M3整机使用质量(含配...
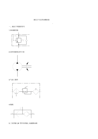
1 《液压与气动技术》练习题一、填空(将正确的答案填在横线上)1、液压传动的工作原理是以液体 作为工作介质,利用液体的 压力能 来实...
第三节液压抓斗1 液压抓斗概念液压抓斗法,是指用高压胶管将约30MPa 的液压传送到几十米深处的抓斗斗体,以完成抓斗的启闭达到成槽造墙的...
液压技术总结1 / 29 液压技术总结液压技术的发展趋势液压技术作为流体传动及控制的分支之一,是与机械传动和电气传动构成当今传动控制领...
液压技术国内外发展趋势液压技术发展趋势液压技术是实现现代化传动与控制的关键技术之一,世界各国对液压工业的发展都给予很大重视。世界液...
液压系统制造、试验、检验规范上海西重所重型机械成套有限公司2006 年 4 月 4 日本规范适用范围: 本规范适用于以石油基液压油为工作...
仅供参考 [整理 ] 第 1 页 共 4 页安全管理文书液压打包机安全操作规程日期: __________________单位: __________________仅供...
仅供参考 [整理 ] 第 1 页 共 3 页安全管理文书液压带锯床安全操作规程日期: __________________单位: __________________仅供...
毕业设计说明书题目:液压扳手指导老师:班级:姓名:精品文档。1欢迎下载 Abstract In the energy, the transportation, the meta...
仅供参考 [整理 ] 第 1 页 共 3 页安全管理文书液压工岗位安全操作规程日期: __________________单位: __________________仅供...
附件:液压工作站技术要求:1、参数项 目参数项 目可调范围出厂调节油泵电源AC380V/50Hz 开阀时间(可调)10~90 秒现场可调控制电源DC2...
仅供参考 [整理 ] 第 1 页 共 5 页安全管理文书液压室及液压系统火灾安全应急预案日期: __________________单位: ____________...
仅供参考 [整理 ] 第 1 页 共 4 页安全管理文书液压工安全操作规程日期: __________________单位: __________________仅供参考...
. . 液压大钳操作及维护保养规程1 范围本标准规定了液压大钳的安装、操作及维护保养方法。本标准适用于钻井队ZQ203-125II 系列液压大钳...
液 压 基 础第 1 部分液压传原理动力装置:柴油机、汽油机、电动机传动装置:改变速度、方向、力矩工作装置:铲刀、挖掘斗、⋯动力装...
绪论:1.液压传动系统组成:能源装置——液压泵执行元件——有作直线运动的液压缸,或作回转运动的液压马达。控制调节元件——溢流阀、节流...
仅供参考 [整理 ] 第 1 页 共 4 页安全管理文书液压升降机管理与安全操作注意事项日期: __________________单位: ____________...
现在市面上很多的产品都叫液压增压器,那什么样的产品叫液压增压器好呢?什么样的产品不适合叫液压增压器呢?深圳市博世特液体增压科技有限...

