路基挖方施工工艺 1 . 工艺流程 修建临时截排水设施 施工测量 确定开挖范围 区分利用土或弃土 路堑开挖 路基修整 修筑便道 原...
湖南省湘潭荷塘至飞龙桥(芙蓉大道二期东二环南段)道路工程 (K6+328.878~K10+840) (清水支线 K0+000~K1+696.109) 抛 石 挤 ...
技术交底书 单位:怀通高速第 19 标项目经理部 交底单位 工程部 交底人 交底时间 被交底单位 路基 1、2、3 队及隧道队 工程部...
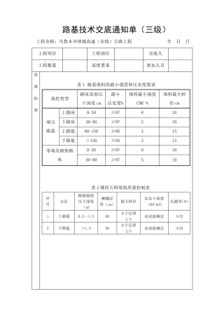
路基技术交底通知单(三级) 工程名称:乌鲁木齐绕城高速(东线)公路工程 年 月 日 工程项目 工程部位 交底人 工程数量 进度要求...
路基强度指标检测 第一节路基路面回弹弯沉测试 试验一 贝克曼梁测定路基路面回弹弯沉试验方法 一、试验目的 1.测定各类路基路面的回...
太焦铁路TJZQ-7 标路基强夯施工工艺性试验方案 I 目 录 一、编制依据 ......................................... 1 二、工程概况...
路基强夯施工技术交底
1 京能十堰热电联产项目2×350MW 供热机组工程 铁路专用线工程施工(B 标段) 路基强夯专项施工方案 编 制: 复 核: 审 批: ...
建设项目:安初读数终读数初读数终读数左 左K4+010K4+030091095182190点数 372K4+050062074124148平均值179.35K4+07001230125246250 标准...
路基土石方开挖 施 工 方 案 北 京 路 桥 瑞 通 养 护 中心湖北 宜巴高速 LJX3 标项目经理部 二 00 九年八月二十日 一...
路桥华南工程有限公司九江长江公路大桥A1合同段 路基挖方工程施工方案 中国交通建设股份有限公司 - 1 - 目 录 一、编制范围-------...
表5 主要分项工程施工工艺框图 表5-1:路基地基处理总施工工艺框图 表5-2:砂、砂砾垫层施工工艺框图 表5-3:8%石灰土垫层施工工艺框图...
路基平整度检测记录表 施工单位:广西壮乡建设集团有限公司 施工日期:2014 年11 月 15 日监理单位:南宁鸣发工程建设咨询有限责任公...
路基常见质量问题及防治措施 第一章 路 基 第一节 路基填筑 一、土方路堤适宜的填料有哪些? 1、质量问题及现象 路堤填筑中有些填...
用横断面面积计算 计算方法有积距法、坐标法、几何图形法、数方格法、求积仪法等,通常采用积距法和坐标法。 1.积距法: 即将断面按单位...
序号项目或费用名称费用组成项目主要工程内容计量单位招标工程量投标工程量投标单价暂估价计算规则备注1路基清表综合承包单价包含以下费用...
路基工程质量通病与防治措施 路基填筑 一、路基沉陷 1、现象 路基局部路段在垂直方向产生较大的沉落,形成坑塘和裂纹或因地基沉降路基...
太长高速公路路基质量控制要点 - 1 - 路基工程质量控制要点 目 录 一、准备工作-------------------------------------------------...
中 惠 大 道 西 延 新 建 施 工 项 目 ZHDDXY-02 标 路 基 工 程 质 量 保 证 措 施 无 锡 路 桥 集 团 股...
目录 第一章 概述 ............................................................................ 错误!未定义书签。 一、 设计任...

