焦化工序的的主要危险因素辨识及防范措施一览表序号环节/场所/部位较大危险因素易发生的事故类型主要防范措施依据一、备煤准备(一)受煤坑...
焦化厂生产工序及工艺流程焦化厂的生产车间由备煤筛焦车间、炼焦车间、煤气净化车间及相配套的公用工程组成。产品焦炭和副产品煤焦油、硫膏...
滴灌施工工序7、 工程施工 7。1 工程施工 A、施工安装一般规定: (1)滴灌工程施工必须严格按设计进行。修改设计应先征得设计部门同意...
湿作业工艺工序及质量技术标准一、 地面找平在装饰工程施工中,地面找平基本上采纳两种方法;1)自流平找平,2)水泥砂浆找平.1、自流平找...
ZZCJ—GY13—04-2024混炼工序作业指导书1、烘胶工序1。1 烘胶工艺要求胶种烘胶温度 烘胶时间 h作业地点烘胶参数要求天然橡胶40~60℃11...
混凝土施工工序和施工方法1、混凝土施工工序:(1)、混凝土浇筑前的施工准备工:浇筑部位的轴线、标高应与图纸对比复校;检查基础坑槽,消...
浅谈烧结工序能耗摘 要:从固体燃耗、点火热耗、余热利用等方面阐述了降低烧结工序能耗的主要途径,以及降低工序能耗的措施.关键词:烧结...
沥青路面施工方案沥青混凝土拌和料要求:(1)、沥青混合料的集料级配和沥青用量按《公路沥青路面施工技术法律规范》(JTG F40—2024),并...
汽轮机低压缸安装工艺流程:基础检查验收—→垫铁布置—→低压缸台板安装-→低压外缸组合就位—→低压缸找正—→中、后轴承箱就位—→3#、...
水电安装主要工序及施工方法A:1、施工准备: 仔细熟悉施工图纸,根据施工方案确定的施工和技术交底的具体措施做好准备工作,参看有关专业...
水利水电工程表 1.13.2 水泥砂浆砌石体砌筑工序施工质量验收评定表单位工程名称工序名称分部工程名称施工单位单元工程名称、部位施工日期...
南水北调工程建设关键工序施工质量考核奖惩措施(试行)第一章 总 则第一条 为加强南水北调工程建设质量管理,深入明确各参建单位质量管...
细石砼地面垫层施工工序工艺一、施工工序:基层清理→管道铺设→镶贴保温板分隔条→铺设钢筋网片→冲筋贴灰饼→素水泥浆结合层→砼浇筑→养...
一、定点、放线 (一)行道树的定点放线道路两侧成行列式栽植的树木,称行道树。要求栽植位置准确,株行距相等(在国外有用不等距的).一般...
梳棉工序安全操作规程1、开车前要检查安全装置,风门是否齐全完好,确认机台无他人工作再开正车。2、在巡回时,注意捡出附在棉卷上的铁丝杂...
1。模板打磨:七浦塘 TL31.5Z-043 在 6#制梁台座模板打磨除锈,调试,刷脱模剂,模板表面光滑无锈迹,模板尺寸在法律规范允许范围内,防落...
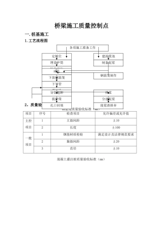
桥梁施工质量控制点一.桩基施工1.工艺流程图2。质量验收法律规范标准钢筋笼质量验收标准(mm)项目序号检查项目允许偏差或允许值主控项目1...
桥涵钢筋加工工序作业要点卡片卡片编码:桥 001序号工序作业控制要点1钢筋备料钢筋表面的油渍、漆污、水泥浆和用锤敲击能剥落的浮皮、铁锈...
现浇连续梁施工工艺一、地基处理一般情况下去除表层 30cm 软土,之后用压路机碾压密实,(参数:地基压实度不小于 90%,地基承载力不小...
钢箱梁制作检验批质量验收记录编号: 表 G2-30—1单位(子单位)工程名称****桥工程分部(子分部)工程名称桥跨承重结构钢梁验收部位YA ...

