船 / 岸 安 全 检 查 表SHIP/SHORE SAFETY CHECK LISTShip’s Name 船名 ………………………………………。 Berth 泊位 …...
上海吴淞口国际邮轮码头后续工程立功竞赛方案中交第三航务工程勘察设计院有限企业上海吴淞口国际邮轮码头后续工程联合体项目部6 月一、工...
商合杭铁路芜湖长江公铁大桥栈桥及码头平台施工方案目 录一、概述 11. 编制范围 1 2. 编制依据 1 3 。 工程概况 1 二、施工部...
杂货码头公司“五型"班组创建优秀班组申报表单位名称保养车间班组名称机械维修班班长姓名高玉珺班组人数劳务工人数曾获荣誉称号班组事迹简...
防城港马鞍岭 1、2 号旅游码头水工工程预制圆筒施工方案版本编号:I—20240322·C 编 制 单 位: ( 盖章) 编 制 人 员: 项目...
安全技术操作规程 总 则 为了仔细贯彻执行“安全第一预防为主”的安全生产方针防止违章作业遏制事故的发生确保港区安全生产的顺利...
烟台渔人码头温泉馆外墙装饰施工招标文献 招 标 人:大连海昌房地产集团日 期: 二○一○ 年 七 月目 录第一章 投标须知…………...
一级建造师港口与航道工程施工技术归纳第一章、重力式码头工程施工技术重力式码头一般由基础、墙身、墙后回填和码头设备等构成。重力式...
安庆港马窝港区一期工程水工码头质量通病防治措施编制: 审批:中交二航局安庆港马窝港区一期工程项目部一、工程概况安庆港马窝港区一期工...
内河港口安全生产风险分级管控和隐患排查治理双体系全套资料原则汇编文献 内河港口风险分级管控和隐患排查治理双体系全套方案资料原则汇编...
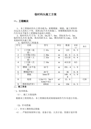
临时码头施工方案一、工程概况 1、 本工程临时码头主要功能为:桩帽模板、钢筋,施工材料的出运及人员的上下等,采纳 25t 汽车吊来施工...
临时码头施工方案(一)摘要:此文章为本人亲自设计并施工的一石料临时码头。造价约五十万元左右。但由于现场无具体地质资料,故在施工过程...
临时码头施工方案1. 码头的概况***临时码头是****第一标段水抛石专用码头,考虑工程进度,减少陆上推填的压力结合实际情况节约工程附...
文件编码:TM—01-01—05码头指南版本:2024-3东营港有限责任公司2024 年 月 日 发布 2024 年 月 日实施东营港有限责任公司 码头...
第二卷 技术规格书一、项目概述1. 背景东莞市虎门港港区工程项目己经获得政府批准立项,业主为东莞市虎门港集装箱港务有限公司 (以下简...
一级港口普通货物码头企业安全生产标准化考评细则考评内容考 评 要 点分值考评细则支持文件考评得分备注一 、安 全目 标35 分1、安...
一级港口危险货物码头企业安全生产标准化考评实施细则考评内容考 评 要 点分值考评细则考评评价考评得分备注一 、安 全目 标35 分1...
目 录第 1 章 编制依据.........................................................................................1第 2 章 工程...
船舶停靠码头管理规定 船舶停靠码头应提前通知港务部调度。 船舶应以最低时速停靠码头。 船舶停靠要听从码头调度安排。 船舶进入公司范...
目 录一、施工方案1、概述2、施工准备3、施工工序总体安排4、主要工程工程施工技术和方法二、现场组织机构1、现场组织机构图2、工程经理简...

