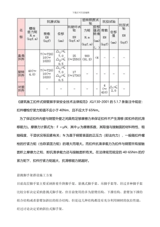
下载后可任意编辑《建筑施工扣件式钢管脚手架安全技术法律规范》JGJ130―2001 的 5.1.7 条备注中规定:扣件螺栓拧紧力矩值不应小于 40N...
下载后可任意编辑悬挑水平防护施工方案一、 编制依据:1、 施工组织设计及施工图纸2、《建筑施工安全检查标准》 JGJ-99;3、《建筑施工...
黄邓村安置项目一期工程悬挑式脚手架安全专项施工方案 编制人: 审核人: 审批人: 陕西省第三建筑工程公司下载后可任意编辑黄邓村安置...
下载后可任意编辑建设项目—XXXXX 安置区工程悬挑式钢管脚手架施工方案编制: 审核: 目录 - 1 -下载后可任意编辑第一章、工程概况…...
下载后可任意编辑扣件式钢管外脚手架施工方案1. 编制依据及工程概况1.1 编制依据1.1.1《建筑施工扣件式钢管脚手架安全技术法律规范》(JG...
下载后可任意编辑金河湾世纪广场 B 座 悬挑脚手架- 1 -下载后可任意编辑拆除施工方案- 2 -下载后可任意编辑目 录一、编制依据:......
下载后可任意编辑目录一、工程概况二、编制依据三、悬挑架构造要求四、悬挑架防护措施五、悬挑架安全技术措施六、悬挑架拆除安全技术措施七...
锦 苑 春 天 住 宅 小 区外脚手架工程专项施工方案福建省第一建筑工程公司二 00 七年四月十日下载后可任意编辑目 录一、工程概况...
下载后可任意编辑悬 挑 式 外 脚 手 架 专 项 施 工 方 案一、 工程概况工程名称:北城天地商业中心建设单位:杭州北城置业有...
目 录一、工程概况:.......................................................................................................1二、搭...
下载后可任意编辑悬挑式外墙脚手架施工方案一、工程概况简介本工程位于长江路与代庄路交叉口,地下一层,地上二十八层,地面以上为住宅,建...
下载后可任意编辑盛 茸 生 活 广 场悬挑式卸料平台方案编制人:审核人:审 批:2024 年 月目 录下载后可任意编辑悬挑式卸料平台施工...
下载后可任意编辑悬挑式卸料钢平台施工方案 常州市城市应急中心钢平台设计长 4.5m(伸出脚手架外3m),宽 2.8m,主梁采纳 16#槽钢、次...
目 录第一章 编制说明与依据.........................................................................................................
下载后可任意编辑目 录1、编制依据﹍﹍﹍﹍﹍﹍﹍﹍﹍﹍﹍﹍﹍﹍﹍﹍﹍﹍﹍﹍﹍﹍﹍22、工程概况﹍﹍﹍﹍﹍﹍﹍﹍﹍﹍﹍﹍﹍﹍﹍﹍﹍﹍﹍...
君悦财宝广场 II 期 鞋料平台方案 君悦财宝广场 II 期项目工程悬挑式卸料平台施工专项方案 编制人: 审核人: 批准人: 江苏中厦...
下载后可任意编辑 精品文档下载 【本页是封面,下载后可以删除!】1最新资料,word 文档,可以自由编辑!!下载后可任意编辑 目 录第一...
下载后可任意编辑悬挑式双排外脚手架支设方法1、方案设计: 1.1 本外架为双排外挑架,一次挑出不超过 5 层,高度不超过 18 米,立杆...
下载后可任意编辑 目录1、工程概况……………………………………………………12、编制依据……………………………………………………13、...
下载后可任意编辑审 批 页工程名称新校区图书馆结构形式框 架建筑面积48958㎡层 数地上七层地下一层建设单位陕西师范大学施工单位江都...

