脚手架应急预案香河文化艺术中心室内装修工程脚手架工程应急预案 编制人: 审核人: 审批人: 深圳市深装总装饰股份有限公司目 录一、...
脚手架工程施工监理细则沙头角中学总体改造工程脚手架工程编制人:审批人:深圳市大众工程管理有限公司沙头角中学总体改造工程监理部二。一...
脚手架工程施工方案一、编制根据二、工程概况三、施工布署四、构造规定及技术措施五、安全防护措施六、脚手架旳搭设及拆除施工工艺七、劳动...
脚手架工程监理实施细则盘扣式脚手架表号:SCCS-JL-7.5-02 项目名称安邦保险上海张江后援中心 7# 地块新建项目 脚手架工程 监理实施细...
南风坳水库除险加固工程钢管脚手架施工方案(20 米以下适用)市黄河工程局二。一三年二月南风坳水库除险加固工程钢管脚手架施工方案(20 ...
第一节脚手架工程施工方法及技术措施本工程外脚手架 1〜2 层采纳落地式双排脚手架,3 层以上实行悬挑式双排外脚手架。钢管脚手架采纳钢...
目 录一 、编 制 依 据 … … … … … … … … … … …… … … … … … … … … … … 2二 、工 程 ...
脚手架工程里脚手架1、搭设的工艺流程:材料配备 T 定位设置底座 T 纵向扫地杆 T 立杆 T 横向扫地杆 T 小横杆 T 大 横杆 T剪...
脚手架工程施工方案及技术措施一、脚手架的选用:为了进一步保证工期,达到快速、优质、安全和经济适用,本工程在主体结构施工阶段内脚手架...
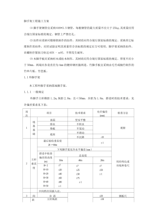
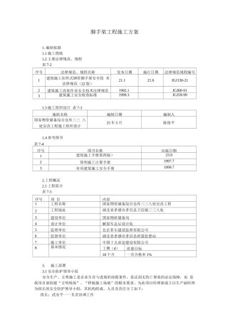
脚手架工程施工方案1.编制依据1.1 施工图纸1.2 主要法律规范、规程表 7-2序号法律规范、规程名称发布日期施行日期法律规范规程编号1建筑...
脚手架工程施工1、构配件(1) 构配件选用和测算依据本工程脚手架采纳由 48 壁厚 3.5mm 钢管和相应的扣件、密目安全网、大眼网脚手板等...
脚手架工程施工方案和技术脚手架工程施工方案和技术措施提要:严格避开以下违规违章作业:(1)利用脚手架吊运重物;(2)作业人员攀登架子上下...
脚手架工程施工方案 6.8. 1 结构外脚手架方案选择A 区:地上十二层,建筑主体室外地坪至屋面女儿墙顶端高度为 62.95m。地上主体结构施...
洛阳市吉利区安厦博泰花园二期 15#、16#楼编制:审批:审核:施工单位:河南派普建设工程有限公司日 期:2025 年 2 月 25 日施工组...
脚手架工程施工方案根据工程具体情况并考虑安全、有用、施工方便、节约费用等原则,本工程外墙脚手架采纳巾 48x3.5 扣件式附着于主体结构...
脚手架工程施工方案及措施本工程的外脚手架采纳 D48 钢管外脚手架,按脚手架的搭设操作规程进行搭设、使用。室内采纳满堂内脚手架进行主...
脚手架工程1 落地式脚手架工程1.1 落地式脚手架方案选择本工程地下车库外墙、住宅楼三层以下采纳双排落地式脚手架,三层以上采纳悬挑式外...
脚手架工程施工方案1 搭设方案1. 地下室采纳双排钢管脚手架。2. 1#楼 6 层以下双排钢管脚手架,6 层以上采纳工字钢挑架分二次悬挑。...
脚手架工程施工方案15.7.1 整体部署本工程脚手架采纳落地式,在基础与边坡之间预留足够的空间搭设落地式脚手架;在浇筑地下室外墙砼时预埋...
脚手架工程施工方案⑴ 脚手架钢管宜采纳 648*3.5 钢管,每根钢管的最大质量不应大于 25kg,其质量应符合现行国家标准的规定。钢管上严禁...

