1分布式光伏发电系统验收和调试报告项目编号项目名称项目地址联系人联系电话项目装机规模并网电压工程完工时间验收日期验收当日天气状况验...
专业监理工程师(签字)年月日表温度仪表安装报审、报验表工程名称:XX 编号:致:河南兴平工程管理有限公司(项目监理机构)我方已完成 ...
肃州区洪临灌区续建配套与节水改造项目2007年度西干渠改建工程 竣工验收自查工作报告 肃州区洪临灌区续建配套与节水改造项目 2007年度西...
百度文库 1 工程分项验收报告 工程名称 A 栋千级净化车间工程 时间: 2011 年 建设 单位 南昌欧菲光科技有限公司 分项 工程 ...
洁净室的测试及验收标准 控制洁净室空气参数的目的—检查洁净室是否符合给定的洁净度级别。无论是在投产调试工作完成后的洁净室检测阶段,...
洁净室施工及验收规范》(GB50591 洁净室施工及验收规范》(GB 现行《洁净室施工及验收规范》简介现行《洁净室施工及验收规范》GB-2010,...
洁净室施工及验收规范JGJ71-90 第一章 总则 第101条为了在洁净室(含装配式洁净室,下同)施工中,贯彻国家有关的方针政...
1 第一章 总则 第 1.0.1条 为了在洁净室(含装配式洁净室,下同)施工中,贯彻国家有关的方针政策和统一施工验收要求,统一检测方法,...
1 实验室洁净工程 施工与验收监理控制要点 一、施 工 准备监理 1. 重视图纸会审,洁净室中管线、设备等系统比较复杂,施工前认真组...
修 订 版 《洁净室施工及验收规范》的特点与适用范围 现 批 准 《 洁 净 室 施 工 及 验 收 规 范 》 为 国 家 标 ...
润盈生物(杨凌)有限公司工程验收资料 目 录 1 、 开工报告 2 、 安装工程报验申请表 3 、 工程材料报验单(附:进场材料合格...
洁净厂房的施工管理和验收标准 参考规范 《洁净室施工及验收规范》GB50591-2010 《洁净厂房设计规范》GB50073-2001 《采暖通风与空气调...
洁净厂房施工验收规范 第 1.0.1 条 为了在洁净室(含装配式洁净室,下同)施工中,贯彻国家有关的方针政策和统一施工验收要求,统一检测方...
1 1 总 则 1 .0 .1 为加强泵站安装及验收的管理,保证泵站建设质量,达到优质、安全、经济的目的,特制定本规范。 1 .0 .2 本规...
* * 排涝泵站工程 单位工程验收 鉴定书 **排涝泵站单位工程验收工作组 2013 年 5 月 11 日 验收主持单位:* * 排涝泵站工程...
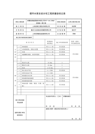
循环水泵安装分项工程质量验收记录 单位工程名称 新疆宝新盛源建材有限公司年产180 万吨矿渣微粉一期工程 分部工程名称 公用工程分部...
泵安装工程施工验收规范(一) 第四章 泵 第一节 一般规定 第4 .1 .1 条 本章适用于离心泵、井用泵、立式轴流泵及导叶式混流泵、...
游泳池验收规范 第一章 总 则 第1.0.1 条 为使游泳池的给水排水设计符合游泳水质、水温、卫生要求和达到技术先进、经济合理、安全可...
注 浆 记 录 验 收 表 单位工程名称:龙游官潭龙山崩塌灾害治理工程 编 号: 001 水泥品种标号: Po42.5 配合比:水泥:水:砂...
模 具 数 量1套类 别序 号合 格可 接 受1. 2. 3. 4. 5. 6. 7. 8. 1. 2. 3. 4. 5. 6. 7. 8. 9. 10. 支 撑 腿 ...

